|

The FT-817 is a small 5W MF/HF/VHF/UHF transceiver with internal batteries. Here is an assortment of technical information I put together about this radio that might interest you.
DISCLAIMER: TECHNICAL INFORMATION CONTAINED IN THIS PAGE ARE JUST A SHORT STORY OF MY EXPERIENCE WITH MY RADIO. - IT'S UP TO YOUR RESPONSIBILITY IF YOU BUILD/IMITATE/COPY OR USE THIS INFORMATIONS OR DEVICES. UNDER NO CIRCUMSTANCES I AM RESPONSIBLE FOR ANY DAMAGES TO YOUR RADIO, YOUR PC OR INTERFERENCES!
Features and tips:
Note that in FT-817ND/I , the '/I' stands for the 'Italian version', which is also equipped with vinyl case CSC-83.
The basic specifications are as follows.
Frequency Coverage:
RX: 100 kHz - 30 MHz, 50 - 54 MHz
76 - 108 MHz (W-FM only)
108 - 154 MHz (USA)
144 - 148 (146) MHz (other markets)
430 (420) - 450 (440) MHz
TX: 160 - 6 Meters, 2 Meters
70 Centimeters (Amateur Bands only)
Ultra Compact: 5.3" x 1.5" x 6.5" WHD (135 x 38 x 165 mm)
Multimode Design: SSB, CW, AM, FM, FM-Wide (RX),1200/9600 bps Packet, Digital (including PSK-31U/PSK-31L)
Power Output: 5 Watts (selection of 0.5/1.0/2.5/5 W)
Wide choice of power sources: AA Battery Holder included; FNB-72 Ni-Cd Battery Pack (9.6 V, 1600 mAh); external DC cable included for 13.8 V operation
Two Antenna Ports: BNC on front panel, UHF (Type "M") on rear panel; may be assigned via Menu on HF, 50, 144, 430 MHz
Built-in CW Electronic Keyer, Normal/Reverse Paddle connections, adjustable CW Pitch, Normal/Reverse sideband
Built-in CTCSS and DCS Encoder/Decoder circuits
208 Memory Channels, including 200"regular" memories, assignable in up to ten memory groups; Alpha-Numeric label may be attached to each memory
Dual-Color Liquid Crystal Display: choice of Blue or Amber display
Spectrum Scope records five channels above and below current frequency while you're away
Optional Collins Mechanical Filters: 10-pole YF-122S (2.3 kHz) for SSB, 7-pole YF-122C (500 Hz) for CW
Disvantage

FT-817ND Specifications
| General |
Frequency Range Receive:
Frequency Range Transmit:
(Amateur bands only) |
100 kHz-30 MHz
50 MHz-54 MHz
76 MHz-108 MHz (WFM only) 87.5 MHz-108 MHz (EU)
108 MHz-154 MHz (USA)
144 MHz-148 (146) MHz (Other markets) 430 (420) MHz-450 (440) MHz
160-6 Meters including 60 meters
2 Meters
70 Centimeters
5.1675 MHz Alaska Emergency Frequency (USA only) |
| Emission Modes: |
A1 (CW), A3 (AM), A3J (LSB/USB), F3 (FM), F1 (9600 bps packet), F2 (1200 bps packet) |
| Synthesizer Steps (Min.): |
10 Hz (CW/SSB), 100 Hz (AM/FM) |
| Antenna Impedance: |
50 Ohms, Unbalanced (Front: Type BNC, Rear: Type M) |
| Operating Temperature Range: |
-10° C to +60° C (+14° F to +140° F) |
| Frequency Stability: |
± 4 ppm from 1 min. to 60 min. after power on. 25° C: 1 ppm/hour |
| Supply Voltage: |
Normal: 13.8 VDC ±15 %, Negative Ground
Operating: 8.0-16.0 V, Negative Ground
...................FBA-28 (w/8 "AA" Alkaline Cells): 12.0 V
.................. FNB-72 (Ni-Cd Battery Pack): 9.6 V (Option) |
| Current Consumption: |
Squelched: 250 mA (Approx.)
Receive: 450 mA
Transmit: 2.0 A |
| Case Size: |
5.31 x 1.5 x 6.50 inches (135x38x165 mm) |
| Weight (Approx.): |
1.17 kg (with Alkaline battery, antenna, without Microphone) |
| Transmitter |
| RF Power Output: |
5/2.5/1/0.5 W |
| Modulation Types: |
SSB: Balanced Modulator
AM: Early Stage (Low Level)
FM: Variable Reactance |
| FM Maximum Deviation: |
±5 kHz (FM-N: ±2.5 kHz) |
| Spurious Radiation: |
-50 dB (1.8-29.7 MHz) -60 dB (50/144/430 MHz) |
| Carrier Suppression: |
>40 dB |
| Opposite Sideband Suppression: |
>50 dB |
| SSB Frequency Response: |
400 Hz-2600 Hz (-6 dB) |
| Microphone Impedance: |
200-10k Ohms (Nominal: 600 Ohms) |
| Receiver |
| Circuit Type: |
Double-Conversion Superheterodyne |
| Intermediate Frequencies: |
1st : 68.33 MHz (SSB/CW/AM/FM);10.7 MHz (WFM)
2nd: 455 kHz |
| Sensitivity |
| |
SSB/CW |
AM |
FM |
| 100 kHz-500 kHz |
- |
- |
- |
| 500 kHz-1.8 MHz |
- |
32 µV |
- |
| 1.8 MHz-28 MHz |
0.25 µV |
2 µV |
- |
| 28 MHz-30 MHz |
0.25 µV |
2 µV |
0.5 µV |
| 50 MHz-54 MHz |
0.2 µV |
2 µV |
0.32 µV |
| 144/430 MHz |
0.25 µV |
- |
0.2 µV |
| (IPO, ATT off, SSB/CW/AM = 10 dB S/N, FM = 12 dB SINAD) |
Squelch Sensitivity |
| |
SSB/CW/AM |
FM |
| 1.8 MHz-28 MHz |
2.5 µV |
- |
| 28 MHz-30 MHz |
2.5 µV |
0.32 µV |
| 50 MHz-54 MHz |
1 µV |
0.2 µV |
| 144/430 MHz |
0.5 µV |
0.16 µV |
| (IPO, ATT off) |
Image Rejection:
|
HF/50 MHz: 70 dB
144/430 MHz: 60 dB |
| IF Rejection: |
60 dB |
| Selectivity (-6/-60 dB): |
SSB/CW: 2.2 kHz/4.5 kHz
AM: 6 kHz/20 kHz
FM: 15 kHz/30 kHz
FM-N: 9 kHz/25 kHz
SSB (option):2.3 kHz/4.7 kHz (-66 dB)
CW (option):500 Hz/2.0 kHz |
| AF Output: |
1.0 W (8 Ohms, 10% THD or less) |
| AF Output Impedance: |
4-16 Ohms |
| All specifications are subject to change and are guaranteed within the amateur bands only. |
FT-817ND MODS
- * * * Extended TX Frequency Bands * * *
This mod permit full TX in: TX 1,8-33/33-56/140-154/420-470.
Avaiable Options (images from FT-817)


I took the instructions for extend bands from this blogspot post :
Tuesday, September 8, 2009
Yaesu FT-817ND Freeband mods
I recently bought Yaesu FT 817ND transceiver and really love this small rig so much, even better, I did some modification to make it transmit on all band, originally it only able to transmit on amateur band frequency only, this is the range that I have now :
1.8 - 33 Mhz
33 - 56 MHz
140 - 154 MHz
420 - 470 MHz
My Yaesu is US version, 2008 build, so applying modification through software is no longger possible, I had to open it and reach the jumper inside of front panel, and for this model, originally it has J4001-J4004 open, J4005-J4007 close and J4008-J4009 open, and to able to change it to freeband, I have to mod jumper by opening J4005, closing J4008 and J4009
here is the picture to locate where the jumper and the way it numbered :
|
- Programming Interface schematics for Yaesu (from hampedia.net)
Programming Interface, Yaesu 4 pin plug
- The AFSK schematic diagram (useful for PSK31, MFSK, and all other PC sound card modes).
- The operating/service manual in pdf here

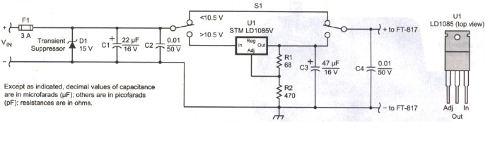
Useful kits
Digital Mode
Useful Links
FAQ (for Italian Users)
- Q: In Extendend mode bands this radio can RX/TX on CB and PMR bands. Can I use this radio on this frequences?
A: NO ! Citizen Band/PMR is a canalized band in Italy between 26.965-27.405 MHz (40ch-10 KHz step) / 446.00625-446.09375 (8ch-6.25 KHz step), and italian laws explicitly require that you use only this band and only 1999/5/CE compliant CB radio. Moreover, your CB radio must be accompanied with a declaration of conformity issued by a manufacturer/importer in Europe, you must have a regular licence for CB/PMR and you must pay the annual tax for them (12eu).
Home -> Yaesu FT-817ND/I
|