![]() | |
![]() | |
This is a real RF notch with a sharp null of at least 40 dB o more ,xtal quality depending | Vero notch a radio frequenza,almeno 40db o piu',dipende dalla qualita' del quarzo |
![]() | |
this design can be applied to any transceiver,having just a couple of resonators | questo progetto puo' essere adoperato per qualsiasi transceiver ,avendo solo un paio di circuiti accordati |
![]() | |
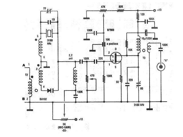
adjust the trimmer for compensating wiring insertion loss (notch: off ).Adjust 470 ohm trimmers for the best null,with good SSB quality (not too narrow).Use 47k trimmer to equalize signals (no insertion loss with the notch -on ).BF245c has to be located near the PB1183 socket.Do not substitute BF245c with BF245 | regolare il trimmer per compensare le perdite di inserzione del cablaggio (notch-spento).Aggiustare i due trimmer da 470 ohm per il miglior nullo,senza tuttavia stringere troppo la banda per la SSB.Il trimmer da 47k serve a compensare le perdite di inserzione con il notch inserito.Il BF245c va allocato vicino allo zoccolo della piastra PB 1183.Non sostituire il BF245c con il normale BF245. |
![]() | |
![]() | |
![]() | |
![]() | |
use original "mic gain" knob for notch tuning and substitute original "mic" command reallocating it on the right side fixing by double face tape ,use a simple "L" shaped metallic board. | usa la manopola originale "mic-gain" per la sintonia del notch e sostituisci l'originale riposizionandolo sul lato destro tramite un piastrino metallico ad "L" fissato con nastro biadesivo |
![]() | FT 101 YAESU mods![]() |