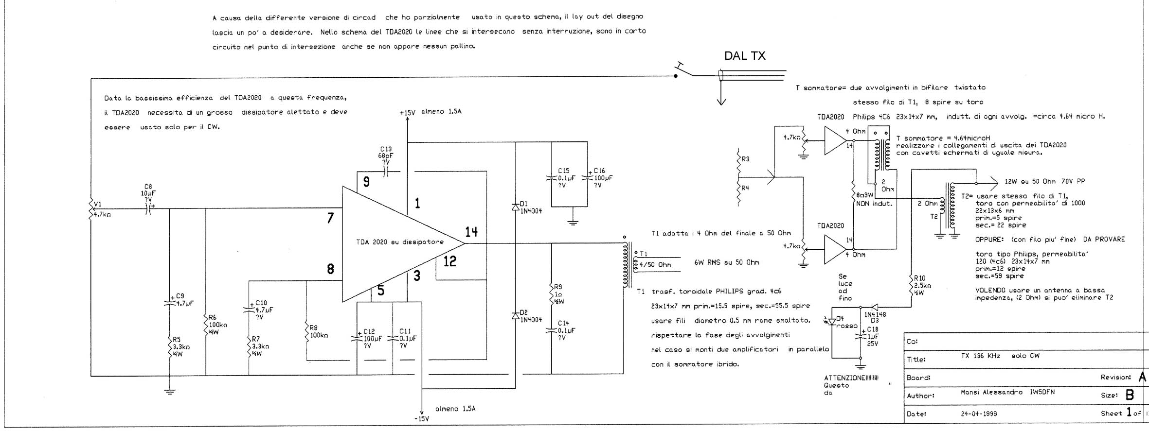
TX 137KHZ CW "6 WATTS" O "12 WATTS"
SCHEMA DI IW5DFN
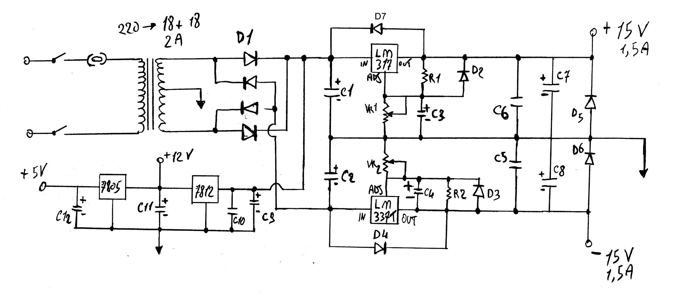
ALIMENTATORE

ELENCO COMPONENTI :
Trasformatore - 220/18+18 volt 2A
D1 - n° 4 diodi almeno 100 volt 3A
D2 / D7 - 1N4004
VR1 VR2 - 4.7 k
C5 C6 C10 - 0.1 microF 50 volt ceramici
C3 C4 C11 - 1 microF 25 volt elettrolitici
C7 C8 - 47 micoF 25 volt elettrolitici
C1 C2 - 3300 microF 50 volt
Integrati - LM317 , LM337T su dissipatore / 7812 , 7805
TRASMETTITORE
OSCILLATORE
STADIO FINALE
PER INGRANDIRE LO SCHEMA CLICCA "QUI"