DECODER SURROUND
Trasforma il normale STEREO in HOME THEATRE.
© by Pierbassano Turrini - iw2bc

Descrizione
Cosa sia l'effetto "Surround" penso non necessiti spiegazioni.
Questo progetto deve essere abbinato ad un normale impianto stereo HI-FI per aggiungere il canale
posteriore monofonico.
Ricalca grossomodo le specifiche del "Prologic" della Dolby
Laboratories salvo l'assenza della circuiteria di riduzione del rumore.
Incorpora un piccolo finale di potenza da circa 10W più che sufficente per abbinamenti ad impianti
fino a 40/50W e locali di medie dimensioni.
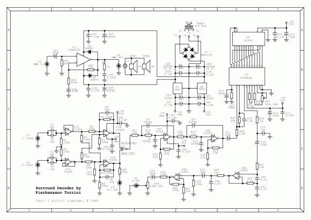
Schema Elettrico

Descrizione Funzionale
Agli ingressi R-IN e L-IN viene applicato il normale segnale stereo destro e sinistro con livello di circa
100mV fino ad un massimo di 150mV.
Questo segnale può essere ricavato dall'uscita TAPE dello stereo.
U1c e U1d svolgono semplicemente una funzione di buffer con guadagno unitario.
U1b con R4 e R5 rappresenta la matrice di estrazione del canale fantasma surround.
U1a con R3 e R6 esegue la somma dei canali destro e sinistro ricavando un segnale monofonico che può
essere sfruttato per implementare il canale anteriore centrale.
Con il commutatore S1 possiamo scegliere di operare in Surround o in modo Ambient.
La modalità Ambient fornisce un senso di spazialità, trattando il segnale somma,
quando non è disponibile l'informazione surround.
U2b e U2c sono due filtri passa basso in cascata, con frequenza di taglio a 7KHz, in modo da limitare
opportunamente il canale posteriore.
Per questa funzione sarebbe stato corretto impiegare filtri passa banda con risposta 100Hz - 7KHz, ma per motivi
di semplicità circuitale ho optato per dei passa basso.
(poi, per gusto personale, mi era piaciuto maggiormente quel tocco di bassi)
U3 e U4 costituiscono una linea di ritardo digitale controllata dal potenziometro R25.
R26 con C18 formano un primo filtro per minimizzare i residui di conversione A/D e sopratutto D/A.
U2a è un'ulteriore filtro passa basso sempre a 7KHz.
U2d amplifica il segnale elaborato onde portarlo a livello sufficente per pilotare il finale.
U7 è il finale da 10W (opzionale).
Se si equipaggia anche questo stadio sarà necessario collegare il suo ingresso (P5) con l'uscita
del decoder (P4) mediante un cavetto schermato non essendo stato previsto,per motivi di rumore, sul circuito stampato.
Infine U5 e U6 costituiscono lo stadio di alimentazione duale del decoder.
Note di Montaggio
Tutto il decoder trova posto su un unico circuito stampato.
Il trasformatore di alimentazione sarà un 20VA con secondario da 9+9 Vca nel caso venga equipaggiato
anche il finale di potenza, nel caso contrario basterà un 6VA.
Analogamente il ponte raddrizzatore sarà un 50/100V - 2A in un caso e, anche se ridondante, 1A nell'altro.
E' bene che R1, R2,R4 e R5 siano a più bassa tolleranza possibile in quanto da essi dipende la soppressione
dell'interferenza dei canali anteriori sul posteriore.
A tale scopo si potrebbe:
sdoppiare R4 e R5 ognuna in due resitenze in serie da 51K,
collegare il cursore di un potenziometro lineare da 100K a massa e
gli estremi ognuno al centro di una delle serie di resistenze,
ottenendo così un controllo di bilanciamento.
S1, R25 e R34 verranno posti sul pannello frontale come pure l'eventuale controllo del bilanciamento.
Il contenitore, non è tassativo, ma è meglio sia metallico.
Per i diffusori posteriori sono sufficenti altoparlanti di normale qualità in quanto la massima
frequenza, come si è visto, non supera gli 8KHz mentre una bassa risposta sotto i 100 Hz attenua
quelle frequenze che non sono state tagliate avendo adottato dei filtri passa basso.
I diffusori sarranno posizionati posteriormente uno a destra e l'altro a sinistra e collegati in fase.
Il collegamento in serie o in parallelo dipende esclusivamente dall'impedenza degli stessi e dal minimo
carico ammesso del finale, nel caso del 10W incorporato 4 ohm.
Il Layout


I File
I file costituenti il progetto sono:
sch_surround.(pdf o ps) = Schema elettrico
pcb_surround.(pdf o ps) = Layout PCB lato saldatura scala 1:1 per fotoincisione o fogli blu.
mtg_surround.(pdf o ps) = Serigrafia o montaggio componenti
bom_surround.txt = Elenco componenti
I file .pdf sono in formato Acrobat. Scarica (surrnd_pdf.zip - 121 K)
I file .ps sono in formato Postscript. Scarica (surrnd_ps.zip - 73 K)

Torna alla Home Page
