Circuiti

Aggiornata al 30 giugno 2015

 

(home)

 

bulletCommutatore d'antenna remoto
bulletCapacimetro
bulletTransverter 28 MHz <--> 50 MHz
bulletAmplificatore lineare per i 50 MHz

 

Commutatore d'antenna remoto

Il circuito consente la commutazione di 4 antenne ed è costituito da 2 unità: la logica di controllo ed il circuito di commutazione. La commutazione avviene tramite 2 comuni relè a 12V DC per impianti elettrici, comandati tramite 2 fili sui quali viaggia, in base all'antenna selezionata, nessuna tensione (Ant.1), + 12Vsu un filo e 0V sull'altro (Ant. 2), 0V su un filo e + 12V sull'altro (Ant. 3) e tensione alternata (Ant. 4).

   

Unità di controllo

Clicca sull'immagine per ingrandirla

In questo ultimo caso, i 2 diodi del circuito di commutazione (remota) inviano ai 2 relè solo la semionda di pertinenza, che viene poi livellata dalla coppia RC presente sulle bobine del relè.

E' opportuno utilizzare dei relè con lamelle molto corte per cercare di contenere il Rapporto Onde Stazionarie a valori accettabili fino ai 30 MHz.

Unità di commutazione remota

Clicca sull'immagine per ingrandirla

Nella presente realizzazione, poiché al commutatore sono collegate antenne che coprono dai 160M ai 30M, non mi sono preoccupato dell'aspetto Onde Stazionarie (le lamelle infatti non tutt'altro che corte) ma ho privilegiato la tenuta in potenza (300 W) utilizzando relè targati per 10A (pastiglie dei contatti con ampia superficie). Ed infatti l'SWR è 1:1,2 fino a 10 MHz ma a14 MHz è già 1:1,5 mentre a 28 MHz supera 1:2,5 mentre i relè, che sono stati testati con una potenza di circa 600 W, non hanno manifestato problemi (almeno fino ad ora...).

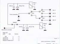
Schema unità di controllo

Clicca sull'immagine per ingrandirla

Schema in formato PDF

 

Schema unità remota di commutazione

Clicca sull'immagine per ingrandirla

Schema in formato PDF

 

Capacimetro

Lo strumento misura capacità fino ad 1 uF in sei portate. Nella portata 50 pF la lettura deve essere divisa per 2. Per la calibrazione, portare a zero la lettura su ciascuna portata con il relativo potenziometro e porre un condensatore da 0.001 uF con tolleranza del 5 % (o migliore) sui morsetti di misura e regolare il potenziometro di calibrazione per avere una lettura di fondo scala nella portata 0.001 uF. 

   

Capacimetro: telaio e circuito

Clicca sull'immagine per ingrandirla

Schema capacimetro

Clicca sull'immagine per ingrandirla

Schema in formato PDF



Schema alimentatore capacimetro

Clicca sull'immagine per ingrandirla

Schema in formato PDF

Circuito stampato (lato rame)

Clicca sull'immagine per ingrandirla

Schema in formato PDF

 

Disposizione componenti

Clicca sull'immagine per ingrandirla

Schema in formato PDF

 

Transverter 28 MHz <--> 50 MHz

Il circuito è di OE9PMJ ed è apparso sulla rivista DUBUS n° 1 del 90 e RR 6/90, alle quali vi rimando per la descrizione del circuito. Posso solo aggiungere che il circuito è molto valido (il circuito è ben selettivo ed inoltre utilizza mixer bilanciati; personalmente ho utilizzato degli HPF505) ed ha funzionato al primo colpo. Per la taratura dei filtri di ingresso ed uscita è meglio avere un generatore RF con possibilità di sweep.

       

Transverter: telaio, circuito e realizzazione finale con amplificatore

Clicca sull'immagine per ingrandirla

Schema transverter

Clicca sull'immagine per ingrandirla

Schema in formato PDF

 

Disposizione componenti

Clicca sull'immagine per ingrandirla

Schema in formato PDF

 

Circuito stampato (lato rame)

Clicca sull'immagine per ingrandirla

Schema in formato PDF

 

Amplificatore lineare per i 50 MHz

Poiché l'uscita del transverter è limitata a 500 mW, ho fatto seguire un amplificatore. La configurazione circuitale dello stadio finale, realizzato con un transistor BLY88C, è ad emettitore comune, a polarizzazione regolabile per ottenere un funzionamento in classe AB. le reti LC d'ingresso (CP1 - CP2 - L1) e di uscita (L2 - CP3 - CP4) adattano le impedenze. Le perline di ferrite hanno la funzione di scongiurare auto-oscillazioni. Il filtro in uscita riduce le emissioni di armoniche. La potenza in uscita ottenibile è di circa 10 W pilotando l'amplificatore con i 500 mW provenienti dal transverter, pari a circa 13 dB di guadagno.

Realizzazione amplificatore

Clicca sull'immagine per ingrandirla

Schema amplificatore

Clicca sull'immagine per ingrandirla

Schema in formato PDF

Lista dei componenti

 

Circuito stampato (lato rame e componenti)

Clicca sull'immagine per ingrandirla

Schema in formato PDF

 

Disposizione componenti

Clicca sull'immagine per ingrandirla

Schema in formato PDF

 

(home)