IK1ZOY
 

Trasmissioni con sistemi ottici e fibre ottiche.

I sistemi di trasmissione ottica in campo libero ossia con segnale libero di propagarsi nell’etere, non convogliato in un cavo, sono molto diffusi ma confinati ad applicazioni specifiche.
Essi trovano applicazione nei telecomandi e RTX per cuffie (IR) per televisori e impianti stereo, nei sensori a barriera per antifurti, telecomandi apertura porte e in applicazioni di automazione industriale. Nei dispositivi wireless per computer come mouse, tastiere e stampanti. Fotocamere digitali sono in grado di trasferire i files che contengono le immagini direttamente al computer o alla stampante e sincronizzare i flash. La difficile intercettabilità dell’emissione ottica rispetto a quella radio ha portato a sperimentare in campo militare trasmissioni ottiche analogiche e digitali per coprire brevi collegamenti <1Km  e piccole reti locali di computer. E’ stata verificata la possibilità di effettuare collegamenti digitali ad alta velocità tra satelliti tramite laser collimati. Le segnalazioni ottiche sono usate a bordo delle navi per trasmettere messaggi in Morse. (E’ l’unica applicazione della telegrafia tradizionale ancora attuale in campo militare). La trasmissione di segnali ottici in campo libero promette interessanti margini di sviluppo e potrebbe essere oggetto di prove anche da parte di noi radioamatori. (Nota1)
Per inquadrare l’argomento è necessario considerare l’estensione dello spettro elettromagnetico (Fig.1)  Spettro elettromagnetico
L’estensione dello spettro ottico copre dal lontano IR ai raggi X e ?. La luce visibile dall’occhio umano occupa la banda da 0.76 (rosso) a 0.38?m (viola).
Quando però si parla di sistemi ottici di comunicazione ci si riferisce principalmente alla trasmissione di dati su fibra ottica.
Come funziona e quali sono le tecniche di questo efficentissimo sistema di comunicazione?
Una fibra ottica (Fig.2)
Anatomia della fibra ottica
è paragonabile ad una guida d’onda cilindrica costituita da un nucleo (o core) e un rivestimento esterno (mantello o cladding) entrambi in materiale dielettrico. Questi due componenti presentano diverso indice di rifrazione ottica, quello del cladding minore di quello del core. Queste caratteristiche fisiche permettono alla luce di propagarsi all’interno della fibra anziche’ disperdersi come succede per esempio in una lenza da pesca.
Se viene inviato nel nucleo della fibra ottica un raggio luminoso con un angolo di incidenza tra nucleo e mantello questo viene in parte riflesso e in parte rifratto. La parte rifratta si perde nel mezzo circostante mente quella riflessa subisce  all’interno della fibra una nuova riflessione/rifrazione e si propaga.
Esiste però un angolo critico (Fig. 3)Fibra ottica angoli
oltre il quale si ha assenza di rifrazione e tutto il raggio viene riflesso.
Si configura così un cono di accettazione (apertura) intorno all’asse della fibra che contiene tutti i raggi che possono propagarsi all’interno del nucleo per riflessione totale e quindi con minime perdite.
Ci sono due tipi di fibre, monomodo e multimodo. (Fig. 4) Fibra ottica mono/multimodo
Le fibre multimodo presentano una discontinuità a gradino dell’ indice di rifrazione tra core e cladding, (step index) inoltre il diametro del core è grande in rapporto alla lunghezza d’onda (valori tipici 0,85 – 1,3 e 1,55?m)(Fig.5).
Finestre
Questo permette il transito all’interno della fibra di più raggi (o modi). Questi modi transitano nella fibra con diversi percorsi e quindi diversi tempi. Questo causa perdite di propagazione dovute alla dispersione intermodale.
Per contrastare questo tipo di degradazione del segnale trasmesso, sono state fabbricate delle fibre i cui raggi vengono guidati, mediante la variazione dell’indice di rifrazione del nucleo. L’indice di rifrazione assume un valore variabile  tra un massimo sull’asse della fibra e un minimo via via che ci si allontana dall’asse. (graded index). La tecnica monomodo prevede  l’adozione di fibre a step index con ridotti valori di apertura e di diametro del core. Diametri tipici della fibra sono 62,5 microns per la fibra multimodo e 8 microns per la monomodo.
Per piccole tratte o reti locali, le fibre vengono realizzate in plastica che garantisce aperura elevata e facilità di accoppiamento e cablaggio.Tutti gli altri tipi di fibra, per avere minime dispersioni e attenuazione, sono realizzate in materiale vetroso con l’aggiunta di droganti. Vengono poi ricoperte con un jacket in polyethylene per migliorare le caratteristiche meccaniche (piegamento, abrasione) (Nota 2)(Fig.6)

Fibra ottica
Il motivo per cui si è diffuso sempre piu l’uso della fibra ottica a discapito degli altri mezzi di comunicazione (ponti radio, satelliti e cavo in rame) è la possibilità che essa offre di trasportare una quantità molto superiore di dati (Nota 3). Ci sono altri vantaggi ad usare fibra ottica rispetto a un cavo metallico tradizionale.
Essa è immune da interferenze (EMI ed RFI), e non ne causa, non conduce elettricità, è resistente alla corrosione. In quanto non trasporta elettricità può essere usata in atmosfere esplosive e non c’è pericolo di incendi o rischi di folgorazioni elettriche per il personale addetto. Un cavo in fibra ottica è più leggero e più facile da installare. La fibra ottica permette connessioni sicure, difficili da intercettare e virtualmente immuni da emissioni, è inoltre necessario un minor numero di ripetitori di segnale. La giunzione della fibra ottica è invece più critica di quella di un cavo tradizionale. I componenti principali di un sistema di comunicazione a fibra ottica sono: il trasmettitore ottico, il cavo a fibra ottica e il ricevitore ottico. (Fig. 7)(Nota 4)  Componenti RTX ottico
Il trasmettitore ottico converte un segnale analogico o digitale in un corrispondente segnale ottico. La sorgente del segnale ottico può essere o un LED (Light Emission Diode) o un LASER (Light Amplification by Stimulated Emission of Radiation) a stato solido. La modulazione del raggio luminoso può essere analogica o digitale. Vengono usati sistemi a modulazione analogica o lineare a singola portante modulata in ampiezza, a portante modulata con un segnale,  a più portanti modulate (separatamente combinate e trasmesse come una forma d’onda complessa) oppure digitale di tipo OOK (on off keying), a modulazione di ampiezza, a larghezza di impulso o tipo pulse rate.
Il cavo consiste in una o più fibre di vetro che si comportano come guide d’onda per il segnale ottico. Per sistemi di trasmissione a lunga distanza dove due o più cavi devono essere connessi si usano giunti e connettori ottici.
Il ricevitore ottico converte il segnale ottico in una replica dell’originale segnale elettrico. I componenti utilizzati per questo scopo sono fotodiodi PIN o fotodiodi a effetto valanga.
In realtà per costituire una rete ottica sono stati svilluppati una miriade di altri componenti dedicati come lenti, filtri di banda, amplificatori, circolatori, splitters, isolatori ecc. Anche per la messa in opera e la manutenzione vengono prodotti strumenti dedicati.
Il mercato è floridissimo ed in espansione. La ricerca su internet col motore di ricerca Google ha fruttato 334000 voci! (Fig.8)
Allo scopo di verificare l’adeguatezza e selezionare al meglio il sistema RTX – fibra/lunghezza d’onda, per configurare qualsiasi sistema a fibra ottica vengono considerati i seguenti parametri.
Tipo di segnale da trasmettere (Analogico, digitale, audio, video, RS232, RS422, RS485 ecc). L’alimentazione disponibile (C.A. C.C. potenza, frequenza). Specifiche particolari dell’impianto (Impedenza, Larghezza di banda, Connettori o fibre speciali). Perdita ottica del sistema in dB (dovuta a cavo, giunti, connettori). Comparazione dei i valori di perdita calcolati col valore accettato dall’RX con un margine di sicurezza (typ. 3dB). Adeguatezza della banda passante della fibra (Nota5).
L’invenzione della fibra ottica si deve all’inglese di origine indiana Narinder S. Kapany dell’Imperial College di Londra che nel 1955 riuscì nello scopo di convogliare la luce all’interno di un filo di vetro.(Nota 6) Purtroppo le fibre ottiche sperimentali avevano perdite troppo elevate (1000 dB/Km) e non ne permisero un immediato utilizzo pratico. Si deve all’americana Corning Inc. www.lasertroninc.com  lo sviluppo di fibre a bassa perdita (20 dB/Km) che decretò l’inizio di una nuova era delle comunicazioni (1970). Attualmente si possono ottenere valori di attenuazione di 0,15 dB/Km.
Le fibre ottiche trovarono la prima applicazione in campo medico. Nel 1972 Vennero prodotti  gli endoscopi flessibili o fibroscopi. Strumenti atti alla esplorazione visiva di cavità altrimenti non accessibili alla osservazione diretta. L’associazione della tecnica a fibre ottiche con quella del LASER causarono una svolta fondamentale nelle procedure terapeutiche e soprattutto in ambito chirurgico. Questa tecnica permette, oltre alla visione, di saldare, cauterizzare ed asportare tessuti con la massima precisione.  Nell’aprile 1977 la Compagnia dei telefoni  della California inaugurava il primo collegamento mediante fibra ottica. Questo cavo misurava 8850 m. Nel 1980 il primo sistema di cavi transoceanici poteva trasmettere 45 megabit/sec. Nel 1988 il TAT-8 arrivava a 2 x 140 megabit/sec. Il TAT-9 del 1992 raddoppiava la portata. Il FLAG (Fiber – Optic Link Around the Globe) è un cavo doppio di soli due cm. di diametro. Si estende ininterrottamente per 28000 Km dalla Gran Bretagna al Giappone collegando l’Europa e l’Asia seguendo un percorso quasi esclusivamente sottomarino. E’ costituito da due coppiole di fibre operanti a 5 gigabit/sec (Fig.9).
Cavo FLAG
E’ in grado di far transitare 120000 circuiti digitali a 64 kbit/sec. e più di 600000 comunicazioni telefoniche operanti simultaneamente.E’ in fase finale di costruzione una ulteriore tratta atlantica (Flag-Atlantic1) e si prevede per il 2002 la messa in in servizio della tratta che attraverserà l’oceano Pacifico (FLAG - Pacific1). Allego una mappa mondiale che rappresenta gli ormai innumerevoli cavi a fibra ottica che hanno fatto della Terra un gigantesco gomitolo. Essi ci consentono di comunicare e collegare con sicurezza e affidabilità tutti i continenti del globo.(Fig.10)
Cavo FLAG
Le reti di domani saranno certamente più veloci, supporteranno un grande numero di applicazioni per un sempre maggiore numero di utenti. E’ facile ipotizzare che la fibra ottica presto entrerà in tutte le nostre case (Fiber-to-the-desk). La connessione ottica via cavo e i calcolatori multiprocessor della prossima generazione permetteranno  di accedere a nuovi media quali il video on demand/realtime ad alta risoluzione/3d, internet2, il video-telefono/conferenza.

Nota1 – I kit G.P.E MK980 /TX  e MK980 /RX rispettivamente Trasmettitore e ricevitore audio a raggi infrarossi e l’ MK 1420 analizzatore per telecomandi IR Essi offrono buoni spunti per iniziare la sperimentazione. GPE KIT via Faentina 175A – 48010 Fornace Zarattini - RA
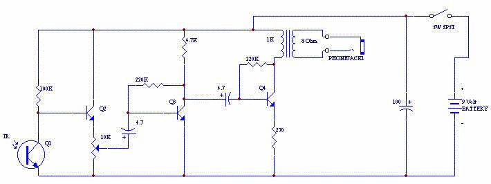
Per chi preferisce fare da se, allego gli schemi di un semplice RTX IR (Figg. 11 e 12).
RX IR
 

TX IR
I transistor impiegati sono tutti 2N2222. Il fototransistor e il LED IR possono essere ricuperati da vecchie TV. Per ulteriori dettagli vedere http://members.tripod.com/xexorz/schematics/irtransmit.html
e [email protected]

Nota 2 – Le caratteristiche che contraddistinguono una fibra ottica riscontrabili su data sheet sono (oltre al prezzo):
Core Refractive Index (n1),
Clad Refractive Index (n2),
Numerical Aperture (n12- n22)1/2,
Attenuation typ.(dB/km),
Max. Attenuation (dB/m),
Acceptance Angle (2sin –1(NA)),
Fiber Dia (?m)
Core Dia (micron)
Outer Dia (mm)
Operating Temperature (°C)
Minimum Radius of Bend (n.* Outer Dia)
Jacket      (material)

Nota 3- La fibra ottica è il dispositivo disponibile con più ampia banda passante. La ITU International Telecomunication Union ha stabilito le lunghezze d’onda dei segnali che vengono trasmessi in fibra ottica con la tecnica del Multiplexing (typical 200GHz).
La tecnologia DWDM Dense Wawelenght Division Multiplexing incrementa la capacità di una singola fibra ottica fino a 32 volte. Si usano differenti lunghezze d’onda (o colori) separati da 1,6 nm come portante di ogni segnale (per la finestra III, a partire da 1561,4193 nm. canale 20). Segnali multipli possono così essere trasmessi simultaneamente sopra una singola fibra ottica.

Nota 4- Chi volesse cimentarsi nella sperimentazione con fibre ottiche può avvalersi dei kit didattici  commercializzati da Edmund Industrial Optics. K53-883 (fibre ottiche di vario tipo e lunghezza) K38-650 (15KHz  digital link + manual) K38-651(simplex TTL/CMOS active link ) K38-300 (voice link )
Edmund Industrial Optics - 101E Glouchester Pike, Barrington, N.J. USA
www.edmundoptics.com e-mail: [email protected] o [email protected]
ATTENZIONE a NON GUARDARE all’interno della fibra ottica senza sapere esattamente cosa c’è dall’altra parte. Ossia quale è la sorgente luminosa. Una disattenzione può danneggiare seriamente la vista. Se la sorgente è un LED o una lampadina non c’è alcun pericolo ma nel caso di luce ad alta intensità e concentrata come nel caso del LASER la retina dell’occhio può subire seri danni.

Nota5 –La larghezza di banda per le fibre comuni varia da alcuni MHz/Km per le fibre con core “largo”, a centinaia di MHz/Km per le fibre standard multimodo a migliaia di MHz/Km per le fibre monomodo. Così come la lunghezza del cavo si incrementa, la sua larghezza di banda  decresce proporzionalmente. Per esempio un cavo in fibra multimodo che può supportare 500MHz di larghezza di banda  a una distanza di un Km potrà solamente supportare 250 MHz a 2 Km e 100 MHz  a 5 Km. Il fenomeno della riduzione di banda passante dovuto alla distanza è molto meno significativo nelle fibre monomodo e in generale non costituisce un problema.

Nota 6 -La base delle ricerche di Narinder Kapany fu l’esperimento compiuto dal fisico irlandese John Tyndall (1820 – 1893) che nel 1870 dimostrò un fenomeno che sembrava contraddire la trasmissione della luce in linea retta. Egli proiettò un fascio di luce sul lato trasparente di un contenitore di acqua nella cui parete opposta aveva praticato un forellino. Un piccolo getto di acqua cadeva quindi sul pavimento e la luce seguiva la traiettoria curva dello zampillo (light pipe), riflettendosi al suo interno. Nel caso dell’ esperimento di Tyndall i due elementi a diverso indice di rifrazione ottica erano l’acqua e l’aria. John Tyndall è famoso per i suoi studi sulle proprietà radiative dei gas ma il maggior merito che andrebbe attribuito a questo grande scienziato è che egli fu forse il primo a tentare la diffusione popolare della scienza fisica. Era molto abile a ipotizzare figure ed esempi che spiegavano con semplicità concetti fisici. Egli giunse persino a prevedere l’impiego della trasmissione ottica nelle comunicazioni.

 
 

Testi:
Optoelectronics – An introduction, J.Wilson and J.F.B. Hawkes, Prentice Hall
Fundamentals of Photonics, B.E.A. Saleh and M.C.Teich, Wiley
Optical Communication System, J.Gowar, Prentice Hall
 
 

@_giancarlo_paparella_2001

Questo articolo è stato pubblicato su Radio Rivista  n.2-2002
 
 


Ritorna all'inizio pagina
 
 
 
 

Alla pagina InizialeInvia e-mail a IK1ZOY