Uso di un servocomando per uso modellistico per telecomandare un variabile (loop magnetiche, accordatori, ...)
utilizzabile anche per potenziometri o altri azionamenti


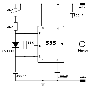
Tre circuiti di comando di diversa complessita'.
Il servocomando puo' essere tipo Micro, Mini, Standard o Super in funzione dello sforzo richiesto.
Un servo Standard e' grande 40 x 20 x 35 millimetri, la coppia di torsione e' di 3.5 kg/cm, e costa circa 12 Euro


















i0ady/2003