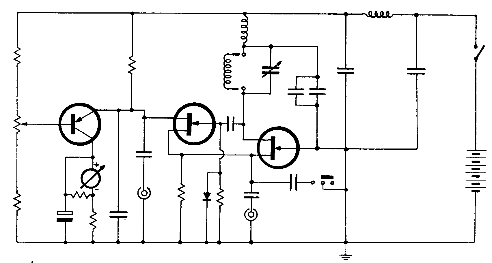
Grid Dip di Carlo Grippo (fine anni '70)

i0ady/2003