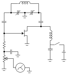
Grid Dip da ARRL Handbook (fine anni '70 - inizio '80)


i0ady/2003