136 kHz one knob QRSS receiver
By Claudio Pozzi, IK2PII - August 2003
1. Introduction
- I don't like knobs, pushbuttons, blinking leds and so
on whistles and bells on the receivers front panels.
- Here, in north Italy, 136 kHz activity is possible mainly in computer assisted modes (QRSS, DFCW, JASON, Hellscriber).
- For digital modes the ideal receiver must be very simple,
front end selectivity, manually adjustable gain, IF filter.
All the goodies you can find on the HF receivers can be done by software.
- In my junk box there were one surplus 1.4 MHz, 3 kHz wide Xtal filter,
too large for SSB equipments but ready to pass all the 136 kHz band,
and some DBM mixers.
2. Front end.
This is a classic circuit and can also be used as up-converter for commercial
receivers.
Transistor Q100 provide some gain and compensate for filter and mixer loss.
If you have intermodulation problems, insert a 6 to 10 dB pad between
C104 and MIX100.
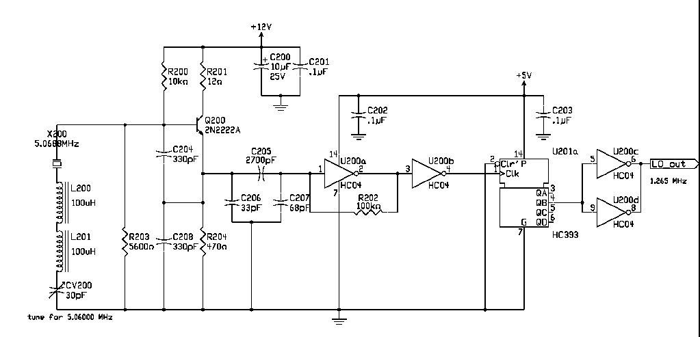
3. Local oscillator
The only easy to find xtal was 5.0688 MHz. Pull it down to 5.060000 MHz and
divide by 4 and voila the LO frequency of 1.265 MHz.
Pulling down xtal oscillator need a properly designed circuit.
Ring diodes DBM can be driven from square wave local oscillator.
4. IF amplifier
This also is classic, coming from some ARRL Handbook.
The transformer T302 adapt the 50 ohm pad impedance to the impedance of
the xtal filter, about 800 ohm.
The knob is used to adjust the gain by means of V300. Note that the
gain adjusting voltage must not be less than 2.0 V, otherwise the CA3328
become an "attenuator and noise generator" (2 hours lost time!).
The gain adjusting range is about 30 dB.
5. Product detector
The xtal filter require a beat frequency of 1.4000 MHz, so one 14.000MHz
xtal divided by 5 and by 2 provide the BFO signal.
The audio gain can be adjusted changing R402, if you like knobs replace it with
a 47 kohm variable resistor with 1 kohm resistor in series.
U402, a low noise OP-AMP, can drive my PC audio board, with one modem savaged
600 ohm 1:1 transformer added for safety.
6. Some measures
The test bed is very simple:
- one xtal controlled 137.500 signal generator, with an output attenuator
adjusted for -100 dBu (7.75 microvolt or -89.2 dBm on 50 ohm).
- one Siemens D2057 selective level meter, with IF bandwith about 60 Hz, frequency range from 200 Hz to 1600 kHz.
The D2057 is used in selective mode to measure the audio output of the receiver at 2500 Hz.
With gain at maximum the output level is -14 dBu (154.5 mV or -3.3 dBm on 50 ohm), so the gain is 86 dB.
With gain at minimum the output level is -42 dBu (6.15 mV or -33 dBm on 50 ohm), so the gain is 58 dB.
The receiver gain adjusting range is 28 dB, but I can adjust other 20 dB using
the PC audio board mixer controls.
7. "Variazioni sul tema"
The OK QRSS RX buildings blocks can be arranged depending your
available components. The only expensive object is the xtal filter.
If you have replaced the xtal filter in your Xmas tree HF receiver give it a new life.
Look also at next fleamarket for some old SSB 27 MHz transceivers, and put it
in advanced job.
this page has been checked with weblint