| Inizio | Chi sono | Attività VHF | Shack Radio | Surplus Militare | ATV | NDB | Meteo | Photo Gallery | Marconi | Download | Link |


 

IKØXCC Download page

 

 

MAPPE LOG CARTACEO MANUALI
amateur_radio_map.pdf contest_page_module.pdf bird43_diagram_1.jpg
locators_map_italia.jpg log_stazione_stile_milag.pdf bird43_diagram_2.jpg
radio_map.jpg milag_log.pdf dk7zb 9 elements yagi dual band.pdf
arrl_was_map.jpg  

 

     
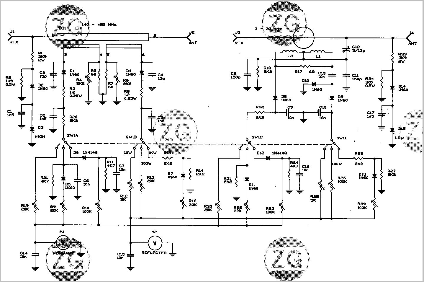
NORMATIVA GRAFICA SCHEMI ELETTRICI
decredo 2003.pdf radiation_radio_waves_hazard_symbol.png ZG modello 700 schema elettrico
  3 KV_danger_sign.pdf ZG modello 700 taratura SWR
 
     
UTILITA'    
Programmazione Subtoni CTSS DCS per Dynascan P-72, Kydera KD200UV, Proxel KD200UV, Cignus CG-828TY    
Sigle dei connettori e transizioni RF    
Tabella attenuazione cavi coassiali    
APRS symbol CPS AnyTone 878 VUII Plus    
APRS symbol table    
FASTAEDI.EXE