Serieller Servocontroller mit AT90S1200

das prograemmchen fuer den atmel avr at90s1200 steuert 8 modellbauservos an den ports PB0 bis PB7.

Ansicht des avr asm files.

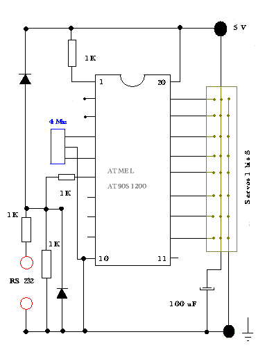
Schaltbild

Download des avr asm files und des testprogramms.

die daten fuer die servos werden an pin PD2 seriell empfangen, 9600baud,8bit,noparity.

das programm serialservo.exe dient zu testzwecken. das serielle format ist:

1. byte 255 (0xff) -> syncbyte
2. byte 1 bis 8 -> servoauswahl
3. byte 0 bis 254 -> servoposition

ueber zwei taster an den pins PD0 und PD1 kann das erste servo auch von hand gesteuert werden.

die rot eingezeichneten kontakte gehen direkt auf die serielle 9-pol buchse, pin 2 oder 3 und 5 als masse.

das blaue dings ist ein 4Mhz keramikschwinger.

Wie man die servos ueber internet steuert

Ansicht der aufgebauten hardware.