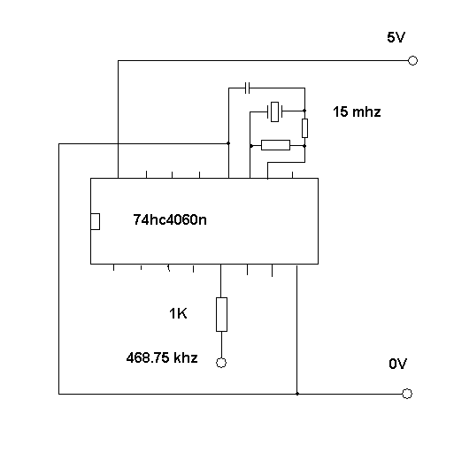
DRM converter LO


The simple Crystal LO generator is a 15mhz crystal and a /32 divider.