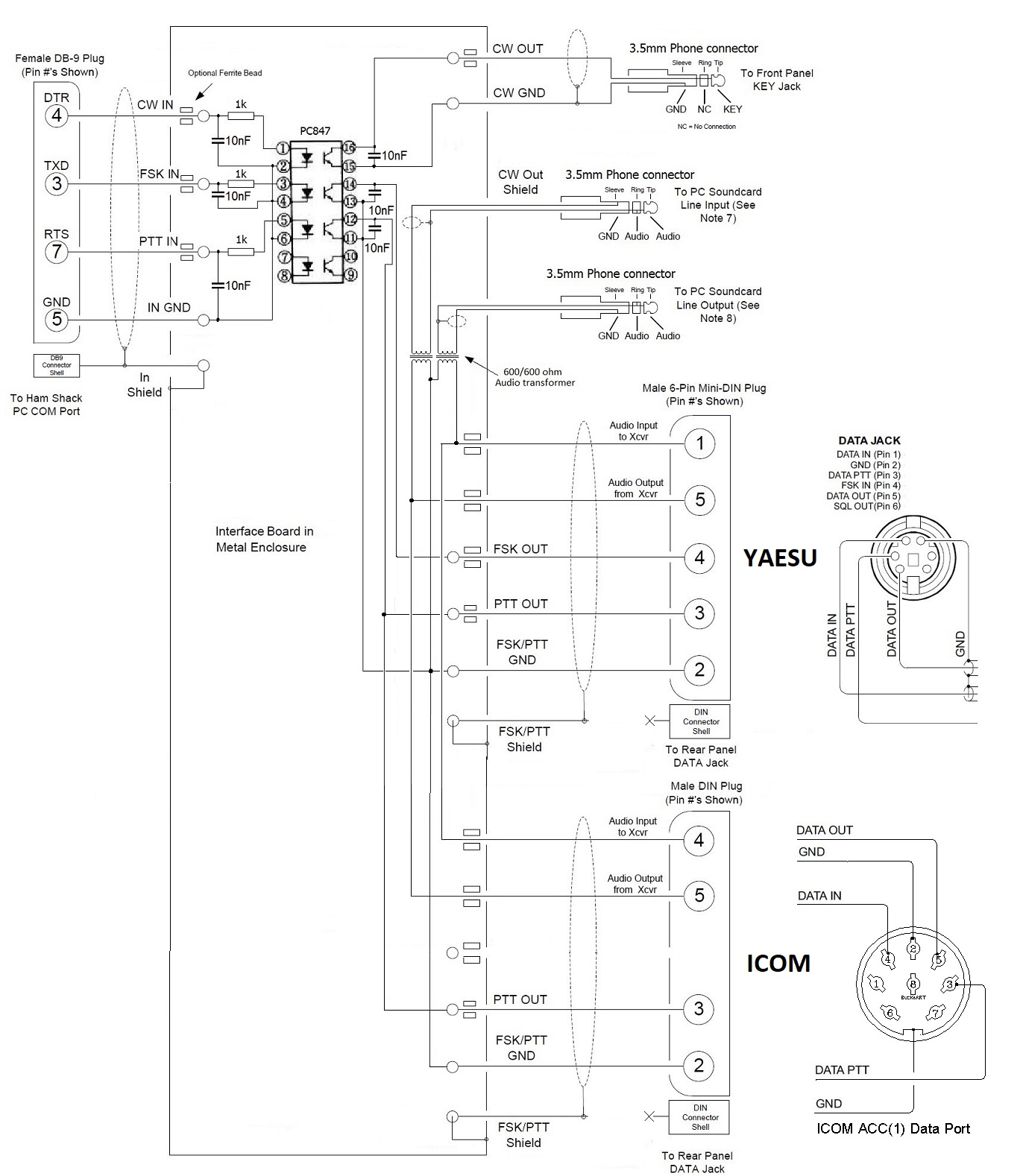
Digimode Interface for YAESU FT-450D or an old ICOM Radios


Build an cheap interface for YAESU or old ICOM radio FT8,FT4,SSTV,RTTY,etc mode communications. This is a simple weekend project. Not a big challenge to build.The wiring diagram is simplified for beginner builders.


After several years of using this modem with complete satisfaction for my new radio, I wanted to make it suitable for my old ICOM FT-275E radio in the vhf bands. The older radio does not have a good interface for digital modes, thus a need buy an adapter or build your own.
Fortunately only a minor modification was needed. It can now be used for both devices, but only one radio should ever be switched on!




Some QSOs....