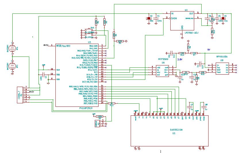
Altitude and steepness meter for my bycicle
Key parameters:
Powered by 2 CR2450 Li Coin battery.
Battery Lifetime about 8000 km - very low current consumption
Barometric sensor : MPX6115A
Analog-digital converter : MCP3550
Resolution : 10 cm
Displayed data:
- altitude
- total gain of altitude
- air pressure
- steepness in %
There is a conventional sensor (reed relay) installed to the fork. It is actuated by a magnet in every turning.
The
reed relay contact give an impulse to the internal counter of the PIC.
This counter will overflow when the number of impulse is equal
50meter/wheel circumference. The overflow will wake up the PIC and the
MPX6115A sensor and the display will be switched on. The PIC computing
the altitude from the measured sensor data and send to the lcd display.
The steepness is calculated from the actual and the previous (before 50 meter) data. If the steepness is positive the difference of the previous altidude will be added to the total gain of altitude.
Prototype photo

