MICROPHONE CONNECTION INFO.
IF YOU HAVE ANY MICROPHONE INFORMATION YOU WOULD LIKE TO ADD 
 
TO HELP OTHER RADIO AMATEURS-PLEASE E-MAIL ME.   G4WPW
 WARNING ! 
While every effort has been made to check this information for errors, I accept no responsiblity for any
problems that may result from using this information.
 
 

KENWOOD MC30-MC35 MICROPHONE.
KENWOOD MC44 MICROPHONE.
KENWOOD MC45 MICROPHONE.
KENWOOD MC46 MICROPHONE.
KENWOOD MC80 MICROPHONE.
KENWOOD MC60 MICROPHONE. 
KENWOOD TH22A SPEAKER/MIC.
KENWOOD TH78A SPEAKER/MIC.
KENWOOD MODELS.
TS120S-120V-700G-700S-130S-130V-490-520S-530S-820S-830S-
TR2300-TR2200-TR7200-TR7400A-TR7500
PIN1       MIC
PIN2       PTT
PIN3       PTT/EARTH
PIN4       SCREEN AND EARTH
7 PIN REMOTE PLUG/SOCKET.
TS120-130-140-180-430-440-450-530-570-680-690-830-870-940-950.
PIN1        SPEAKER OUT
PIN2        RELAY COMMON GROUND/EARTH
PIN3        PTT FOR FOOT SWITCH
PIN4        RELAY CLOSED ON TRANSMIT
PIN5        RELAY OPEN ON TRANSMIT
PIN6        ALC INPUT
PIN7        +12VOLTS ON TRANSMIT ( 10 Ma Max )
PLUG        SHELL EARTH.
6 PIN ACC PLUG/SOCKET.
TS-450-690-570-850-870-950.
PIN1        SIGNAL GROUND/EARTH
PIN2        TRANSMIT DATA
PIN3        RECEIVE DATA
PIN4        CTS ENABLE TX
PIN5        RTS ENABLE RX
PIN6        N/C
SHELL       EARTH
 
13 PIN ACC2 PLUG.
TS440-450-680-690-570-711-790-811-850-870-940-950
PIN1         N/C
PIN2         N/C
PIN3         RX AUDIO OUT
PIN4         SCREEN FOR PIN3
PIN5         SQUELCH CONTROL OR N/C
PIN6         S/METER OUTPUT
PIN7         N/C
PIN8         CHASSIS/GROUND
PIN9         PTT- STANDARD MIC INPUT IS MUTED
PIN10        N/C
PIN11        MIC INPUT
PIN12        SCREEN FOR PIN 11
PIN13        PTT- STANDARD MIC INPUT IS ACTIVE
SHELL        EARTH
   
TR9000-9030-9130-9300-9500-7700-7730-7750-7800-7850-7930-7950-8400
PIN1        MIC
PIN2        PTT
PIN3        DOWN
PIN6/CENTER EARTH
PIN4        UP
PIN5        NC + 8VOLT SOME MODELS
TR7600-TR7625
PIN1         MIC
PIN2         PTT
PIN3         N/C
PIN4         CHASSIS/GROUND
PIN5         MIC SCREEN
 
TS-50-60-140-430-440-450-570-660-670-780-930-430-670-711
TS-811-850-870-930-940-950-440-701-790-680-690
TR-3200-7900-7950-50-751-851
TM-201A-201B-401A-TM401B-211-221-231-241-321-331-3530-421-431-441-521-531-541
TM-621-631-701-721-731-2530-2550-2570
TW4000-4100
PIN1        MIC
PIN7.8      SCREEN EARTH
PIN2        PTT
PIN3        DOWN
PIN4        UP
PIN5.6      NC + 8VOLT SOME MODELS
MODULAR MIC PLUG/SOCKET.
TM-251-255-261-451-455-461-641-642-732-733-741-742-941-942
TMG-707.
V7A.

JRC JST-135.
PIN1        MIC UP
PIN2        NC
PIN3        MIC DOWN
PIN4        + 9 VOLTS
PIN5        PTT EARTH
PIN6        PTT
PIN7        MIC EARTH
PIN8        MIC
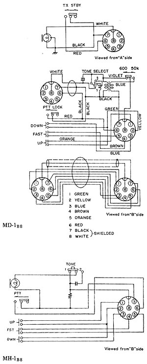
YAESU- MD-1B8. MH-1B8 . Microphones. 
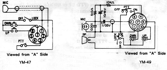
YAESU- YM47. YM49.  Microphones.
YEASU- YM50.  Microphone.
YAESU- YM34.YM35.YM36.YM37.YM38 . Microphones
YAESU MODELS.
FT736-FT747GX-FT757GX-FT650-FT767-FT890-FT920-FT990-FT990D
FT480R-FT847-FT1000-FT1000D-FT1000MP + MKV
PIN1        MIC UP
PIN2        EARTH (+ 5VOLTS FT847-FT920-FT1000MP )
PIN3        DOWN
PIN4        FAST SCAN
PIN5        EARTH
PIN6        PTT
PIN7        SCREEN/EARTH
PIN8        MIC
YAESU FT221R.FT101B.FT101E.FT101Z.FT101ZD.FT902.FT902DM.
PIN1       MIC SCREEN/EARTH ( PTT EARTH ON FT101B/101E.FT101Z/101ZD.FT902/902DM.)         
PIN2       MIC
PIN3       PTT
PIN4       EARTH ON FT221R.( N/C ON FT101Z/101ZD.FT101B/101E.FT902/902DM. )
YAESU FT840.FT2200.FT990.
8 PIN CONNECTOR.
PIN4       (external speaker some models)(black)        
PIN6       PTT (red)
PIN7       GRND (green)
PIN8       MIC (yellow)
YAESU FT2400.FT2500.
8 PIN CONNECTOR.
PIN2       (external speaker some models)(black)        
PIN3       PTT (red)
PIN5       GRND (green)
PIN4       MIC (yellow)
YAESU FT290R-FT730-FT790R
PIN1       MIC SCREEN/EARTH
PIN2       MIC
PIN3       PTT
PIN4       + 12VOLT ( + 5VOLT FT730 )
PIN5       SPEAKER
PIN6       UP
PIN7       DOWN
 
YAESU FT708R-FT208R HAND HELD.
PIN1        MIC ( white )
PIN2        SPEAKER ( black )
PIN3        PTT ( red )
PIN4        MIC SCREEN
PIN5        NC
PIN6        SPEAKER ( blue )
YAESU-FT100-FT90-FT8100 ( Modular Plug )
PIN1         Multi-function switching for P,P1,P2 SW2. 
PIN2         N.C. 9600bps packet data out FT90
PIN3         + 9VOLT
PIN4         EARTH
PIN5         MIC.
PIN6         SW1.PTT,UP,DOWN,Acc

diagram g4wpw
YAESU FT100 SERIES DATA SOCKET CONNECTIONS.
YAESU-FT897 ( Modular Plug )
PIN1         DOWN
PIN2         UP
PIN3         + 5VOLT
PIN4         MIC EARTH
PIN5         MIC
PIN6         PTT
PIN7         GROUND
PIN8         FAST SCAN
 
ICOM MODELS.
IC7400-IC746-IC756PRO-IC7800
PIN1       MIC + DC VOLTS FOR ICOM ONLY MICROPHONE
PIN2       + 8VOLTS 10Ma TO AVOID DAMAGING THE REGULATOR DO NOT SHORT TO GROUND 
PIN3       UP/DOWN
PIN4       SQUELCH
PIN5       PTT
PIN6       GROUND
PIN7       MIC SCREEN/EARTH
PIN8       AUDIO OUT
ICOM-IC706-IC2000-IC706MK2 (Modular Plug )
PIN1       + 8VOLT
PIN2       UP/DOWN
PIN3       AUDIO OUT
PIN4       PTT
PIN5       MIC GROUND
PIN6       MIC
PIN7       GROUND/EARTH
PIN8       SQUELCH
IC-202-215-22S-245-280-402-502
PIN1       MIC (yellow)
PIN2       PTT (red )
external speaker plug ( green)       
PIN4       GROUND.(black)
ICOM-IC-271A-271E-1201-1271-1275-228-229-22U-2400-25-27-28-2500-255-260-290-3200
IC-3210-3220-37A-38A-375-45-47-471-475-48-490-505-551-560-575-707-720-725-726-728
IC-729-730-735-737-740-745-751-761-765-781-901.
PIN1       MIC (yellow)
PIN2       REPEATER TONE
PIN3       UP/DOWN
PIN4       N/C
PIN5       PTT(red)
PIN6       EARTH (black)
PIN7       MIC SCREEN
PIN8       N/C (green)(external speaker some models )
ICOM-IC251E-IC451E
PIN1       MIC ( white. connection at + 9VOLTS  above earth )
PIN2       NC
PIN3       NC
PIN4       NC 
PIN5       PTT ( red )
PIN6       PTT ( black )
PIN7       MIC SCREEN
PIN8       NC
  
ICOM... SM20 MIC CONNECTIONS.
ICOM... IC-HM12 MIC CONNECTIONS.
ICOM... IC-HM15 CONNECTIONS.
IC-821H....HM12 MIC CONNECTIONS.
IC-821H.... ACC SOCKET CONNECTIONS.
ALINCO MODELS.
 
ALINCO DX70-DX70T-DR150TE-DR430-DR510-DR570-DR590-DR592T-DR599T-DR600T-
  ALR22H-ALD24T-ALR22T-ALR72T-DR110-DR112       
PIN1       MIC
PIN2       PTT
PIN3       DOWN
PIN4       UP
PIN5       + 5VOLT
PIN6       AUDIO OUT ( remote DR150TE )
PIN7       MIC SCREEN/EARTH
PIN8       EARTH
RADIO SHACK.
 
 RADIO SHACK.  RJ45 CONNECTOR
 Models HTX-212.HTX242.
PIN2       GROUND/EARTH (black)
green      EXTERNAL SPEAKER
PIN5       MIC (yellow)
PIN6       PTT (red)
MFJ.
 
 MFJ-8621. DATA CONNECTIONS. Must be configured for 1200 baud operation.  
Note:This radio has un-squelched output.use "software DCD"
PIN1       AFSK In (yellow)
PIN2       GROUND/EARTH (black)
PIN3       PTT (red)
PIN4       AFSK Out (green)
ALINCO DR605 ( Modular Plug )
PIN1        + 5VOLT
PIN2        DOWN
PIN3        N/C
PIN4        PTT
PIN5        MIC EARTH
PIN6        MIC
PIN7        GROUND/EARTH
PIN8        UP
ALINCO 22T/E.24E/T
PIN1         MIC
PIN2         PTT
PIN3         DOWN
PIN4         UP
PIN5         + 8VOLT
PIN6         N/C
PIN7         MIC EARTH
PIN8         GROUND
ALINCO EMS-14. -  ADONIS AM-508E. -WATSON AM308 MICROPHONES.
YELLOW   MIC
SCREEN   EARTH (ground)
GREY     PTT ( + VOLTAGE FEED ON ADONIS D80 )
BLUE     PTT EARTH ON WATSON 308.   
PURPLE   PTT EARTH (ground)
GREEN    MIC UP
ORANGE   COMMON (connect to ground)
WHITE    MIC DOWN ( + VOLTS WATSON AM-308 )
BLACK    MIC DOWN ON WATSON AM-308 
RED      + VOLTS FEED( PTT ON ADONIS D80 AND WATSON AM-308 )
ADONIS AM708E.

diagram g4wpw
DRAKE TR7
PIN 1     MIC.
PIN 2     PTT.
PIN 3/4   EARTH/GROUND.
 
SURE 444.

( more to follow later.)
MORE SHURE MICROPHONE CONNECTION INFO.
CB MICROPHONE CONNECTION INFO.