G4USP

Page last updated: 23/05/2013

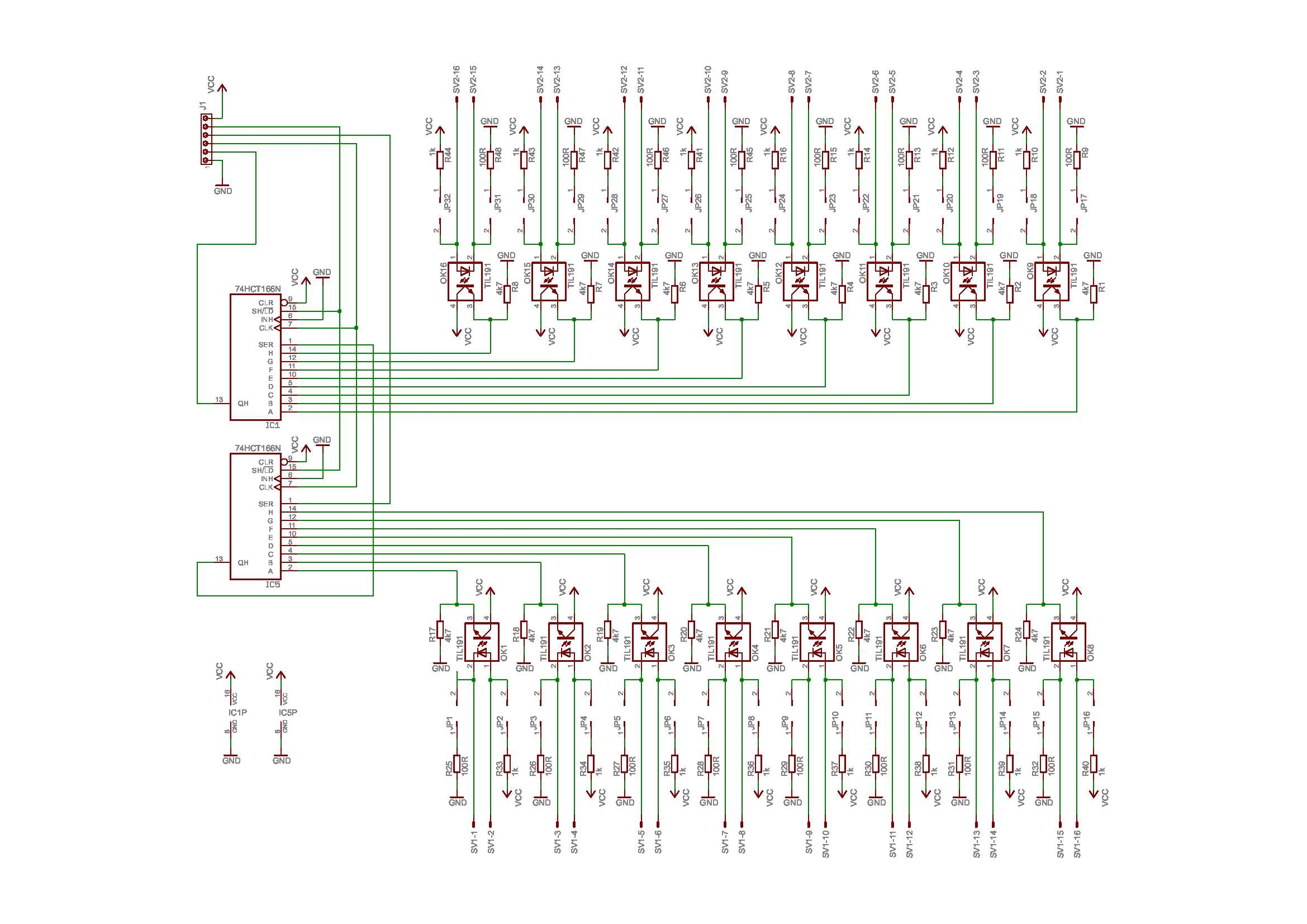
Clocked Serial IO 16 Relay Driver schematic

BACK  HOME