
This R.F. probe allows RF to be measured in the presence of d.c. The germanium diode should be tested for high reverse resistance, otherwise misleading results may be obtained. The 100pf capacitor should be capable of withstanding the highest dc voltage which is likely to be met. The 1M ohm and 0.001uF capacitor act as a low pass filter to prevent RF entering the Digital Voltmeter.
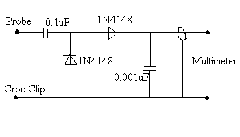
An alternative circuit is shown below, again the probe should be in a screened enclosure and the connection to the DVM should be screened lead.
