G3PTO 7Mhz RECEIVER



I decided to build this receiver, having become totally disatisfied with the TS120 receivers performance on 7Mhz.
The main requirements were to eliminate all the BC cross-mod and to get very good selectivity and good bandspread on this very restricted band, not helped by the fact that the QRP suggested frequencies of 7.030Mhz and 7.040Mhz have been polluted by the digi freaks with their racket radio etc.

I took the advice of the experts, Sheldon Hands (Hands Kits), and decided to use double balanced mixers where ever possible, fortunately I have a small stock of the now defunct SL6440, and by using it in the fully balanced configuration achieved the results that I was seeking.
To see the circuits of each module, click on links below:

1st Mixer

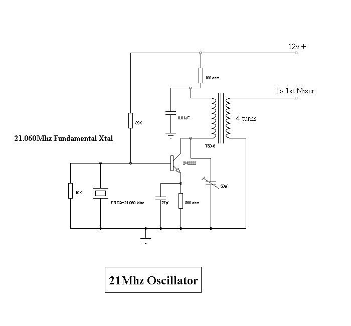
21Mhz Oscillator

14Mhz Low Noise RF Amp

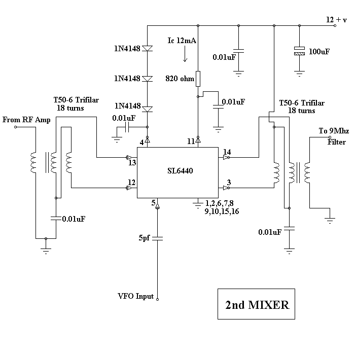
2nd Mixer

9Mhz Filter

IF Amp

Product Detector

Crystal Insertion Oscillator

AF Amplifier

Construction was the "Ugly bug" method. Just layout the design on the PCB as per the circuit diagram.