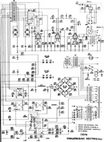
Измеритель амлитудно-частотных характеристик Х1-1А


Столкнулся с проблемой поиска и интернете схемы на старенький измеритель АЧХ Х1-1А. После долгих изысканий всётаки схема была найдена в Питере и выслана в Минск. Как оказалось позже - была в наличии в соседнем квартале у EU1GC, а в соседнем же доме от того, где была в наличии - требовалась EW1FM :)
Огромное спасибо Алексу Акимову из Питера за схему и "ФИДОнету" за поддержку :)

go head page