PIC16F876 miniTNC


 Modemless TNC V1[1]_R2.zip 
 MODEMLESS PACKET RADIO Terminal Node Controller
 c 2004 Bob Ball WB8WGA. (sourse code for PIC16F88)
 
 Modemless TNC V1[1]_R2_876.zip
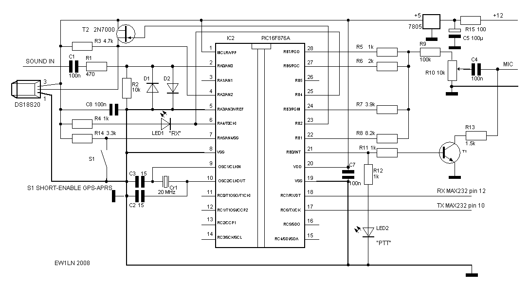
 MODEMLESS PACKET RADIO Terminal Node Controller 
 for PIC16F876(A) sourse and hex files.
 
 Not tested with DS18S20 !
 to disable DS18S20, connect pin 4 (RA2) to ground.
 to enable GPS - short S1 switch
  APRS beacon tested with GARMIN GPS-35 RS-232 at 9600 and $GPGGA & $GPRMC

1: fm EW1LN-1 to APRS ctl UI pid=F0(Text) len 71
$GPGGA,203253,5353.7856,N,02726.5642,E,0,00,,,M,,M,,*50
1: fm EW1LN-1 to APRS ctl UI pid=F0(Text) len 71
$GPGGA,203355,5353.7856,N,02726.5642,E,0,00,,,M,,M,,*57

1: fm EW1LN-1 to APRS ctl UI pid=F0(Text) len 71
$GPRMC,204526,V,5353.7856,N,02726.5642,E,000.0,000.0,160309,005.7,E*61
1: fm EW1LN-1 to APRS ctl UI pid=F0(Text) len 71
$GPRMC,204629,V,5353.7856,N,02726.5642,E,000.0,000.0,160309,005.7,E*6D

 

go head page