High-speed Packet-Radio -
a Transceiverkonzept for the 70cm tape

Martin Liebeck, DL2ZBN @ DB0GV, Ingelheimerstr. 1, 64295 Darmstadt,
Alexander Kurpiers, DL8AAU @ DB0ZDF, Brahms-way 14, 64287 Darmstadt,

Summary

A Transceiverkonzept is introduced for Duplexbetrieb, that enables data-transfer with baud rates about 100kBaud in the 70cm-Band.

1 high-speed Packet-Radio--to what?

Narrow-band-network-entries in the 25kHz grid with 9600 or 1200 bauds have already belonged for over 15 years to the stand of the technology and have established in wide parts of Europe surface-covering.

That extend to the Connecten of a DX-Clusters, a Conversrunde or a Mailbox with an ASCII-terminal at present, transfer-speeds would use mostly from. However for many possible new applications, entries are too slow also 9600 bauds about the factor 10.

Exemplary for such applications is Mailboxens here with HTML-Oberfl�che, digitale language-transfer or also real-time picture-transfer with ISDN-Qualit�t named. The construction of Linkstrecken, that suffices these requests, already strides ahead. What is fully missing until now still, is efficient user-accesses.

2 request-profiles

At present, only one single canal is planned wide band-entry with 200kHz spreads in the 70cm-Band for pack. Since not probably reckoning with more canals in foreseeable time is, the Transceiver can be lent to Einkanalbetrieb and so that slips an operator-surface to the frequency-attitude. The Transceiver shall on Digi however - and on Userseite employable is.

The S/E - Umschaltzeit should be small 1ms in order to give not away the advantages of the high transfer-speed through long TX-Delay times again.

If comparable hinterlands should be reached entries with 9600 bauds, the S/N must be because of the bigger spread because of the receiver about approximately 10dB higher. This can be reached by increase of the Sendeleistung about 10dB or through the application of scanners. (Because of the higher throughput has an effect echoes through Mehrwegeempfang more strongly and the application of scanners will be therefore anyway mostly necessary. The Digipeaters becomes draw near geographically because of the Duplexbetriebes on only one canal lies. Is desirable an as low as possible performance and the application of scanners also from this reason with the User). Since no experiences are still available here, the first attempts will take place with approximately 20W Ausgangsleistungs. Another final stage with 1 to 2W Sendeleistungs is planned.

The Transceiver should suffice therefore following requests:

Spread 200kHz
Modulation-type FSK
Baud rate 76k8 to 115k2
Modulation-spread 100Hz - 120kHz
S/E-Umschaltzeit <1ms
Canals 1, umschaltbar for Digi or User,
HF-Ausgangsleistung 20W, (perhaps reducible on 1-2W)
Business-tension 12V

3 rough copies

3.1 sender

A bigger attention with the concept-establishing earns the sender-page preparation of a fast FSK-Signals, if is demanded equally-in the time of a short Sende-Empfangs-Umschaltzeit. A VCXO is modulated directly in practically all Bauvorschl�gen for narrow-band-concepts and is multiplied his frequency then, high-mixed or used as reference for a very fast PLL, which can the modulation-signal �bertragen. Quartzes own an outstanding short-time-stability because of her/its/their high circle-kindliness, yielding phase-spins are only themselves because of her/its/their additional-resonances and that from it until at most approximately 50 kBauds however (keynote) modulierbar. For the striven for baud rates, a direct quartz-modulation doesn't come in consideration therefore.

Another possibility to generate a FSK signal is the modulation of a VCO, that is stabilized with a slow PLL. On this occasion, however only frequencies can become aufmodulierts, that lie over the frequency of the sharpen-filter of the PLL. Deeper frequencies simply become ausgeregelts from the PLL. On the other hand, the frequency of the sharpen-filter must for small S/E - Umschaltzeiten as high as possible is chosen. A S/E - Umschaltzeit of small 1ms and simultaneously a Modulierbarkeit until under 100Hz is not attainable with a PLL. As solution, two separate PLLses offer themselves for RX and TX. Since these PLLses must not be switched between program and reception, the TX-PLL can slowly and lays out under 100Hz modulierbars with it also with frequencies.

Slow PLLses can only temperature - and alterungsbedingte Langzeitdriftens even out. This necessitates oscillators with a high short-time-stability, because all repercussions on the oscillators, that itself from the S/E - switch yields, no frequency-alterations may evoke. Therefore several buffer-grading must insert between oscillator and first switched step and the care-tensions of the single steps become entkoppelts as well as possible. This is with justifiable expenditure only through division in 3 modules, RX, TX and PA to reach. On this occasion only the final stage is switched.

3.2 receiver

The technology for a matching receiver is adequately known and should not be deepened here further.

We have tried to reach a high reproduction-security through application of modern modules with good technical data. Important goal was a very good Gro�signalfestigkeit and selectivity on this occasion in order to receive no reception-problems also at a good outside-antenna. Especially, C-Netz car-telephone and Intermodulationen through strong Digipeater - or relay-editions can do to manage heavily here.

Since preferably on expensive special-quartzes should be abstained, a PLL is used for the first reception-oscillator. Is specifically necessary one to sharpening quartz in order to mix from the first on the second ZF still unfortunately. After some problems with the procurement suitable filter, that would have enabled the application of a standard-quartz here, was accepted this as the smaller �bel.

3.3 final stages

Since nothing should be switched in the Steuersender, his Ausgangsleistung may be chosen not too high. Otherwise, driven sender of this would still be belonged spatially near at the Digipeater with turned off final stage also. We have chosen 10dBm as Ausgangsleistung for him/it of Steuersender. The final stage must deliver 33dB fortifications therefore approximately. One can either reach this with three transistor-grading or with a transistor-step and a hybrid-module. In order to guarantee a higher reproduction-security, we have decided in favor of the more final solution.

4 realizations

Illustration \ref{gesamt} shows the Zerlegung into the 3 components: Steuersender, receiver and final stage. Sender and receiver are in tinplate-casings of 74 * 111 * 35 mm accommodated. The final stage is installed into an Alu-Druckgu�geh�use with screwed on cool-body.

[Hier wäre ein Bild gewesen!]

Illustration 1: Block-diagram total-concept

4.1 sender

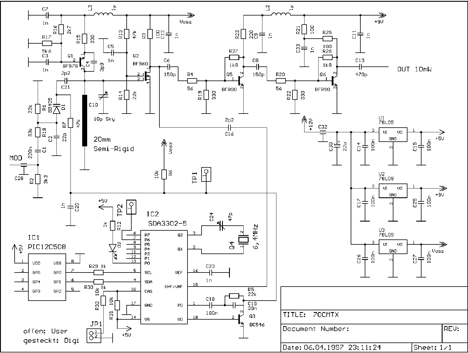
The sender uses in contact at [1] a VCO on the Endfrequenz with one BF979 and a 20mm tall play Semirigid as Schwingkreis-Induktivit�t. The VCO is stabilized with the PLL-IC SDA3302-5 of Siemens. An already quite old component, that was developed for television-tuners and bribes mainly through his/its low price and his/its good Beschaffbarkeit. The sharpen-frequency of the PLL lies with 100Hz. The SDA3302 possesses a solid Vorteiler for the reference-frequency. With him/it would use 6.4MHz quartzes a canal-screen of 100kHz emerges. For other applications, the PLL can be programmed in this screen at will.

[Hier wäre ein Bild gewesen!]

Illustration 2: Block-diagram Steuersender

The programming of the PLL takes place I2C-Bus over one with one PIC12C508 of Arizona micro-chip. This Risc-Prozessor in the 8pol-DIL casing possesses an internal Reset-Logik and also an internal RC-Oszillator to the bar-production. He/it runs with 4MHz and is bored decides horribly with this task.

At the VCO angekoppelt, a buffer-step is BF960, a Dual-Gate Mosfet, with one. This became chosen because of the very low repercussions of exit on the entrance (S12 from now could conclude one, another transistor-step would become for the reinforcement on 10dBm - the demanded performance of the Steuersender - is enough. < -20 dB) und sorgt damit f�r eine gute Entkopplung zum Oszillator. Am Ausgang des BF960 steht eine Leistung von 3dBm zur Verf�gung.

She/it would also become, if the demand still was not after the frequency-stability of the oscillator with load-alteration at the exit of the Steuersender. From this reason, two more buffer-grading still follow with ever one BFR90. Each step has a reinforcement of 11dB. In order to reach an Ausgangsleistung of 10dBm and another Entkopplung, two 7dB pads are still connected in series the intensifier-grading. These provide the intensifier-grading a good adaptation completely additionally as well.

In order to reach a good Entkopplung of the tension-care for the single steps, 3 tension-regulators find application. A 78L05 for the PLL and the processor and per a 78L09 for oscillator and first buffers and for the two BFR90.

With relaxed PLL, a frequency-alteration of clearly under 1kHz is measurable between open exit of the Steuersender and his conclusion with 50Ohm.

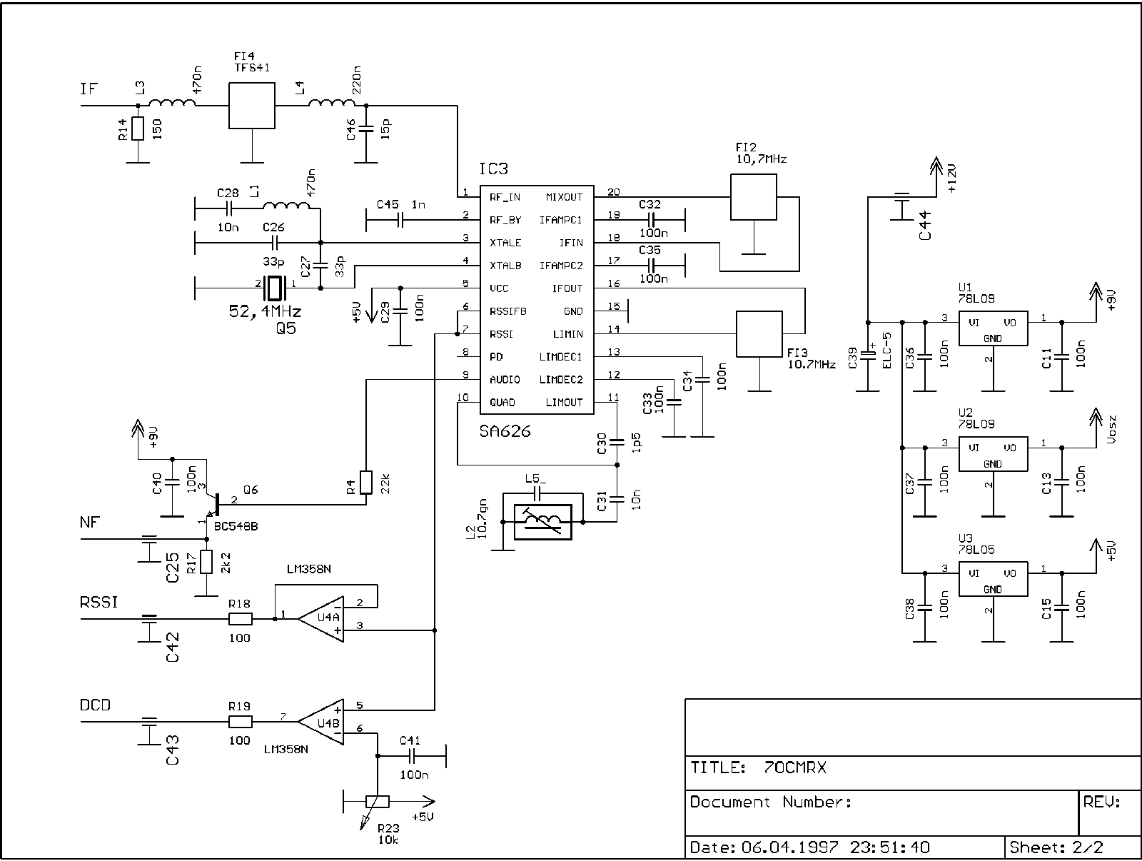
4.2 receiver

As doorstep, a modern Bipolartransistor is put in AT41586 of HP. The erzielbare intoxication-number is sufficiently and the doorstep becomes so big-signal-solid. To the selection and suppression of the mirror-frequency follows a 3-poliges helix-strainer.

From reasons of the �bersteuerungsfestigkeit, we wanted to put in a Fernsehtuner-IC for mixers and oscillator. That in [1] would use TDA5030 is manufactured no longer of Philips meanwhile. First election would have been the TDA5630. Unfortunately, this IC is not beschaffbar at this time, so that is used a TDA5331T. This has a mixer-entrance with a Impedanz close to 50Ohm and a low-ohm-y SAW-Filter driver. Both fits into the receiver-concept well.

[Hier wäre ein Bild gewesen!]

Illustration 1: Block-diagram receiver

The symmetrically based oscillator of the TDA5331 is stabilized with a PLL. One uses like in the sender also a SDA3302-5 of Siemens. This concept is more flexible and also more inexpensive than the usual solution with quartz and Verdreifacher. In the first prototype, a processor, that took on the control of the PLL-ICs in sender and receiver, was intended only in the sender. Since that of us is cheaper than the 4 started PIC12C508 as processor for the external I2C-Bus necessary Durchf�hrungs-Kondensatorens in the meantime, also the receiver receives his/its own PIC. After the programming of the PLL-ICs, the PIC goes become relax in the Sleep-Mode and the Prozessor-Clock. Disturbances of the receiver are not to be been afraid therefore.

A bigger problem tossed up the procurement of a suitable filter for the first ZF with approximately 200kHz spread. We have a SAW-Filter with 41.7MHz in the middle-frequencies after longer search and a spread of 300kHz, that is to be received under 42 weeks also in numbers of pieces of small 1500 and with delivery-times, found. A Me�protokoll is in the appendix. Unfortunately, this is filter relatively expensive. We consider his/its use necessary however, since the User-Empfangsfrequenz lies only barely 300kHz above the relay-editions.

As frequency for the second ZF doesn't come because of the required big spread 455kHz in consideration. With 10.7MHz, ceramics-filters stand for radio-receiver by the disposal, that a matching spread has and is sufficient their group-term for data-application. As IC for the second ZF, one uses the SA626 of Philips. It is intended for the direct connection of ceramics-filtering with 330Ohm Impedanzes and is contained as well as oscillator, mixers also as Begrenzerverst�rker, FM-Demodulator and an extremely fast RSSI (Received signal strength indicator - an exit for a logarithmic field-strength-ad) -Ausgang. This is used with a Komparator with adjustable threshold also as DCD together.

Like also in the sender is looked after the single modules with own tension-regulators in order to avoid Verkopplungen.

Through the application of most modern modules, the receiver is almost abgleichfrei. Some modules had to unfortunately be put into SMD-Technologie therefore, what the HF-Eigenschaften improves however and contributes consequently to the reproduction-security.

4.3 final stages

The final stage is in contact at [1] about a 20W hybrid-module around based. These modules are offered by different manufacturers and are been often available also inexpensive on flea-markets. Most hybrid-modules require a tax-performance of 20dBm. Therefore, another intensifier-step is connected in series the module with 10dB fortifications. Still the final stage-component takes on the antenna-switch for sender and receiver and provides the necessary waiter-wave-suppression.

5 the total-system

For the business at the Digipeater, one requires to that here described modules another Duplexer additionally. This is often available with good quality on the Surplusmarkt and expels by professional suppliers also again. Here, the prices lie in the magnitude of the entire remaining system however.

All modules should preferably with doubly shielded Koaxkabel with each other, in order to avoid �bersprechen, is connected. RG223 or RG214 offer themselves here.

6 reviews and outlook

Completing, we thank us the many stimulations and tips Wolf-Henning Rech, DF9IC.

Literature

[1] Bloch, M., DF2VO; Sessler, P., DF3VI; Rech, W. -H., DF9IC: 70-cm-FM-Baugruppen for Duplex-Digis and Phonie-Relais, ADACOM magazine 5, pp. 11-30, 1993.


Me�protokoll SAW-Filter


[Hier wäre ein Bild gewesen!]

Illustration 4: Me�protokoll TFS41 of the company Telefilter, Teltow,



diagram sender


[Hier wäre ein Bild gewesen!]

Illustration 5: diagram sender



diagram receiver 1/2


[Hier wäre ein Bild gewesen!]

Illustration 6: diagram receiver 1/2



diagram receiver 2/2


[Hier wäre ein Bild gewesen!]

Illustration 7: diagram receiver 2/2


Copyright © 1997
This page was created by DL2ZBN , Friday, 09. May 1997
Most recent revision Friday, 09. May 1997