Aqui se encuentra una recopilacion de
diferentes esquemas, para hacer el PTT de tu equipo de Radio
conectado a la tarjeta de sonido, para poder trabajar las
modalidades de Packet_Radio y Sstv.
- Ptt
manual Esquema para SSTV,
conectando los altavoces del ordenador al equipo de Radio
mediante este sencillo circuito.
- Ptt
completo Esquema para SSTV,
para conectar la tarjeta sonido al equipo de Radio. Se
puede hacer la conmutacion manual o tambien automatica
poniendole un rele. Sencillo de construir.
- Ptt
paralelo Sencillo esquema para
hacer el PTT a traves del puerto paralelo.
- Ptt
serie Esquema para hacer el PTT
a traves del puerto serie.
- Ptt w95sstv Esquema para hacer el PTT a traves del puerto
serie, este esquema es el recomendado por el programa w95sstv.
- Ptt
voxcontrol Esquema para hacer
el PTT con equipos de radio que dispongan de VoxControl.
Tambien es sencillo como los anteriores.
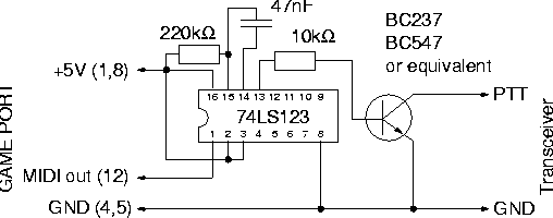
- Ptt
midi 14 Esquema para usar el
puerto midi de la tarjeta de sonido para hacer el PTT.
- Ptt
midi 16 El mismo esquema que el
anterior pero usando un circuito de 16 patillas.
__________________________________________________________________________
[ Retornar a Pagina Principal. ][ Packet Radio
] [ Sstv ] [ Enlaces Radio
]
[ Otros
Enlaces ] [ Descargas ] [Forum para Radiopitas.]