|
ICOM 706MKIIG |

|
Apertura de banda del ICOM 706MKIIG |
Localización de la zona de trabajo

|
Manual
de servicio y esquemas eléctricos
Dowload
Bajatelos aqui...¡¡¡ |
|
Preguntas mas frecuentes sobre la modificacion de banda del 706MKIIG
|
ICOM 706MKIIG
La fotografía arriba expuesta, pertenece a mi propio transceptor, la he digitalizado para facilitar el trabajo de la apertura de banda a cualquiera que desee abrirlo, podréis encontrar mas información en
http://www.mods.dk pero cuidado, porque muchas de las modificaciones que encontrareis en esta pagina, hacen referencia a modelos americanos, que aunque no son muy diferentes al europeo, cualquier modificación previa hará que esta no sea compatible, esta modificación es exclusiva del 706MKIIG y no vale para el 706 y 706MKII, para ellos encontrareis información muy interesante en esa dirección, desde el momento que abráis de banda el transceptor, este se reseteara perdiendo todas sus memorias almacenadas, y pasara a convertirse en un equipo de banda corrida en sus dos segmentos, la recepción es casi perfecta y sus funciones no se ven alteradas por este cambio, (DSP, AGC, COM, SWR, MET, etc..........) podréis observar que la potencia variara según su frecuencia de trabajo, pero siempre se vera condicionada por el rendimiento de los tres pasos finales, ya que si os vais muy lejos de las frecuencias habituales de trabajo, habrá diferencias de potencia, para que el paso final estuviese a pleno rendimiento precisaría un nuevo ajuste, pero no vais a tener ningún problema, solo perderá unos cuantos vatios y nada mas, en el único lugar que no trasmitirá será en la banda comercial (los 40 Principales, Ser, Cope, etc...) creo que lo vais a disfrutar como nunca habéis disfrutado ningún otro.Disipación de temperatura
Me gustaría haceros hincapié en este tema, porque veo que la gente se preocupa mucho teniendo en cuenta el tamaño del tranceptor, pero el equipo esta perfectamente dimensionado y en banda estrecha (SSB) jamas vais a tener problemas, solamente habréis de tener cuidado en aquellos modos de rejimen continuo como FM y AM, ya que el paso final tiene que soportar durante bastante tiempo altas temperaturas y es fácil que pase a mejor vida, para ello os recomiendo que tengáis la precaución de reducir la potencia en estos modos aliviando el trabajo del paso final; El ventilador, dispone de dos velocidades, la primera actúa al alcanzar una cierta temperatura y la segunda, que es mayor, se activa al poner en funcionamiento el transmisor, lo que garantiza el perfecto trabajo del mismo, el mío ha trabajado durante todo un ciclo del MAF sin descansar en vhf/SSB/CW, durante largos pile ups en 50 mhz e interminables qso´s en las bandas de HF en CW, mas de 1.000, en la banda que menos lo he forzado ha sido en la de 432, pero es porque las estaciones escasean y no hay manera, en 144, forma un buen conjunto con el L200C de la EA4BQN, que a pleno rendimiento entrega los 200 vatios sin dar ningún problema adicional por trabajar con el amplificador.
CW
Solo creo que he podido probar un keyer sin memorias mejor que este y ha sido el Curtis de mi viejo Yaesu FT901DM, además este te da la posibilidad de variar la frecuencia de audio de los tonos telegráficos, haciendo más agradable las transmisiones, así como las diferentes posibilidades de configuración para el manipulador, velocidad, cambio de emisión sobre LSB o USB, y también el delay y la distancia entre los dis y das, espero poder sintonizaros muy pronto con vuestro ICOM706MKIIG. --... ...--
Filtro FL100 500 HZ/-6dB
Este es un breve analisis de la señal, tras instalar el filtro de CW de 500 HZ, la prueba fue llevada a cabo con la baliza 4XZ, en 10.045.8 MHz.
como veis, los valores, están dentro de lo establecido por el fabricante y la atenuación no se acusa demasiado, pena que el precio sea lo mas elevado.
Convertidor de niveles
Medidas reales de la placa (70mm x 25mm)

Este pequeño interface, te permitirá controlar y programar tu 706, desde tu PC, con gran versatilidad.
Otros links de interes
http://www.omen.com/f/avradio.html
http://www.egroups.com/messages/ic706/12
http://www.trx-manager.com/demoe.htm
http://www.nucleus.com/~field/
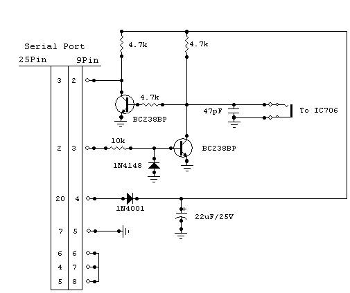
Algunos esquemas para realizar el ptt con el RS232
ICOM
TUNING
Supongo, que mas de una vez, os habréis encontrado con la pequeña dificultad, de poner el equipo en transmisión con una portadora fija, tanto para ajustar el acoplador manual o sencillamente para tener una señal fija, pues bien G4FZN, nos presenta un circuito de muy bajo coste, que nos permitirá, sirviéndonos del mando TENER, que como sabéis es para el acoplador automático, que el equipo se pase a CW y trasmita una señal fija de 10 w durante 8 segundos, trascurrido ese tiempo, dejara de trasmitir y quedara en reposo, realizar el montaje, os llevara 15 minutos y los componentes podéis encontrarlos en vuestro cajón de desperdicios, el conector, que no es fácil encontrarlo, podéis suplirlo por uno de las fuentes de alimentación de PC, recortando el plástico, para que este encaje y haga contacto, los transistores de conmutación, son de los mas comunes, unos 2N2222 que también podrían cambiarse por otros que sean similares, en fin aquí tenéis el esquema del circuito y algunas imágenes.
Nota
Si deseáis poneros en contacto conmigo este es mi correo
[email protected]..