145 Mhz Minsk

это не баннер!
Вызывная частота в Минске 145500 FM
Репитер Down-145725 Up-145125
канал R5


	 После долгого отсутствия репитера на двойку в Минске начались движения по  
его восстановлению и запуску. Ниже я приведу историю всего этого безобразия и
моего участия в нём, ибо терпеть это безобразие более нет сил...

Сейчас в проекте участвуют:
EU1AK - QTH передатчика, новая аппаратура репитера.
EU1CC - синтезатор 2м
EU1ABG - блоки телефонов околодвоечного участка, приёмник и др.
EU1RS и EW1RA - блоки алинок на 70см. 
EW2CU - антенны, блок питания
EW1PA - шеф "БСР", QTH приёмника
EW1RR - запчасти к блоку управления 
EW1ABZ - запчасти к контроллерам
Володя без позывного, бобруйчанин, и это вселяет некоторый оптимизм
Также спасибо за помощь работникам некоторых организаций
(я немного тоже)

Во время изготовления репитера не было замучено ни одного животного, совпадения
имён и позывных с реальными являются случайными.

А теперь - история создания канала R5 в Минске...


      34. 06.05.01 Установлен входной блок. День Радио - с репитером !!!
Чувствительность блока - 0.015 мкВ. Но - эфир слышит плохо - пора менять входную
(приёмную) антенну и кабель. Базовая конфигурация репитера - 4 GM300. 
Железо - толковое, осталось довести приёмную антенну с установкой (в дальнейшем)
УВЧ на антенне. И планируется включение PL(CTSS) 67 на передачу, как и в репитере
70см. Хочется переплюнуть таки бобруйский репитер на канале R4 !!! :)
Сигнал проходит через 4 радиотракта и контроллер. Немного шумновато получается.
Зато нет проблем с выходной мощностью и забитием при этом приёмника. Эстэтам 
просьба не напрягаться :)	  
      33. 23.04.05 Снят входной блок. Подготовлен новый на двух GM300 и контроллере
на PIC16F876. Авария на выходном блоке - пока неизвестно что - нет нормального
уровня сигнала. Подчистка программного обеспечения для репитера. Изменение
временных интервалов, добавление функций итд.	  
      32. 11.12.04 Прогон выходного блока репитера - две GM300 на 2м и 70см.
      31. 21.11.04 Ремонт после урагана антенны репитера 70см и "расчленение"
антенны двоечного репитера - подготовка передающей антенны на новый QTH.	   
      30. 27.10.04 Готовим документы для установки передатчика на МЗВТ. Самая 
высокая точка в Минске. Антенна будет установлена на мачте "Авторадио". На 
фрагментах карты Минска здания приёмника и передатчика закрашены красным цветом.
Дистанция между точками установки - 8700 м.	  
QTH передатчика - МЗВТ QTH приёмника - БСР
29. Гоняем радиотелефоны на входной частоте репитера. Народ не понимает, что от них хотят... 28. 09.10.04 Вторые выходные подряд завелась мода на приёмном QTH отключать 220. Вся проверка коту под хвост. 27. 01.10.04 Установлен на проверку у меня дома.Ниже - упрощённая блок-схема двух частей репитера. 26. 30.09.04 Запущен блок управления с 70см на 2м. На снимках NMT приёмник, контроллер на PIC16F84A, синтезатор на двойку.
      25. 27.09.04 Установлен репитер с двойки на 70. Чувствительность - давно 
бы так ! Трафик по 70см почти ровно на запад с БСР. Яги 7-ел. 0.5ватт. 9 баллов 
на "Западе"Минска. Это, правда, на стационарной антенне и на хендике на уровне 
9го этажа на балконе в сторону передатчика со штатной антенной. Расстояние 9800м.
При этом планируется до основного расположения второго блока расстояние 6300м.
      24. 23.09.04 Подготовлен блок ретрансляции 2м-70см. Доводятся нюансы.После 
отладки блок будет установлен и будет отрабатываться блок 70см-2м
      23. 15.09.04 Репитер установлен и работает плохо - фильтр по входу не спасает.
Будем разносить приёмник и передатчик на 70см. Всё. Окончательно и бесповоротно.
Ибо выточить толковый дуплексор никто не возьмётся.   

22. 09.09.04. Распаян шлеф на управление синтезатора с основной платы процессора (сейчас временно два - один из них только управляет синтезаторами), подготавливаю управление репитера по DTMF. Добавлен маяк с текстом " DE EV1SR EV1SR QRA IS KO33TW KO33TW K "
21. Подшаманена аппаратная часть приёмников и передатчика - мелкие возбуды убиты. Найдена плохая пайка в передатчике.
20. Споймано несколько глюков в программе. Работа шумоподавителя улучшилась.
19. Устранён шум в модуляции переделкой петли ФАПЧ в ГУН синза
18. После небольшого отпуска работа продолжилась
17. В этот же день я перестроил фильтр на об'ёмниках, но ближайшее время - в отпуск, поэтому отложу эксперименты попозже...
16. 19.07.04 EW1PA установил кварцевый фильтер перед приёмником. Забитие почти пропало, но упала и чувствительность :(
15. Пробую перестроить 6ти контурный фильтр на спиральных резонаторах, работавший раньше на 90-100 МГц. Кое что получается, но пока заминка за киловаттным паяльником. (09.07.04)
      14. Репитер установлен, включен на QRPP мощности, но работает (за неделю до
намеченного срока) - дуплексера нет, и хоть на разные антенны приёмник и передатчик,
приёмник дохнет при минимальной мощности передатчика :(
      13. Не успели :)
      12. Собран минимум для отладки и срочного запуска (успеем ли до 3го июля ? )
      11. Контролллер планируется для репитеров в Минск на 145 и 430, в Петриков
и Жодино !!!
      10. Номиналы и схема не окончательны. Всё в процессе доработки и наладки.
      9. Прототип схемы контроллера см. ниже.
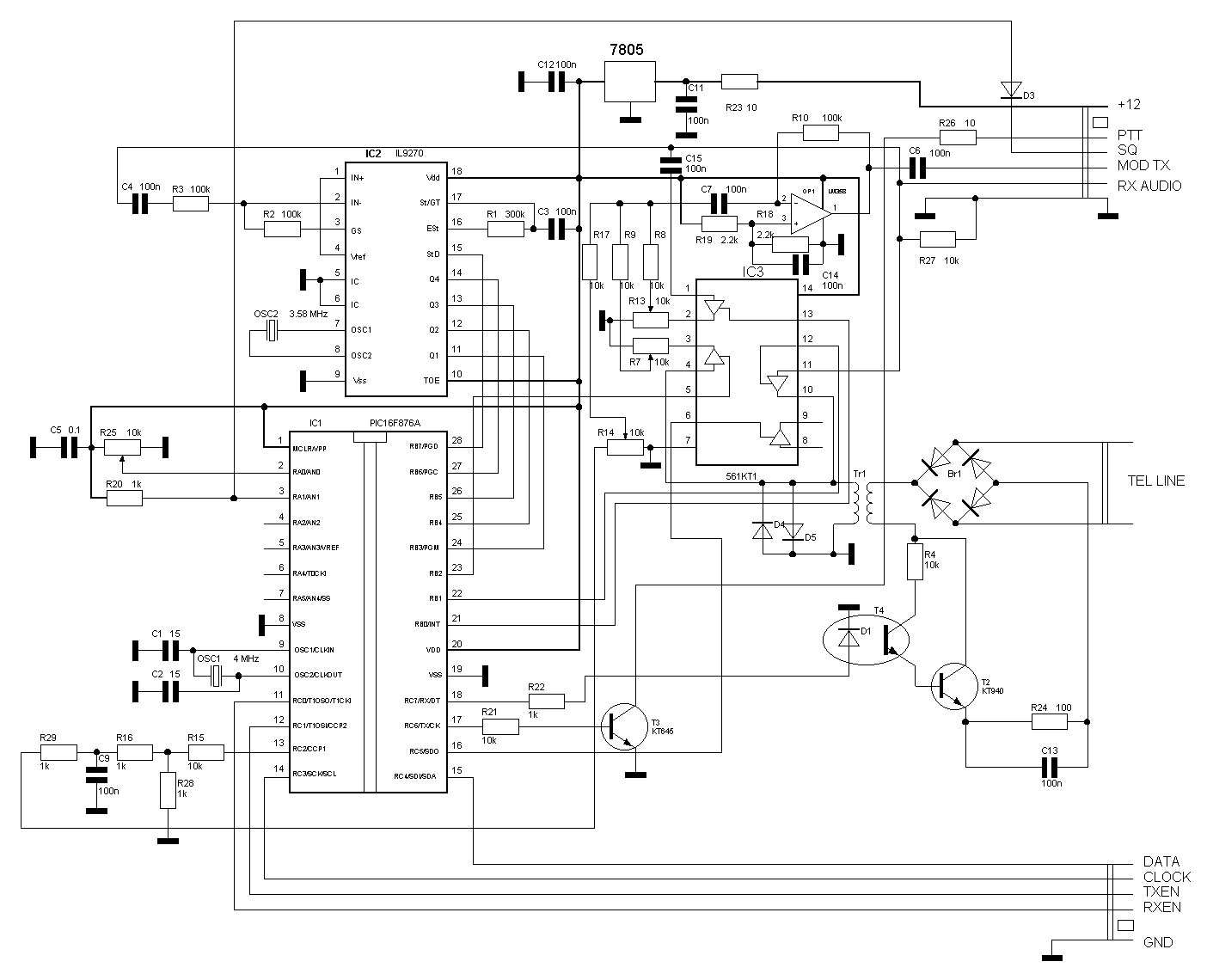
      8. Блок управления будет на PIC16F876A.
      7. Перетянут приёмник с 147 Мгц и передатчик с 130. Получено 3 ватта.
      6. Вместе с EU1ABG принято решение отказаться от "STORNO" с минусовым 
питанием и сделать репитер на базе радиотелефонов, нелегально работающих на
двоечном и околодвоечном участках.
      5. Работа над репитером поручена мне :)
      4. EU1CC - Дима - изготовил сдвоенный синтез для работы на канале R5. 
Это первый большой шаг в продвижении вперёд. (Кварцы были утеряны и таки XXI Век -
пора переходить на синтезаторы :)
      3. За запуск репитера взялся EW1PO (ex EU1ABP) и по семейным проблемам не
смог продолжить
      2. Аппаратура после многолетних посков вернулась в родное гнездо БСР.
      1. После умирания репитера его взял себе на ремонт EW1SO и заболев сам, 
с концами пропал с аппаратурой.
прототип контроллера
и начало использования SMD компонентов и их часть под LM358 в DIP корпусе
а ниже - временная версия программы без набора номера.
Имеет - 
    1. задержки по включению выключению шумоподавителя/тракта НЧ
    2. Время вещания
    3. Ограничение времени до 1 мин при зависшей несущей на входе
    4. Режим успокоения - пауза 3 сек после окончания 1 мин. и
добавка по 3 сек в выключенном режиме, если продолжать его открывать.
    5. Первое включение (открытие) - с задержкой по ШП.
    6. Бипер после 0.8сек после выключения ШП - при плотном общении - не мешает.
    7. телеграфный маяк каждые 15 мин (все интервалы меняются)выдаёт " DE EV1SR
EV1SR QRA IS KO33TW KO33TW K ". Звук формируется (а также и другие сигналы) ШИМ
-контроллером в составе процессора.	
    8. управление по ДТМФ

*10#     сброс настроек по умолчанию

*11#    выдать маяк

*121#   открыть ШП
*120#   закрыть в норму

*131#   несущая после закрытия ШП - 10сек
*132#      -//-                     30сек
*130#   норма

схема контроллера блока приёмника
ASM файл блока приёмника для PIC16F876A
схема контроллера блока передатчика и ASM файл

morze_codec телеграфный кодек для ASM файла

go head page