Переделка GM и GP1200 в MCS2100
Дабы не быть многословным, сразу отправлю посмотреть:
GM1200
http://www.geocities.com/tomazuka/GM1200_MC2100.html
GP1200
http://www.radio.org.pl/~sq5ekq/gp1200.htm
Эти ссылки имеют свойство переезжать, поэтому пока действительны на 26.02.06
и см. также на батлабсе:
http://www.batlabs.com/gm900.html
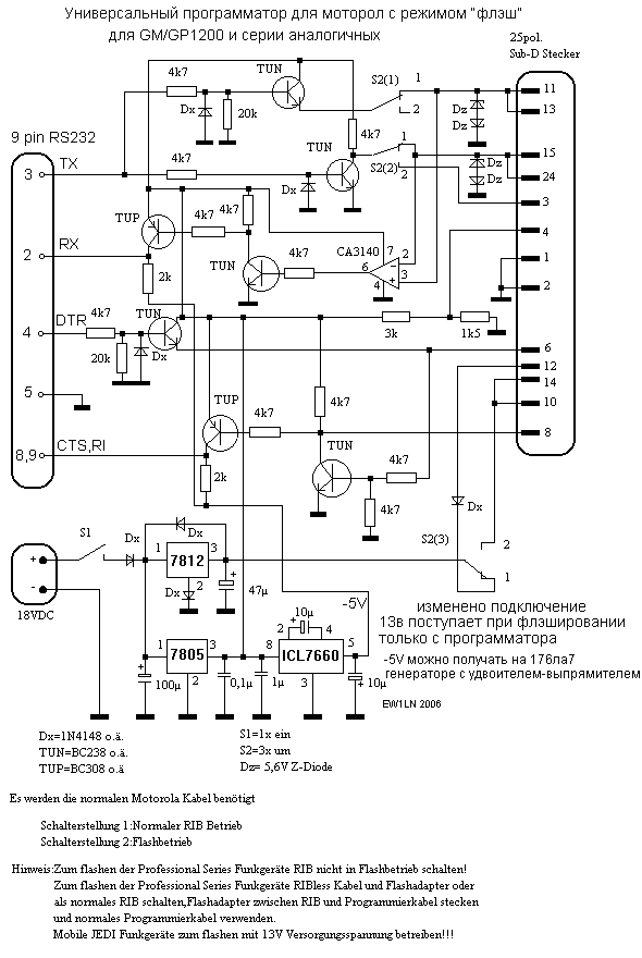
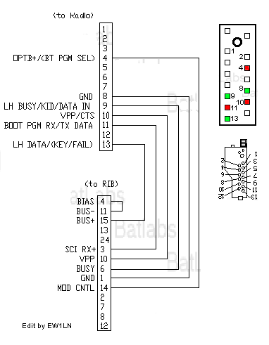
также в конце станички кабель для GM и GP1200 и программатор с изменениями.
Необходимые программы в таблице ниже.
| FILES |
INFO |
TNX |
| wookie |
MC2100 DPS (new patched version) |
SQ5EKQ |
| flash |
mc(mt)2100 flash |
LZ1CWT |
| flash+lab |
mc(mt)2100 flash + lab utility |
LZ1CWT |
| flash |
gm(gp)1200 flash (maby back ?) |
... |
перед перезаписью епром, сохраните его обязательно, мало ли захочется
вернуть всё как было - файл gm1200-флэш этому должен помочь.
Есть нюансы, после которых автомобильные пошли флэшироваться. Хотя
в программе всё просто - включил и всё, у меня так не получилось.
Итак -
1. Записать подготовленный EEPROM для MSC2100.После этой процедуры
на экране "RADIO FAULT 02" и непрерывный писк. Так надо !
2. Выключить питание на GM кнопкой
3. Запустить программу флэширования и ничего не нажимать после этого
4. Включить программатор в режиме флэша.
5. Нажать и НЕ ОТПУСКАЯ кнопку POWER на GM и нажать пробел на компьютере,
при этом должен смениться экран и побегут циферки. Кнопку повера не
отпускать секунд 15 где-то, до запуска второго счётчика на экране (совет).
6. Через пару минут флэшер пискнет радостно и сообщит об удачном флэшировании.
7 Отключить питание полностью, включить и работать как с MCS2100 !
! сравните свою модель с первыми 7ю символами моделей,
поддерживаемыми флэшировщиком. А также цифрой в 10й
позиции. Т.к. есть не флэшевые модели !
К сожалению, модели, как на фото справа, флэшировать можно, только от этого лучше
не станет - в них нет кнопок, которые станут управляющими в MCS2100 - меню, выбор
и ввод. То есть получится, что невозможно будет выбирать ни каналы, ни зоны,
ни чего ещё либо...
! флэшировать только на старых PC не старше пентиума-III. Проверено на П-III-750.
На П-IV уже не работает. И только в ДОСе, естественно.
| M01RHN9CK8CN - ok |
M01RFL9CK4AN - нет M01RFL9CK4CN - нет |
 |
 |
 |
 |
H01FDD9AN4AN Portable 1-5W 68 - 88 MHz
H01FDD9AN5AN Portable 1-5W 68 - 88 MHz with cont. rotary
H01FDH9AN7AN Portable 1-5W 68 - 88 MHz with keypad
H01FDH9AN8AN Portable 1-5W 68 - 88 MHz with keypad with cont. rotary
H01KCD9AN5AC Portable 0-1W 136 - 178 MHz with cont. rotary
H01KCH9AN8AC Portable 0-1W 136 - 178 MHz with keypad with cont. rotary
H01KDD9AN4AN Portable 1-5W 136 - 178 MHz
H01KDD9AN5AN Portable 1-5W 136 - 178 MHz with cont. rotary
H01KDH9AN7AN Portable 1-5W 136 - 178 MHz with keypad
H01KDH9AN8AN Portable 1-5W 136 - 178 MHz with keypad with cont. rotary
H01RCD9AN5AC Portable 0-1W 403 - 470 MHz with cont. rotary
H01RCH9AN8AC Portable 0-1W 403 - 470 MHz with keypad with cont. rotary
H01RDD9AN4AN Portable 1-4W 403 - 470 MHz
H01RDD9AN5AN Portable 1-4W 403 - 470 MHz with cont. rotary
H01RDH9AN7AN Portable 1-4W 403 - 470 MHz with keypad
H01RDH9AN8AN Portable 1-4W 403 - 470 MHz with keypad with cont. rotary
M01FHM9AN5AN Mobile 1-25W 68 - 88 MHz with rotary
M01FHN9AN8AN Mobile 1-25W 68 - 88 MHz with keypad
M01KHM9AN5AN Mobile 1-25W 136 - 178 MHz with rotary
M01KHN9AN8AN Mobile 1-25W 136 - 178 MHz with keypad
M01RFM9AN5AN Mobile 1-10W 403 - 470 MHz with rotary
M01RFN9AN8AN Mobile 1-10W 403 - 470 MHz with keypad
M01RHM9AN5AN Mobile 10-25W 403 - 470 MHz with rotary
M01RHN9AN8AN Mobile 10-25W 403 - 470 MHz with keypad
M01RFM9AN5AN Fusk & Co (C head) 403 - 470 MHz


go head page