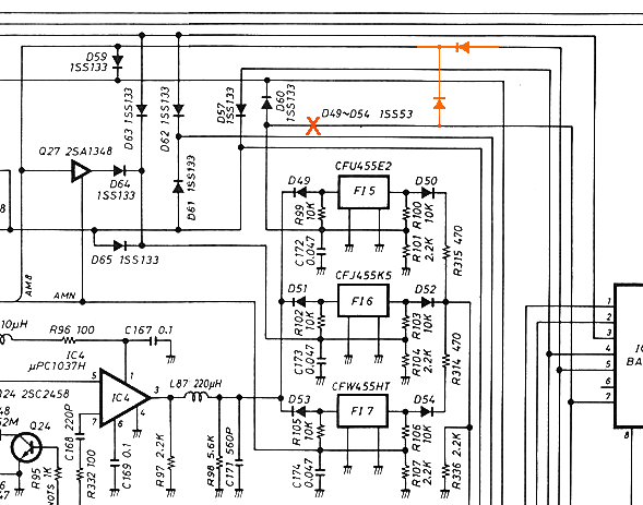
При работе на приём в FM режиме, IC-735 заставляет подумать о смене фильтра ПЧ, который для FM отдельный (F15 по схеме). Однако наличие двух ещё фильтров по 455кГц помогает решить эту проблему без замены существующего фильтра. Ведь для АМ используются именно они (для широкой и узкой). Сама переделка настолько проста, что занимает максимум полчаса, а результат настолько впечатляющий, что заставляет задуматься о надобности вообще фильтра FM, который на слух почти как перемычка :) Первым делом открыть нижнюю крышку, и поискать два провода, белый и красный, которые выходят из жгута и возле передней панели, недалеко от фильтров, запаиваются в плату. Надписи проводов на плате - W19 - белый и W22 - красный. Первый с другой стороны на пин 7, а второй на пин 5 IC5. Оба провода перекусить так, чтобы удобно запаять навесным монтажём два диода катодами на красный кусочек (W22), идущий на фильтры. Аноды, соответственно, на концы, идущие к IC5. Остаток провода W19 можно оставить для красоты :) Переделка касается только приёмной части, поэтому диоды установлены для развязки цепей коммутации раздельных для FM и AM на передачу. Переделка FM в IC-735
go head page