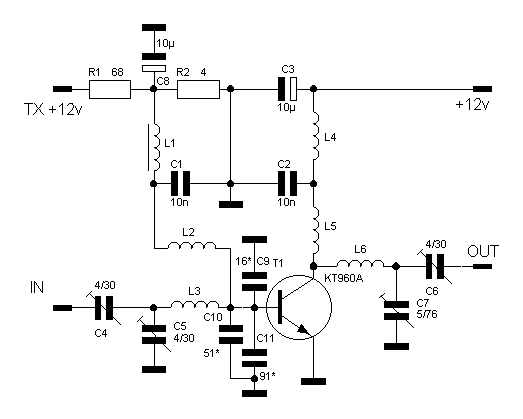
2M PA for VHF portable station



In next time, this PA work like driver for "GS-90" (littl GI-7B) tube.

go head page