Send Feedback
Alpha Phi Omega
C.I.R.C.L.E. 5, Inc. - DX5APO
CIRCLE OF INTEGRATED RADIO COMMUNICATION LINK FOR EMERGENCY, INC.
144.820 MHz    7.045 MHz
Sign our Guestbook
HAM RADIO ONLINE TUTORIALS


MODULE V
  • Electron Theory and Atoms
  • Resistance
  • Resistors
  • Ohms Law
  • Current and Voltage
  • Voltage Dividers
  • Capacitance
  • Inductance
  • Reactance
  • Resonance and Impedance
  • Diodes
  • Transistors
  • "Q"
  • Radio Terminology A-L
  • Radio Terminology M-Z
  • Atttenuators
  • Chokes
  • Decibel & Toroids
  • Digital Basics
  • Power Supplies
  • Conclusion

  • FREE HAM RADIO E-TUTORIALS

    A beginner? Subscribe to our FREE Basic Ham Radio E-Tutorials and receive your editions of the Course at your e-mailbox Free of Charge.

    Please Enter Your Name:

    And Your E-Mail Address:

    HAM RADIO ONLINE QUIZ/TEST

    Preparing for the NTC Ham Radio Licensure Exams? Try the New Edition of our Online QuizTest for all classes of Amateurs!

    Go Ahead!
    ONLINE MORSE CODE QUIZ/TEST

    Want to test your speed in Morse Code? Try our online Morse Code Quiz/Test for Amateur Class A, B, and C!

    Go Ahead!

    CALL BOOK

    All Hams! Add Your Call Sign to our Call Book. Register Now!

    Sign Up!
    BULLETIN BOARD

    Post your announcements, invitations, ham activities for all the world to see! Or open a topic for discussion! And of course, have Fun!

    Go Ahead!
    PUBLIC PHOTO CENTER

    Upload your photos for public viewing! Ham radio activities and personal photos accepted!

    Go Ahead!
    GUEST MAP

    Pin your location on our Website Guest Map and leave your message!

    Go Ahead!
    MEMBERS!
     Update Your Record
     Upload Your Foto!
    RECOMMEND THIS SITE!
    Type In Your Name:

    Type In Your E-mail:

    Your Friend's E-mail:

    Your Comments:

    Receive copy: 

    Save Ham Radio!

    Vote For This Site!
    MODULE V - FUNDAMENTALS OF ELECTRONICS
    DIODES (Final Page)

    Varactor or Tuning Diodes

    These types of diodes work on the principle that all diodes exhibit some capacitance. Indeed the zener diode BZX79C12 quoted above has, according to the data book, a capacitance of 65-85 pF at 0V and measured at 1 Mhz.

    For AM Radio band applications a specific diode has been devised. The Philips BB212 in a TO-92 case is one such type. Each of the diodes has a capacitance of 500 - 620 pF at a reverse bias of 0.5V and <22 pF at 8V. This diode's capacitance ratio is quoted at 22.5:1 which could not be achieved easily if at all with an air variable capacitor. This type of diode is depicted in figure 1 above.

    Several obvious advantages come immediately to mind, a small transistor type package, very low cost, ease of construction on a circuit board, can be mounted away from heat generating devices, frequency determining circuitry entirely dependent upon resistor values and ratios, DC voltage control can be either from frequency synthesiser circuits or perhaps a multi-turn potentiometer. Such a potentiometer aids band spreading and fine tuning if two potentiometers are used. The only real limitation is your imagination and the calculations involved.

    Diodes as frequency multipliers

    Just one more example of the versatility of diodes is the frquency doubling circuit depicted in Figure 4. Now if that looks a lot like the full wave rectifier from figure 2 above you would be correct. That is why the ripple frequency for 50 / 60 Hz always comes out at 100 / 120 Hz.

    diodes as frequency multipliers

    Figure 4 - diodes as frequency multipliers

    Here the input is a wide band transformer and the signal passes to a full wave rectifier comprising two 1N914 diodes. The DC component caused by the rectification passes to ground through RFC which of course presents a high impedance to the rf porion of the signal but essentially a short circuit for DC. The original signal should be down about 40 dB and with this type of circuit there would be a loss of somewhere around 7.5 dB so the 2 X signal would require further amplification to restore that loss.

    Diodes as Mixers

    With some subtle re-arrangement to figure 4 we can get the circuit to function as a two diode frequency mixer. Note that there are other diode arrangements as well in this application.

    diodes as frequency mixers

    Figure 5 - diodes as frequency mixers

    The diodes here act as switches and it can be mathematically shown that only the sum and difference signals will result. For example, if F1 was 5 Mhz and F2 was 3 Mhz then the sum and difference signals from the diodes would be 8 Mhz and 2 Mhz. None of the original signals appear at the output and this is a most important property of using diodes as mixers.

    It should be noted that although 1N914 diodes are depicted you would normally use hot carrier diodes in any serious application and the diodes need to be well matched.

    Applications of switching Diodes

    Similar types of diodes have been developed specifically for band switching purposes. Although a typical 1N914 type switching diode can be used for such purposes it is preferable to use diodes which have been optimised for such purposes because the Rd on is much lower. This means the diode resistance Rd can have a serious affect on rf circuits in particular the "Q" of a tuned circuit. One example of a low Rd device is the Philips BA482 diode used for band switching in television tuners. It has a typical Rd of 0.4 ohms at a forward current of 10 mA.

    In figure 5 we have one application where switching diodes operate. All diodes serve to switch in or out capacitors in the diagram which is presented here just to illustrate one single application of switching diodes, many, many more applications exist. Again the limit is your imagination.

    applications of switching diodes

    Figure 6 - applications of switching diodes

    The switching diodes in figure 4 switch in or out successively higher values of capacitors as each control select line is "grounded". The voltage from the +5V feed line proceeds through the diode at DC thus opening the diode and making it appear "transparent" for rf purposes. The capacitor with the value attached is then "switched" into circuit. Other components marked RFC and Cbp are chokes and bypass capacitors for "clean" switching. The bypass capacitors and choke values would be determined by the frequency of operation.

    We could just have easily have switched inductors instead of capacitors. Note why Rd is quite important on overall circuit performance. If we were using inductors the diode resistance Rd would have a significant affect on inductor "Q" which in turn would affect filter performance, if it was in fact an LC filter application.

    Switching Diodes in Logic Circuits

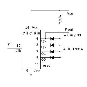
    In the schematic of figure 7 we have this counter which divides by successive division of two for twelve stages. Initially because there is no voltage drop across the resistor a high appears on all anodes as well as on pin 4 the master reset causing the counter to reset forcing all outputs low and in turn a voltage drop across each diode and across the resistor and a low on reset.

    Progressively each of the outputs change from low to high for a certain period of time and without unduly complicating matters when all outputs as selected by our diode combination (in this particular case 1 + 2 + 32 + 64 = 99) are simultaneously high the voltage drop across the resistor will cease and cause pin 11 (reset which was formerly low) to go high and reset all the internal ripple counters.

    applications of switching diodes in digital logic circuits

    Figure 7 - applications of switching diodes in digital logic circuits

    At the same time pin 4 changes state also with reset. It can been shown this happens once every 99 periods. Simply by placing diodes on the right outputs we can select to divide by any number up to 4095 using this particular counter.

    Light-Emitting-Diodes or LED's

    Many circuits use a led as a visual indicator of some sort even if only as an indicator of power supply being turned on. A sample calculation of the dropping resistor is included in figure 8.

    connecting light emitting diodes (LED's) to supply

    Figure 8 - connecting light emitting diodes (LED's) to supply

    Most leds operate at 1.7V although this is not always the case and it is wise to check. The dropping resistor is simply the net of supply voltage minus the 1.7V led voltage then divided by the led brightness current expressed as "amps" (ohms law). Note the orientation of both cathode and anode with respect to the ground end and the supply end. Usually with a led the longer lead is the anode.

    Back to Top


    Visit Rey's WebCreations