KyteLabs InfoBase - Electron Tubes & Valves Data Last modified: 2016-11-26 (18651)

A
Anhang
Appendix
Schaltungen
Application Circuits
A.8

Vorige Seite - Previous Page Seitenanfang - Top of Page Inhalt - Table of Contents Start - Top of Document Nächste Seite - Next Page

A.8.1
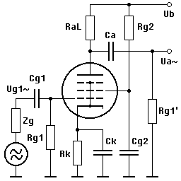
NF-Spannungsverstärker in RC-Kopplung mit Trioden
Resistance-Coupled, Audio-Frequency Voltage Amplifiers Using Triodes

6AB4 - 6BK7B - 6C4 - 6F5 - 6FQ7 - 6J5 - 6K4 - 6S8GT - 6SC7 - 6SF5 - 6SL7GT - 6SN7GTB - 6SQ7 - 6T8 - 12AT7 - 12AU7 - 12AX7A - 12AY7 - 75 - 5718 - 5719 - 6021 - 6112 - AC2 - E80CC - EBC11 - EBC41 - EC71 - ECC32 - ECC33 - ECC40 - ECC82 - ECC83 - ECC186 - UBC41
Voltage Amplifier Using Triode
Ratings: 6AB4 6BK7B 6C4 6F5 6FQ7 6J5 6K4 6S8GT 6SC7 6SF5 6SL7GT 6SN7GTB 6SQ7 6T8 12AT7 12AU7 12AX7A 12AY7 75 5718 5719 6021 6112 AC2 E80CC EBC11 EBC41 EC71 ECC32 ECC33 ECC40 ECC82 ECC83 ECC186 UBC41

ECC40 - ECC82
Cascade Amplifier Using Triodes
Two-Stage Amplifier, Ratings: ECC40 ECC82

6C4 - 6J5 - 6SC7 - 6SL7GT - 6SN7GTB - 6T8 - 12AX7A - 5719 - 5904 - 6112 - E83CC - EBC11 - EBC41 - ECC83 - ECC807 - ECC808 - UBC41   DAC21
Voltage Amplifier Using Triode Voltage Amplifier Directly-Heated Using Triode
Ratings: 6C4 6J5 6SC7 6SL7GT 6SN7GTB 6T8 12AX7A 5719 5904 6112 E83CC EBC41 ECC83 ECC807 ECC808 UBC41 Ratings: DAC21

12AY7 - 5670 - 6021 - 6111 - 6201 - E81CC - ECC807 - ECC808
Voltage Amplifier Using Triode
Ratings: 12AY7 5670 6021 6111 6201 E81CC ECC807 ECC808

6386
Cascode
Cascode Stage, Ratings: 6386

A.8.2
Phasenumkehrstufen
Phase Splitters - Phase Inverters

ECC83 - E283CC - ECC803S
Phase Splitter
Ratings: ECC83 E283CC ECC803S
ECC83 - E283CC - ECC803S
Phase Splitter
Ratings: ECC83 E283CC ECC803S

L63   ECC82
Phase Splitter Phase Splitter
Ratings: L63 Ratings: ECC82

ECC40 - ECC82
Phase Splitter
Ratings: ECC40 ECC82

A.8.3
NF-Spannungsverstärker in RC-Kopplung mit Pentoden
Resistance-Coupled, Audio-Frequency Voltage Amplifiers Using Pentodes

6AU6 - 6AU6A - 6BH6 - 6SJ7 - 954 - 5879 - 5906 - 6788 - AF7 - CF7 - EF6 - EF40 - EF86 - EF804 - EF804S - EF806S - UF6   EF40 - EF86 - EF806S - Triode
Voltage Amplifier Using Pentode Voltage Amplifier Using Triode-Connected Pentode
Ratings: 6AU6 6AU6A 6BH6 6SJ7 954 5879 5906 6788 AF7 CF7 EF6 EF40 EF86 EF804 EF804S EF806S UF6 Ratings: EF40 EF86 EF806S

6AU6A - 6BH6 - 5905 - EAF42 - EF40 - EF804 - EF804S   1S5 - 1U4 - DAF91
Voltage Amplifier Using Pentode Voltage Amplifier Using Pentode
Ratings: 6AU6A 6BH6 5905 EAF42 EF40 EF804 Ratings: 1S5 1U4 DAF91

5654 - EF12   6J7 - 5879 - Triode
Voltage Amplifier Using Pentode Voltage Amplifier Using Triode-Connected Pentode
Ratings: 5654 EF12 Ratings: 6J7 5879

EF9 - EF93 - EF94 - HF94   EF11
Voltage Amplifier Using Pentode Voltage Amplifier Using Pentode
Ratings: EF9 EF93 EF94 HF94 Ratings: EF11

A.8.4
Eintakt-Endstufen in RC-Kopplung mit Ausgangstransformator
Resistance-Coupled Single-Ended Amplifier Stages Using Output Transformers

CL6 - EL34   CL6 - EL34   EL6 - EL34 - Triode
Single-Ended Amplifier Using Pentode Single-Ended Amplifier Using Pentode Single-Ended Triode-Connected Amplifier
Ratings: CL6 EL34 Ratings: CL6 EL34 Ratings: EL6 EL34

A.8.5
Ausgangstransformatorlose Gegentakt-Endstufen
Output-Transformerless Single-Ended Push-Pull Stages

7754 - EL86
Output-Transformerless Push-Pull Amplifier
Ratings: 7754 EL86

EL86
Output-Transformerless Push-Pull Amplifier

EL86
Output-Transformerless Push-Pull Amplifier

A.8.6
Transformatorgekoppelte Gegentakt-Endstufen
Transformer-Coupled Push-Pull Amplifier Stages

6N7
Push-Pull Amplifier
Ratings: Class-A Driver Class-B Amplifier

19 - 30
Push-Pull Amplifier
Ratings: Class-A Driver 30, Class-B Amplifier 19

46
Push-Pull Amplifier
Ratings: Class-A Driver Class-B Amplifier Dynamic

59
Push-Pull Amplifier
Ratings: Class-A Driver Class-B Amplifier Dynamic

807
Push-Pull Amplifier
Ratings: Class-B Amplifier

RL12P35
Push-Pull Amplifier
Ratings: Class-B Amplifier

A.8.7
Gegentakt-Endstufen in RC-Kopplung mit Ausgangstransformator
Resistance-Coupled Push-Pull Amplifier Stages Using Output Transformers

ECLL800
Push-Pull Amplifier
Ratings: Phase Inverter Class-B Amplifier

Ultra-Linear Output Stage: 5881
Ultralinear Amplifier
Ratings: 5881
Ultra-Linear Output Stage: 6550
Ultralinear Amplifier
Ratings: 6550
Ultra-Linear Output Stage: EL34
Ultralinear Amplifier
Ratings: EL34
Ultra-Linear Output Stage: KT55
Ultralinear Amplifier
Ratings: KT55

A.8.8
Gleichrichterschaltungen
Rectifier Circuits

GZ32 - GZ33 - GZ34 - GZ37   GZ32 - GZ33 - GZ34 - GZ37
C-Input Full-Wave Rectifier L-Input Full-Wave Rectifier
C-Input: Ra = Rs + R2 + (n2/n1)2 x R1 L-Input: Ra = RsL + R2 + (n2/n1)2 x R1

A.8.9
Detektor- und andere Empfangsschaltungen
Detectors and other Receiving Circuits

EEL71
Audion
Ratings: Audion

EF6
Audion
Ratings: Audion

A.8.10
Mischstufen und Oszillatoren
Frequency Converters and Oscillators

ACH1 - ECH35
Mixer
Ratings Mixer: ACH1 ECH35, Oscillator: ACH1 ECH35

ECH83
Mixer
Ratings: Mixer Oscillator

DK40
Mixer
Ratings: Mixer/Oscillator

EC53
Oscillator
Ratings: EC53

EC53
Oscillator
Ratings: EC53

A.8.11
Hochfrequenzverstärker
Radio-Frequency Amplifiers

PC97
RF Amplifier
Ratings: RF Amplifier

EF93 - EF94 - HF93 - HF94
IF Amplifier
Ratings: EF93 EF94 HF93 HF94 IF Amplifier

A.8.12
Digitale Schaltungen
Digital Circuits

ZM1020 - ZM1040
DC Display
DC Operated Display, Ratings: ZM1020 ZM1040

ZM1020 - ZM1040
AC Display
AC Operated Display, Ratings: ZM1020 ZM1040

ZM1040 - ZM1080
AC Display
DC Operated Display with Transistor Decoder
Ratings: ZM1040 ZM1080

A.8.13
Verschiedene analoge Schaltungen
Miscellaneous Analog Circuits

6BH6
Crystal Oscillator
Crystal Oscillator, Ratings: 6BH6

6216
Filter Reactor
Filter Reactor, Ratings: 6216

AC50
Saw-Tooth Oscillator
Saw-Tooth Oscillator, Ratings: AC50

DG7-52A
Scope Divider
Oscilloscope Divider: DG7-52A

Vorige Seite - Previous Page Seitenanfang - Top of Page Inhalt - Table of Contents Start - Top of Document Nächste Seite - Next Page
previous page next page previous/next

Copyright © 2015Franz Hamberger, Berlin, Germany
RS248 RS381

Telefunken   RS248Telefunken   RS381