PCB for the DJ9BV Power Meter (DUBUS 3/87)

(C) DL4MEA 02/1998

10.02.1998    creation
06.03.1998    revised


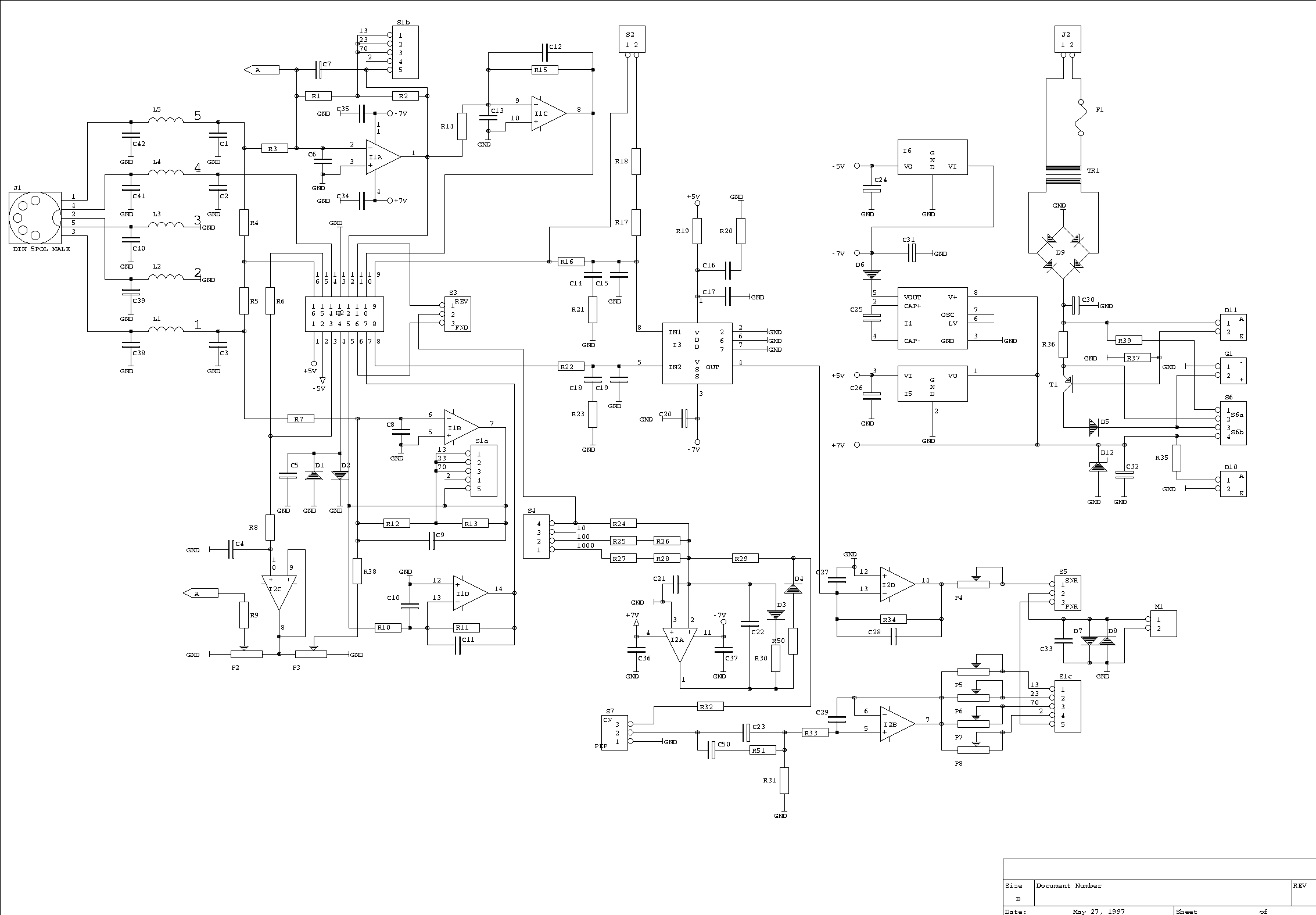
D: Bei dieser Schaltung handelt es sich um das Wattmeter von DJ9BV wie in DUBUS 3/87 veröffentlicht. Allerdings habe ich die Laderegelung durch einen integrierten Baustein ersetzt. Dieser Teil ist noch nicht im Schaltplan dargestellt. Daher benötigt diese Schaltung 12V von extern, wird aber vielseitiger und sicherer. Ebenfalls habe ich die teueren Funktionsschalter ersetzt und eine doppelseitige Platine erstellt, wobei die Oberseite komplett als Massefläche dient. Teilweise müssen also Bohrungen auf der Oberseite angesenkt werden. Die Masseverbindungen sind aber soweit möglich auf der Unterseite ebenfalls verbunden, so daß es in einigen Fällen nichts ausmachen wird, wenn man auf der Oberseite zu löten vergißt. Ich möchte darauf hinweisen, daß ich diese Leiterplatte noch nicht selbst erprobt habe.

Koppler sind zum einen von

Fa. EME-Technik, Hohenschäftlarn

oder von

PA0JAB, Tel. 0031-547-273879 erhältlich. Bei letzterem gibt es drei Versionen:
 
Version
144MHz
432MHz
1296MHz
2320MHz
"144MHz"
30,0dB
20,6dB
12,3dB
9,7dB
"432MHz"
39,0dB
30,0dB
20,8dB
16,7dB
"1296MHz"
48,0dB
39,0dB
30,0dB
26,0dB

Jede Version kostet DM 130,- (Stand 09/98)


E:


Schematic: (click on the picture to get it in higher resolution)


 

Picture: Place Plan


 

Picture: Component Side

 Picture: Solder Side (click on the image to get a Postscript file)


 


[HOME] Last updated 980127 08:00 by DL4MEA