| |

|
|

|
Das komplette Gerät. Unten der PC mit Kühlkörpern (wegen der Optik?) an der Seite und darüber das Funkgerät mit SR-100, Netzteil, NF-Verstärker, Lautsprecher, Treiber, PA und Tiefpassfilter. |
|
Einige Vorüberlegungen
Von Flex-Radio bin ich etwas enttäuscht. Es war einmal. Es gab die vier (früher drei) Platinen der 1Watt-Version einzeln. Sozusagen als Kit. Dann gab es die 1Watt-Version nur zusammen mit einem für meine Begriffe sehr teuren Gehäuse, das ich nicht haben wollte. Nun gibt es nur noch die komplett aufgebaute 100Watt-Version. Schade für den experimentierenden Funkamateur.
Was macht man nun, wenn man sich mit der Technik des SDR beschäftigen will, sich aber nicht ein Komplettgerät zulegen möchte. Bleibt eigentlich nur der akribisch genaue Nachbau oder die von einigen Funkamateuren umstrittene Baugruppe KDG-SR100 von Kneisner und Döring aus Braunschweig. Auch wenn die von KuD propagierten Messwerte nicht so gut ausfallen wie die des SDR-1000 von Flex-Radio. Doch dazu später.
Man beachte, dass die verwendete Soundkarte für kommerzielle Musikanwendungen einen Dynamikbereich vom 110 dB umfasst! Diesen Dynamikbereich hat dann auch der Empfänger. Nicht mit - nomalen - Soundkarten im PC zu vergleichen. Diese haben einen Dynamikumfang von 70 bis 80 dB.
Da ich in den 70er Jahren des vergangenen Jahrhunderts bereits sehr viel mit Direktmischempfängern und Phasensendern im KW-Bereich experimentiert habe, ist es eine logische Konsequenz, an dieser Stelle mit wesentlich moderneren Mitteln (Bauelementen) und Methoden (Software) anzuknüpfen. Ein Bausatz ist in diesem Fall die erste Wahl, wenn es darum geht, möglicht schnell zumindest empfangsmässig qrv zu werden und einen Einstieg zu finden.
|
|
Das Ergebnis ist ein Gerät, das man durchaus als - gehobene Mittelklasse - bezeichnen kann. Es braucht den Vergleich mit so bekannten Geräten wie KENWOOD TS450 oder ICOM IC735 nicht zu scheuen und schneidet natürlich durch die Möglichkeiten des DSP in der Flexibilität wesentlich besser ab. |
|
Zunächst die Feststellung, dass die propagierten Empfindlichkeitswerte zwar recht interessant sind, aber im praktischen Betrieb sind sie meiner Meinung nach nicht relevant. Die Einplatinenversion von KuD zeigt zwar schlechtere Messwerte, aber solange der Rauschpegel bei Anschluss einer (grossen) Antenne zunimmt, bin ich mit der Konstruktion auf der sicheren Seite.
Jeder OM, der sich mit SDR-1000 oder SR100 beschäftigt, muss sich darüber im Klaren sein, dass bestimmte Schaltungsdetails verbesserungswürdig sind. Selbst Flex-Radio hat ja recht aufwändig und unter Umgehung früherer Festlegungen zu mechanischen Abmessungen das RFE-Board geschaffen, um die Filterparameter zu verbessern. Einigen Funkamateuren genügt die damit erzielte Grossignalfestigkeit nicht und sie experimentieren mit zusätzlichen Filtern oder Bandpässen. Das ist auch gut so! Beim SR100 kommt noch das Phasenrauschen des DDS-Schaltkreises hinzu, weil der TCXO nicht auf 200MHz arbeitet und daher der interne Oszillator mit einer PLL die hohe Referenzfrequenz erzeugen muss.
Auch Flex-Radio ist nicht unfehlbar. Jeder Konstrukteur, der Hardware über Software steuert, sieht eine - Watchdog - vor, um die Hardware vor Fehlfunktion der Software zu schützen. Im SDR-1000 wird die Hardware durch die softwaremässige Überwachung des Stehwellenverhältnisses geschützt! Das ist auch recht fragwürdig, zumal die verwendeten Endstufentransistoren nicht durch ihre interne Konstruktion vor zu hohem SWR geschützt sind.
Geräte der Spitzenklasse sind nunmal keine - Einplatinengeräte - !!! Wir brauchen nur einmal zu schauen, was unsere Vorfahren in den 30er Jahren des vergangenen Jahrhunderts für einen Aufwand getrieben haben, um Spitzengeräte zu erstellen: HF-dichte Kammerbauweise und Vorselektion mit riesigen Spulenrevolvern bestehend aus mehrkreisigen Bandfiltern mit versilberten Spulen um hohe Kreisgüten zu erzielen. Ich kenne aus der Beschäftigung mit den Direktmischempfängern noch Preselektoren, die bei Frequenzwechsel um 20kHz innerhalb des Bandes nachgestimmt werden mussten! Da ein Preselektor - out - ist, ist in der Oberklasse daher die mitlaufende Vorselektion über abgestimmte Induktivitäten, die mit grossem Aufwand realisiert werden muss, das Mittel der Wahl. Und selbst bei diesen Geräten ist die induktive Abstimmung umstritten, weil das verwendete Kernmaterial unter Umständen die Grossignalfestigkeit und das Intermodulationsverhalten verschlechtern kann. Bandpassfilter und Tiefpassfilter, dazu noch mit SMD-Bauelementen geringer Güte, reichen zur Selektion nicht aus. Die Physik lässt sich nicht überlisten.
|
|
SDR-1000, SR100 und auch das zukünftige HPSDR sind die Basis für eigene Experimente, keine Kochrezepte oder gar fertige Geräte der Oberklasse.
|
|
Hier nun das Ergebnis:
|
|
|

|
Ansicht des Rohbaus von vorne. Die Potentiometer waren für die Leistungsregelung vorgesehen, sind aber dann bei der weiteren Entwicklung nicht mehr benutzt worden. An der Montagefrontplatte sind der Lautsprecher und der NF-Verstärker erkennbar. |
|

|
Ansicht des Rohbaus von hinten. |
|

|
Die SDR-Baugruppe im Gehäuse. Darunter befindet sich der Netztransformator und die Break-Out-Box der Soundkarte. Links der noch freie Platz für die PA und am rechten Kühlkörper die Längstransistoren des Netzteils. |
|

|
Der PA-Modul. Links der Treiber mit der Leistungssteuerung (Überwachung / SWR-Schutzschaltung) und rechts die Endstufe mit zwei bipolaren Transistoren ähnlich MRF428 bzw. BLW95. Im Ausgang 3 Guanella-Übertrager. Leistungsverstärkung 27dB von 1,8 bis 30MHz. Maximal 250Watt HF bei 500mW Ansteuerung! |
|

|
Tiefpassfilter Es wird sowohl im Sendebetrieb als auch im Empfangsfall benutzt. Je höher die Frequenz, desto kleiner die Kerne. Die Kondensatoren und HF-Drosseln zum Abblocken der Steuerleitungen sind auf der Lötseite angeordnet. |
|
Für Interessenten hier die einzelnen Schaltungsdetails:
(Bilder bitte herunterladen und mit einem Grafikprogramm auf DIN A4 darstellen bzw drucken)
|
|
|

|
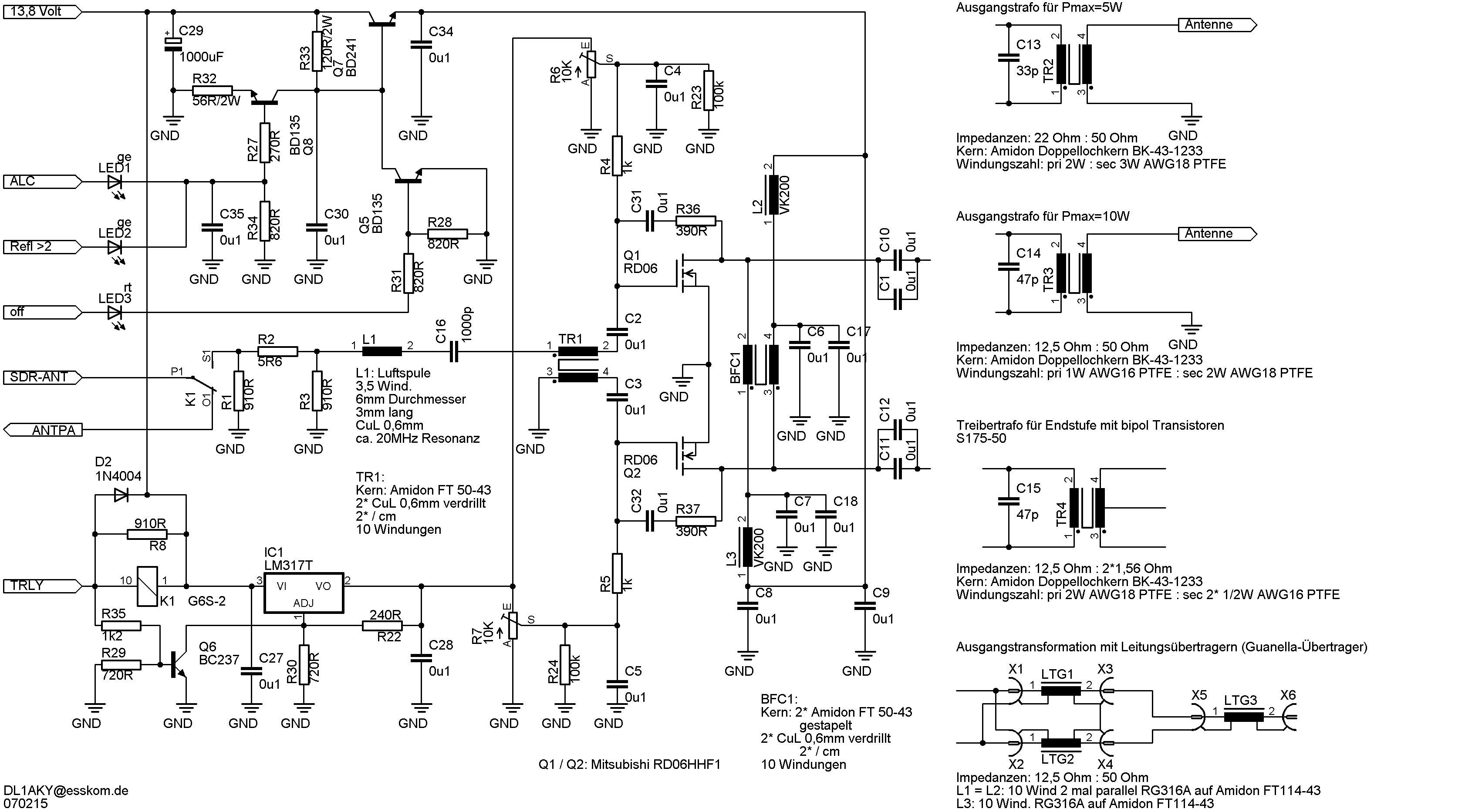
Der Treiber mit MOSFETs von MITSUBISHI. Verschiedene Varianten der HF-Auskopplung.
Einsatz der ALC und Abregelung der Leistung bei einem SWR grösser als 2 ist nicht der normale Betriebsfall! Das sind Fehlerzustände. Daher ist die Leistungsregelung über die Betriebsspannung des Treibers meiner Meinung nach gerechtfertigt. Die Verschlechterung des Intermodulationsverhaltens der Transistoren tritt ja nur im Fehlerfall auf. |
|

|
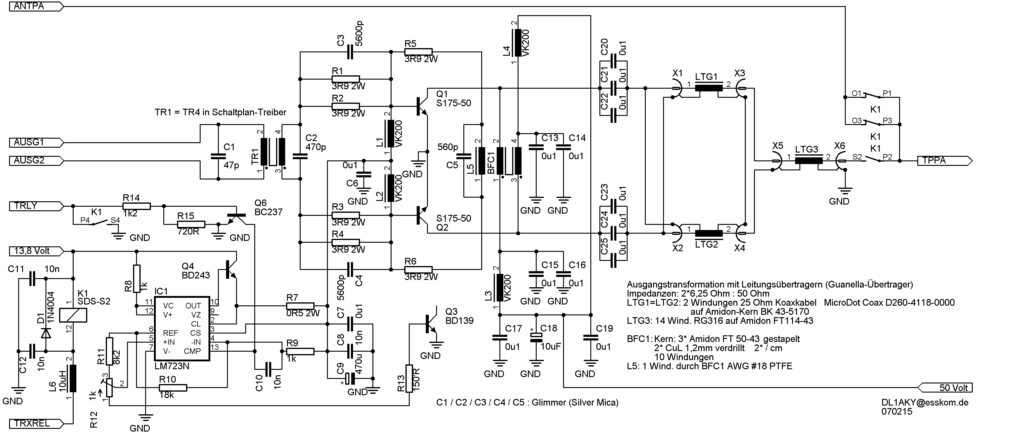
Senderendstufe mit bipolaren Transistoren für 50 Volt Betriebsspannung. Frei nach MOTOROLA AN-758
Die Transformation am Ausgang geschieht mit Leitungsübertragern nach GUANELLA. Das 25Ohm-Koaxkabel kann auch durch eine Parallelschaltung von 50Ohm-Kabel (z.B. RG316) realisiert werden. |
|

|
Tiefpassfilter und SWR-Messbrücke. Die Operationsverstärker sind I/O-Rail-to-Rail Verstärker, d.h. sie kommen mit einer Betriebsspannung aus! Hier kann natürlich auch der Vierfach-Typ OPA4703 verwendet werden. |
|

|
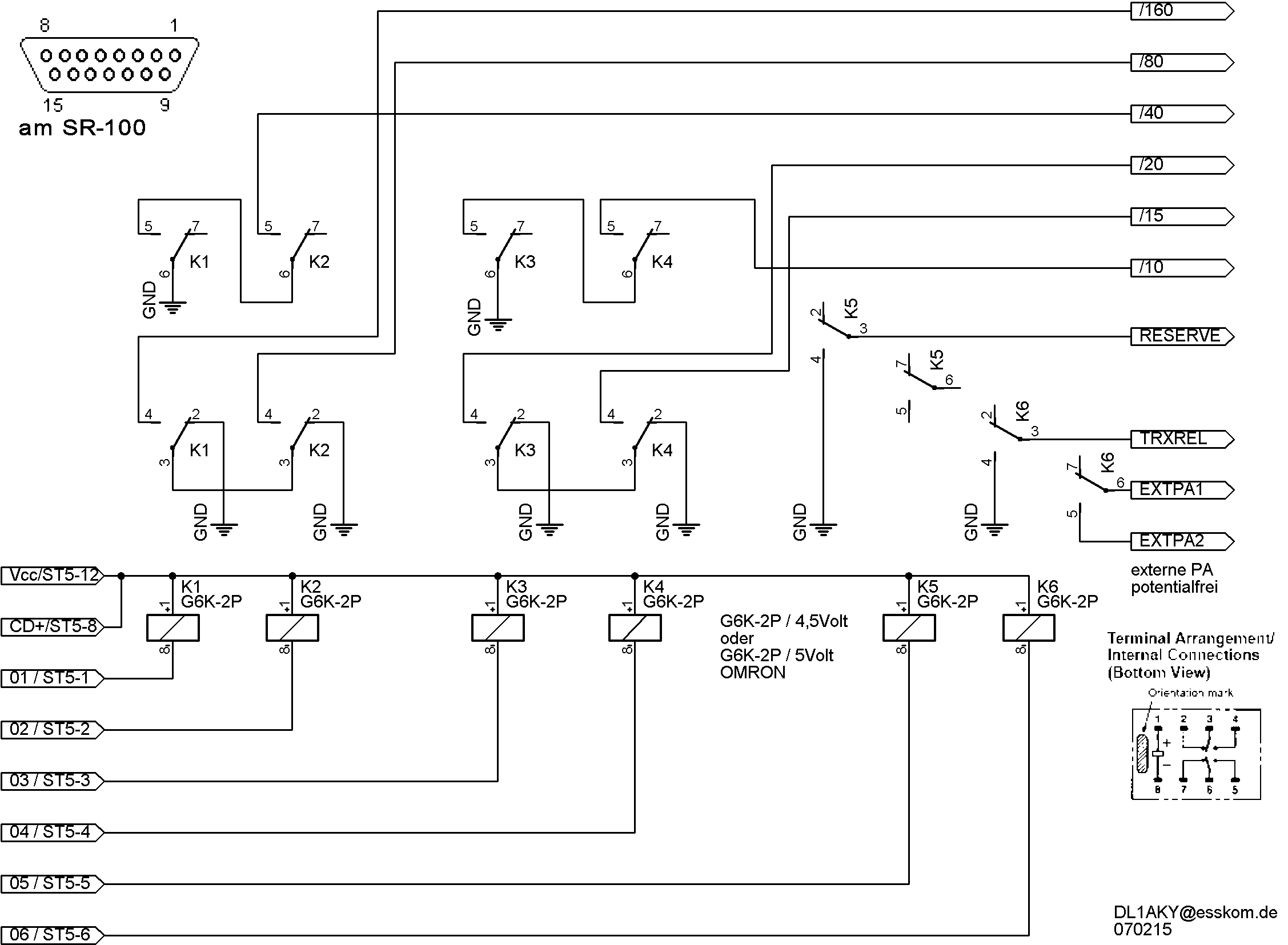
Steuerschaltung für den Anschluss an Ext.Ctrl. des SDR. So hat man zwei zusätzliche Steuerleitungen und gleichzeitig ist eine Trennung zwischen dem SDR und den peripheren Baugruppen realisiert. |
|

|
Die zugehörigen Einstellungen für - Ext.Ctrl. - im PowerSDR Setup. |
|
We reserve the right to make changes to the product(s) or information contained herein without notice. |
 |