Empfindlicher und selektiver Detektorempfänger für Mittelwelle

Mit dem Bau von Detektorempfängern habe ich mich während meiner Kindheit/Jugend beschäftigt - mit mehr oder weniger Erfolg, wobei der "weniger" Erfolg oder Mißerfolg eigentlich das Resultat war. Jetzt wollte ich es einfach noch einmal wissen - bringe ich einen gut funktionierenden Detektorempfänger zustande?
Folgender Text beansprucht weder eine grundlegende noch irgendeine Einführung in die Theorie, Konstruktion und Bau von Detektorempfängern, noch irgendwelche Vollständigkeit. Vielleicht sind aber meine Bemerkungen für diesen oder jenen interessant.


Hinweise auf Quellen im WEB

Im Internet findet man eine Vielzahl von Seiten, die sich mit dem Bau von Detektorempfängern beschäftigen.
Zunächst sei auf zwei sehr umfangreiche deutschsprachige Seiten verwiesen, wo man sich umfassend über Geschichte, Konstruktion und Bau von Detektorempfängern informieren kann:
"Gollums Welt der Detektorempfänger" von Rainer Steinfuehr DC7BJ, sowie
"Der Detektorempfänger - vom Anfang bis heute" in "Jogi's Röhrenbude".

In "Jogi's Röhrenbude" finden wir einen 1947 erschienen Funkschau-Sonderdruck von Herbert G. Mende "Zeitgemäßer Detektorempfang. Berechnung, Bau und Messung von Detektorempfängern" - interessant auch heute noch für denjenigen, der sich für ein paar Hintergründe interessiert und nicht nur eine Bauanleitung sucht.

Eine auf dem heutigen Wissensstand beruhende und damit für uns "zeitgemäße" Detektor-Analyse - leider nur in Englisch: "Crystal Set Analysis" - gibt es von Berthold Bosch DK6YY in "Gollums Welt". Vom gleichen Autor ist auch der Beitrag "Diode AM Conversion Efficiency in Crystal Sets and Some Implications" im WEB verfügbar. 2003 gewann B. Bosch mit seinem Detektorempfänger den "The Fifth Annual Elmer Memorial Crystal Radio DX Contest" (XSDX - 2003) - Zitat über sein Logbuch "This log looks like a travel guide." Die praktische Konstruktion und die zugrundeliegenden theoretischen Prinzipien seiner Schaltung stellt Berthold Bosch ausführlich in dem in zwei Zeitschriften veröffentlichten Beitrag "Preisgekrönter Detektorempfänger" [1] vor. Dies ist m.E. die bisher fundierteste deutschsprachige Pubikation zur Konstruktion moderner Detektorempfänger und ihre Lektüre ist unbedingt anzuraten!

Eine andere wichtige WEB-Seite, welche dem Thema einer dem heutigen Stand der Theorie und Technik entsprechenden Konstruktion von Detektorempfängern gewidmet ist (einschließlich ausführlicher theoeretischer Diskussion und praktischer Messungen) stammt von Ben H. Tongue: "Crystal radio set systems: Design, Measurement and Improvement".
 
Weitere - englischsprachige - Quellen im Internet:
"Crystal Radio Resources" von Owen Pool WB4LFH -  hervorragende Startsteite, auch für Anfänger, mit umfangreicher Linksammlung.
"Crystal Radios - The Stay tuned Crystal Radio and Tube Radio Web Site" von Darryl Boyd. Unter dem Punkt "Crystal Radios Plans and Circuits" findet man mehr als 200 (!) Schaltpläne, Bauanleitungen aus einer Vielzahl von Quellen, meistens als eingescannte Originale.
"Crystal Radio Circuits" - hier u.a. Untersuchung der Eignung verschiedener Dioden.
"Crystal Radio Page" von Jim Cushman.
"Dave's Homemade Crystal Radios"
von Dave Schmarder N2DS - mittlerweile (Oktober 2004) über 50 selbstgebaute Detektorempfänger.
"Scotts Crystal Radios"  von Scott Balderston.
"Crystal Radios" von Al Klase N3FRQ, besonders interessant CRYSTAL SET DESIGN 102 für die Schaltungspraxis von Detektorempfängern.
"Crystal Radio DXing" von von VE7SL - beschäftigt sich mit DX-Empfang.
"Designing a dx crystal set" von Mike Tuggle - Konstruktion eines DX-Empfängers, vergleichbar mit den Konstruktionen von B. Bosch und B.H. Tongue.

Zu den Bauteilen:
Luftdrehkondensatoren, HF-Litze, hochohmige Kopfhörer, Ge-Dioden etc. gehören nicht mehr zu den Masenprodukten und sind schwieriger zu beschaffen, was zur Folge hat, das diese Bauteile z.T. zu völlig absurden Preisen angeboten werden. Mit einiger Recherche im Internet findet man aber noch durchaus preiswerte Angebote, Luftdehko's kann man auch gut aus defekten alten Radioapparaten gewinnen. Es gibt auch fertige Bausätze, siehe z.B. http://www.ecrystalradio.com/, Links zu Bauteilen und Bausätzen Crystal Radio Connections.

Einige Bemerkungen vorab

Kann man auch mit einfachen Detektorschaltungen zum Erfolg kommen?
Wie es bei Sender Jerewan so schön heißt - im Prinzip ja, aber...
Ein in der Kindheit "gebauter" Detektorempfänger bestand aus um die 80 Windungen Kupferlackdraht auf einer Eisenbahnfahrkarte (die waren damal noch aus Pappe), dazu eine Germaniumdiode OA625 und ein hochohmiger Kopfhörer (2 x 2 kOhm) in Reihe. Das Ganze wurde mit dem "heißen" Ende an eine Stehlampe gehalten, die hatte ein metallenes Rohr, in dessen Inneren das Netzkabel geführt wurde. Zur unserer Verblüffung hörten wir ein "Gebrodel" von ein paar Stationen, vor allem abends. Das war es aber auch schon. Der befriedigende Empfang eines Mitelwellensenders gelang damit nicht. Der Nachbau von solch einfachen (oder soll man sagen primitiven?) Detektorschaltungen führt nur in Sendernähe zum Erfolg. Der weiter unten beschriebene "einfache" Detektor erlaubt hingegen bei mir am Tage den einwandfreien Empfang zweier Sender, die ca. 50 Kilometer entfernt sind. Des Abends und Nächtens hört man auch Sender aus 500-1000 km Entfernung, wobei er teilweise Probleme mit der Selektion bekommt - manche Sationen werden nicht mehr sauber getrennt. Das größte Problem beim "Fern-"Enpfang ist meistens weniger die mangelnde Empfindlichkeit als eine mangelnde Selektivität.

Ratschläge für erfolgreichen Detektorempfang
(1) Gute Außenantenne und Erdung.
(2) Verwendung "hochwertiger", d.h. insbesonders von verlustarmen Bauteilen. Dies gilt nicht nur für die Induktivität (möglichst HF-Litze mit Ferritten bzw. Pulvereisenmaterial) und den Drehkondensator (Luft als Dielektrikum ist immer vorzuziehen), sondern auch für die Gleichrichterdiode (Germanium, Schottky) wie für den Aufbau (z.B. Lötstützpunkte mit Keramikisolierung).
(3) Verwendung von "anspruchsvollen" Schaltungen mit mehreren Schwingkreisen, varabler Antennenankopplung etc. Eine empfehlenswerte Schaltung ist z.B. ein Nachbau eines in den 50ger Jahren von Heathkit als Bausatz produzierten Crystal Receiver CR-1 (Schaltung), wie von Scott Balderston beschrieben.
Kompromisse kann man bei jedem der Punkte machen - je näher man am Sender wohnt und man auf Fernempfang verzichtet. Da läßt sich ein metallenes Bettgestell, die metallenen Heizungsrohre, ein paar Meter Draht in der Wohnung schon als Antenne benutzen und eine Rasierklinge anstelle einer Diode als Detektor, wie folgender Zeitungsausschnitt [leider kann ich keine Quelle für das Faksimile angeben] aus dem Jahre 1944 zeigt:

Detektorenmpfänger mit Rasierklinge  

Mit welcher Reichweite kann ich beim Empfang rechnen?
Im 1925 erschienenen Buch von H. Günther und H. Vatter über "Kristallempfänger" werden folgende Aussagen über die Reichweite beim Empfang getroffen:
"1. Ein tadellos gebauter Radiokristallempfänger, der ein Variometer oder einen Drehkondensator mit Feineinstellung als Abstimmmittel benutzt und gute Hartgummiisolierung besitzt, erlaubt einen einwandfreiem Rundfunkempfang von etwa 30 km.
2. Bei einfachen Schiebespulenempfängern, die keine scharfe Abstimmung gestatten und bei denen Energieverluste durch mangelhafte Kontaktgebung und Mitschwingen des "toten Spulenendes" die Regel bilden, verringert sich die zuverlässige Reichweite auf 15-20 km.
3. Werden in einem solchen Empfänger Holzteile als Isoliermaterial benutzt, so müssen von der normalen Reichweite 5 km in Abzug gebracht werden, so daß noch 10-15 km übrig bleiben (...)." [2] Eine sachgemäß gespannte Innenantenne von 40 m (!) Länge verringert die Reichweite gegenüber einer Hochantenne von 30 m Länge um 50 %, Behelfsantennen bringen es höchsten auf 20 % der Reichweite. Um 1925 waren Sendeleistungen bis 15 kW üblich, 1929 brachten es die beiden stärksten deutschen Mittelwellensender Heilsberg (Ostpreußen, 1085 kHz) und Mühlacker (833 kHz) auf 75 kW. [3]
Schaut man sich das Log von Owen Pool WB4LFH beim 2003 Crystal Radio DX Contest an, sieht man, daß MW-Sender in den USA heute zwischen 500 W und 150 kW haben, wobei das Gros 50 kW hat. Ein 50 kW Sender wurde noch in 1616 km Entfernung gehört. In Europas sind (oder waren) z.T. beträchtlich höhere Sendeleistungen üblich. Reichweiten von über 1000 bis 2/3000 km sind nicht ungewöhnlich. Die mittlerweile wenigen Mittelwellensender in Deutschland haben die Sendeleistung gegenüber früher meistens stark reduziert. B. Bosch empfang im 2003er "Xtal Set Dx Contest" eine Sation aus Saudi-Arabien aus 4300 km Entfernung!

Welche Station höre ich eigentlich?

Unverzichtbar beim Empfang der MW ist hier der ständig aktualisierte und auch als PDF-Datei downloadbare "European Medium Wave Guide"  mit genauen Frequenzangaben, Sendezeiten, Sendeleistung, Standort der MW-Sender. Mit einem guten (!) Weltempfänger mit digitaler Frequenzanzeige bzw. Frequenzeinstellung kann man die im Detektorempfänger gehörten Sationen durch "paralleles" bzw. wechselseitiges Hören leicht und sicher identifizieren. Empfehlenswert sind auch die jährlich neu herausgegebenen "Sender und Frequenzen  ..." von Michael Schmitz und Wolf Siebel ("Jahrbuch für weltweiten Rundfunkempfang"), wo in der Frequenzliste der Rundfunksender die Hörbarkeit in Deutschland mit angegeben wird, so daß man - wenn zu einer Frequenz mehrere Stationen aufgeführt sind - mit großer Wahrscheinlichkeit die richtige findet.


Einfache Detektorschaltung


Einfache Detektorschaltung

Die verwendete Schaltung bietet keine Besonderheiten. Die verwendete Spule sollte um die 180-200 µH, der Drehkondensator einer mit 500 pF Endkapazität sein (es geht aber auch 330 pF bzw. man schaltet bei einem Doppeldrehkondensator die beiden Plattenpakete parallel). Die Germanium-Gleichrichterdiode liegt an einer Anzapfung, um den Schwingkreis weniger zu bedämpfen. "Normalerweise" legt man die Anzapfung bei ca. 20-25 % der Gesamtwindungszahl gerechnet vom "kalten" Ende (d.h. wo die Masse bzw. Erde angeschlossen wird). Ich hatte irrtümlich zuerst die Anzapfung bei 82 % der Gesamtwindungszahl und kann bestätigen, daß die Lautstärke auch bei einer Anzapfung von 17 % in etwa gleichbleibt, die Trennschärfer aber merklich besser wird. Durch die Erhöhung der Güte wird also der durch die Anzapfung hervorgerufene HF-Spannungsverlust ausgeglichen. Der immer noch erhältliche hochohmige Kristallhörer benötigt zum korrekten Arbeiten einen Parallelwiderstand (70-150 k). Eine direkte Ankopplung der Antenne an den Schwingkreis bringt fast nie etwas (außerdem verringert sich der Abstimmbereich, da beim unmittelbaren Anschluß dem Schwingkreis quasi eine größere Kapazität parallel geschaltet wird), mit den beiden unterschiedlichen Kondensatoren kann man die für die örtlichen Verhältnisse beste Variante ausprobieren (noch besser wäre hier auch Drehkondensator für eine variable Ankopplung, da ist die Schaltung aber nicht mehr "einfach"). Schließt man meine Antenne bei 47 pF an, hat man nachts die größte Trennschärfe; tagsüber gibt der Anschluß über die 82 pF den saubersten und lautesten Empfang.

Die Diode
Für die Germaniumdiode eignen sich die "klassischen" Germanium-Spitzendioden (OA625, GA100, 1N34A, 1N60, AA112 - ist noch leicht erhältlich) oder auch Schottky-Dioden (BAT16, BAT32, BAT48, 5082-2835). Siliziumdioden funktionieren hier nicht! Es empfiehlt sich, über einen provisorischen Kippschalter immer zwei verschiedene Dioden im direkten "Hörvergleich" zu testen. Bei meiner zufälligen Auswahl von Dioden erwiesen sich am besten OA625 (DDR, 60ger Jahre), GAY63 (dto). Deutlich schlechter die Germaniumdiode AA112, ebenso die manchmal empfohlene Schottkydiode BAT48. Unbrauchbar die Schottkydiode BAR28. Ich will das hier nicht verallgemeinern, aber eine Selektion unter verschiedenen Dioden lohnt sich auf jeden Fall!

Die Spule
Als größtes Problem beim Detektorbau erweist sich neben der Beschaffung eines guten Luftdrehkondensatoes die Spule. Wünschenswert ist HF-Litze, es geht aber auch mit Kupferlackdraht (0,5-1 mm Durchmesser). Luftspulen - möglichst kapazitätsarm - kann man als Zylinderspulen, Honigwabenspulen, Spinnennetzspulen bauen (vgl. die Tips und Tricks von R. Steinfuehr zu Spulen wie auch zu den anderen Bauteilen). Ein Blick auf  folgende Grafik über die erzielbaren Spulengüten (aus dem Funkschau-Sonderdruck von G. Mende) verrät uns, daß Spulen mit für den Frequenzbereich geeigneten Ferriten oder Eisenpulvermaterialien "guten" Luftspulen überlegen sind.

Güte verschiedener Spulen  

Wenn möglich, sollte man die Spule also auf  Ferritstäbe, Ringkerne (z.B. Amidon FT114-61), Ferritschalenkerne o.ä. wickeln, hohe Güten lassen sich so leichter erreichen. Die Spulen sehen zwar nicht so imposant wie etwa Honigwabenspulen aus, aber hier geht es in erster Linie um die Funktion.
Die einfachste Variante ist, wenn man beim Durchforsten der "Bastelkiste" einen passende MW-Spule (Induktivität um die 180-200 µH) mit "Eisen-"(Ferrit-)Kern findet. Bei mir war es ein AM-Demodulatorfilter StB-S 012-006 von HFWM (Hochfrequenzwerk Meuselwitz). Die Hauptwicklung mit 85 Windungen aus HF-Litze hat eine Induktivität von 122 µH, die separate Auskoppelwicklung hat 45 Windungen. Ein Spulenkern aus Manifer 143 und eine Hülse aus Manifer 360 bewirken laut Datenübersicht eine Güte Q=125 bei 455 kHz für die Hauptwicklung. [4] Nach Entfernen der eingebauten Kreiskapazität von 1000 pF und in Reihe schalten der beiden Wicklungen verfügt man über eine Spule von 125 Windungen mit einer Anzapfung bei Windung 45. Das ergibt rechnerisch um die 260 µH - etwas zuviel für einen Drehkondensator mit 500 pF Endkapazität. Um auf ca. 180 µH zu kommen, benötigen wir 103 Windungen, also wird die 2. Wicklung (Koppelspule) von 45 auf 18 Windungen verringert. Wir haben jetzt  eine Spule mit 103 Windungen mit einer Anzapfung für die Gleichrichterdiode bei Windung 18 (17,5 % der Gesamtwindungszahl).

StB-S 012-006







Von mir verwendete Spule StB-S 012-006 (nach dem Umwickeln wird die Ferrithülse selbstverständlich wieder aufgeschraubt, die Aluminiumhülse kann weggelassen werden)..


Hinweis:
Von Wilfried Burmeister DL5SWB gibt es ein sehr nützliches kleines Windows-Programm "mini Ringkern-Rechner", mit dem u.a. die Berechnung von Induktivitäten mit Ringkernen verschiedener Hersteller (Amidon, Ferroxcube, Epcos), mit unbekannten Kernen und Luftspulen möglich ist. Mit dem Tool "Schwinkreis-Berechnung" kann man sehr einfach den Zusammenhang von Induktivität, Kapazität und Frequenz mit verschiedenen Werten durchspielen. Bei einer Induktivität von 180 µH z.B. muß die Parallelkapazität (Drehkondensator zuzüglich kapazitive Belastung durch die Antenne plus aus dem Aufbau resultierender Kapazität einscchließlich Eigenkapazität der Spule) für den Empfang des Beginn des Mittelwellenbereichs bei 510 kHz 541 pF betragen, für das Bandende bei 1620 kHz 53,6 pF. Diese 54 pF kommen sehr schnell zusammen, deshalb sind kapazitätsarme Spulen und eine Ankopplung der Antenne über eine Serienkapazität (oder auch induktiver Ankopplung mit separater Koppelwindung) unbedingt notwendig, wenn man den gesamten Mittelwellenbereich erfassen will.

Aufbau

       


Empfangsergebnisse

Mit diesem Detektorempfänger für den Mittwelwellenbereich ist am Tage der einwandfreie Empfang von MDR-Info über die Sender Leipzig [Wiederau] (783 kHz, 100 kW) und Wilsdruff (1044 kHz, 20 kW) aus 43 bzw. 48 Kilometern Entfernung möglich. Als Antenne dient die Schirmung des RG213-Koaxialkabels meiner G5RV, die Erde ist die Stationserde (2 Stück miteinander verbundenen Staberder von je 3 m Länge).
Gegen 02.00 MESZ wurden am 30.08.2003 folgende Stationen empfangen:
 
Frequenz (kHz)
Station 
Sendeleistung (kW)
Entfernung (km)
558
R. Svizerra-Rete1, Monte Ceneri-Cima (SUI)
300  
?
675    
Arrow Classic Rock, Lopik (HOL)
120
547
702
Radio Slovensko, Laskomer (SVK)
400
524
783
MDR-Info, Leipzig-Wiederau (D)
100
43
810
Radio Skopje, Ovehje Polje (MKD)
1200
1256
864
France Bleu, Villebon-sur-Yvette (F)
500
812
900
Rai Radio 1, Milano (I)
600
714
909
BBC Radio 5, Moorside Edge (G) 
200
1034
945
France Info, Tolouse (F)
300
1234
1044
MDR-Info, Wilsdruff (D)
20
48
1053
Talksport, Droitwich (G)
500
1035
1134
Voice of Croatia, Zadar (HRV)
600
 814
1197
RFE, München-Ismaning (D)
300  
343
1215
?


1332
Rai Radio 1, Rom (I)
300
1062
1422
Deutschlandfunk, Heusweiler (D)
600
473

Der "einfache" Detektor funktioniert zu meiner vollsten Zufriedenheit - es überhaupt mein erster Detektorempfänger, der einen vernünftigen Empfang ermöglicht. Nicht nur vernüftig, geradezu verblüffend!
Im Nachhinein ist mir auch klar geworden, warum meine Detektorempfänger in der Kinderzeit so unbefriedigend funktionierten - sowohl die Antenne wie die Gleichrichterdiode wurden direkt an das "heiße" Ende des Schwingkreises gekoppelt - beides führt zu einer völlig mangelhaften Selektivität.

"Endgültiger" Aufbau
Da mir der aufgebaute Detektorempfänger zu unhandlich war (außerdem war mir der keramikisolierte Luftdrehkondensator von 500 pF für diesen Zweck "zu Schade"), wurden die Spule, die Ge-Diode und ein kleiner Drehkondensator (ca. 2* 10-340 pF) in ein kleines Plastegehäuse (von "Conrad") eingebaut. Die beiden Plattenpakete des Drehkondensators können mittels eines kleinen Kippschalters wahlweise parallel geschaltet werden, um Schwierigkeiten beim Empfang des unteren Mittelwellenbereiches zu vermeiden


Einfacher Detektorempfänger 2    Innenansicht  


Detektorempfänger für DX-Empfang

DX-Detektor-Empfänger

Ausgangspunkt war für mich ein Artikel von Berthold Bosch, DK6YY, in der CQDL, wo er eine dem heutigen Stand der Technik entsprechende Detektorschaltung vorstellt. [5] (Im Schaltungsdesign fliessen Erkenntnisse von Ben H. Tongue ein.) Mit diesem zwei- bzw. dreikreisigen Detektorempfänger gewann B. Bosch im Januar den Xtal Set DX Contest 2003: er hörte 191 Sender auf Mittelwelle, wobei die größte Empfangsreichweite 4307 km betrug! (Photo, Schaltung und Contestlog findet man auf der Gästeseite von DC7BJ's "Gollums's Crystal Receiver World", siehe auch hier, sowie natürlich der bereits weiter oben angeführte Artikel [1]).
Wodurch zeichnet sich B. Boschs Detektorempfänger aus?
(1) Sehr hohe Schwingkreisgüten durch Verwendung von Ferrit-Schalenkernen der Firma Epcos aus dem Material M33 - bei MW werden Leerlaufgüten von 400-600 erreicht.
(2) Spezielle Schottky-Diode zur Demodulation, die nicht an eine Anzapfung gelegt wird; Anpassung des Kopfhörers über NF-Übertrager.
(3) Verwendung von zwei - bzw. drei schwachgekoppelten Schwingkreisen und variable Anpassung der Antenne.
(4) Unterteilung des MW-Empfangsbereichs in drei Bereiche, um jeweils optimale Empfindlichkeit und Trennschärfe zu erreichen.

Die Schaltung
Ein Nachbau der Schaltung ("Boschodyne") fordert einen erheblichen Aufwand, alleine die Beschaffung der HF-Litze und Ferritschalenkerne "geht richtig ins Geld", ganz zu schweigen von den speziellen Übertragern und "Sound-Powered"-Kopfhörern. Für einen Nachbau erschien mir eine einfacherer Variante von Rainer Steinfuehr ("Gollodyne") als wesentlich geeigneter. Hier die von mir nachgebaute Schaltung:

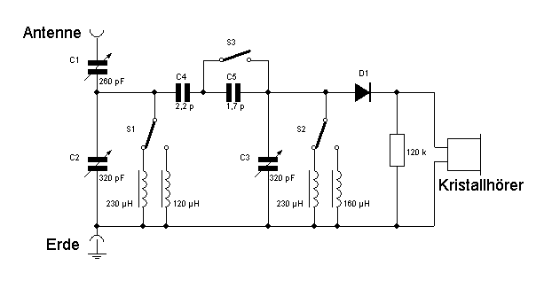
Selektiver Detektorempfänger      

Es handelt sich um einen kapazitiv gekoppelten zweikreisigen Detektorempfänger, wobei für den Mittelwellenbereich jeweils zwei Ferritschalenkernspulen eingesetzt werden. Mit den Schaltern S1 und S2 wird jeweils ein paar der Spulen ausgewählt. C1 ermöglicht die variable Ankopplung der Antenne, der Wert von 260 pF ist ohne größere Bedeutung (diesen Wert hate ein gerade vorhandener Luftdrehkondensator). Mit S3 ändert man die kapazitive Kopplung der beiden abgestimmten Schwingkreise, bei loserer Kopplung (S3 offen), steigt die Selektivität, während die Lautstärke geringer wird.

Zu den Bauteilen:
Es müssen qualitativ hochwertige Bauteile verwendet werden, es hat z.B. keinen Sinn, die Spulen auf Ferritschalenkerne zu wickeln und dann für die Drehkondensatoren Ausführungen aus "Hartpapier" zu verwenden. Will man das letzte Quentchen an Leistung herausholen, spielt selbst die HF-taugliche (d.h. möglichst verlustarme) Ausführung der Schalter und der Lötstützpunkte eine Rolle.
-  C1 Luftdrehkondensator, 260 pF (Taschenempfänger T100, RFT)
-  C2, C3 Luftdrehkondensator 320 pF (jeweils ein Plattenpaket eines Doppeldrehkos)
-  D1 BAT48
Im Gegensatz zur Schaltung des "einfachen Detektorempfängers" bringt hier eine Germaniumdiode keinen Vorteil. Die Germaniumdiode (GAY63) - da sie hier nicht an einer Anzapfung liegt - bedämpft im Gegensatz zur BAT48 stärker den zweiten Schwingkreis, so daß eine merkliche Verschlechterung der Selektivität des Detektors eintritt. Auch hier gilt: Ausprobieren!
-  S1, S2, S3 einpolige Miniaturkippschalter
-  Kristallhörer (Mono-Ohrhörer S-83 K, "Conrad")
-  2 Spulen von ca. 230 µH (für Frequenzbereich ca. 500-1300 kHz)
-  2 Spulen von ca. 120 und 160 µH (für Frequenzbereich ca. 700-1700 kHz, siehe auch folgende Bemerkung)
Die Spulen werden mit - am besten lötbarer - HF-Litze (bei mir 40 x 0,04 mm, Gesamtdurchmesser 0,4 mm - bei größeren Durchmesser paßt die Wicklung nicht auf den Spulenkörper) auf Ferrit-Topfkerne RM6 aus dem Material M33 AL=100 von Epcos, (Datenblatt)  gewickelt. Für die zwei 230µH-Spulen sind 49 Windungen (ca. 1,60 m Litze), für die 120 µH Spule 35 Windungen und für die 160µH-Spule 40 Windungen (ca. 1,30m Litze) aufzubringen. In den allgemeinen "Application Notes"  zu RM-Kernen wird darauf hingewiesen, daß zur Erzielung höchster Güten im Bereich des Luftspalts keine Wicklung aufgebracht werden soll, hier empfiehlt sich eine "Aufpolsterung" aus Polyester, Kapton, Teflon. (Genaue Aufbauhinweise bei R. Steinfuehr, in seinem "Radioladen" gibt es auch die RM6-Ferritschalenkerne, Teflonschnur, HF-Litze u.v.m. Meine Schalenkernsätze habe ich von MM Mentik Mikroelektrik bezogen - neben den "RM6 M33 Kernsätzen" benötigt man noch die Spulenkörper einschließlich zweier Befestigungsklammern.)
Bei meinem mechanischem Aufbau des Detektorempfängers habe ich das Problem, daß mit den von R Steinfuehr angebenen Werten für die Spulen für den Frequenzbereich von ca. 700 -1700 kHz (jeweils 160 µH für beide Spulen) sich der erste Schwingkreis nicht bis zu 1700 kHz abstimmen lässt. Ursache ist der zur Antennenankopplung dienende Luftdrehko C1, der durch die ungünstige Art der Montage eine zusätzliche Kapazität gegen Masse bildet, zudem ergibt sich durch den Anschluß der Antenne eine zuätzliche Belastung. Ich habe deshalb bei der ersten Induktivität für den oberen Frequenzbereich nur 35 Windungen entsprechend ca. 120 µH aufgebracht.

Aufbau

Innenansicht des Detektors

Der Detektorempfänger wurde in ein Kunststoffkleingehäuse mit einer Frontplatte aus Aluminium von "TEKO" (L x B x H 161 x 96 x 61 mm) eingebaut. Die Verdrahtung erfolgt ohne irgendwelche gesonderten Lötstützpunkte alleine über die Anschlußpunkte bei den Drehko's, Spulen, Schalten, Buchsen.
Kopfzerbrechen bereite mir zunächst die isolierte Befestigung des Antennankopplungsdrehkondensators, da bei meinem der Rotor mit Masse verbunden war. Die Lösung war eine Glimmerscheibe und Isolierstücke für die Befestigungschrauben, gedacht einmal für die isolierte Befestigung von Leistungstransistoren.

Empfangsergebnisse
Ich erspare mir hier die Aufzählung, am 04.09.2003 empfing ich gegen 23.00 MESZ mehr als 30 Stationen auf Mittelwelle. Dieser Detektor ist signifikant empfindlicher und trennschärfer als der "einfache" Detektorempfänger.

Fazit oder lohnt sich der Aufwand?
Tja - die Antwort hängt von der Fragestellung ab. Ist man "Detektorfreak" und möchte die Grenze des Machbaren ausloten, lohnt sich ein solcher Aufwand sicherlich. Da ist aber wahrscheinlich auch mein Aufbau nicht gut genug. Möchte man nur einen gut funktionierenden Detektorempfänger haben, ist man mit der obigen einfachen Schaltung besser bedient. Hinzu kommt, daß der "einfache" Detektor leichter zu bedienen ist - hier hat man nur einen Abstimmknopf, während beim DX-Empfänger drei Drehkondensatoren zu bedienen sind, wobei sich die Einstellungen von C1 und C2 sehr stark gegenseitig beeinflussen.


Eine "theoretische" Bemerkung im Nachhinein


Da ein Detektorempfänger rein passiv arbeitet, d.h. keinerlei Verstärkung erfolgt, besteht das fundamentale Prinzip bei der Konstruktion folglich darin, eine möglichst verlustfreie Übertragung der von Antenne/Erde aufgenommenen Energie bis zum Kopfhörer zu ermöglichen. Neben der Verwendung von verlustarmen Bauelementen müssen deshalb die einzelnen Stufen eines Detektorempfängers - von der Antenne/Erde  bis zum Kopfhörer - korrekt angepaßt werden. (Auch bei einer korrekten Wirkleistungsanpassung - Lastimpedanz ist gleich der Generatorimpedanz - ist der Maximalwert der an die Last abgegebenen Leistung "nur" gleich der halben vom Generator erzeugten Wirkleistung!)
Für die Übertragung der HF-Leistung vom Schwingkreis zur Diode heißt das, das der dynamische oder Wechselstromwiderstand der Detektordiode für eine maximale Leistungsübertragung an den Resonanzwiderstand des Schwingkreises angepaßt werden muß. Der Resonanzwiderstand eines Schwingkreises von 180 µH (Mittelwellenspule) beträgt z.B. bei 1.000 kHz und einer Schwingkreisgüte (Leerlaufgüte) von 100, 200 (gute Luftspule) und 450 (Ferrit-Schalenkern) jeweils ca. 113 kOhm, 226 kOhm bzw. 510 kOhm (es geht hier nur um die ungefähre Größenordnung der Werte zur Verdeutlichung der Problematik). Der dynamische oder Wechselstromwiderstand einer Halbleiterdiode im Bereich des Nullpunktes (Koordinatenursprung) der Kennline liegt nun bei der Germaniumdiode 1N34A je nach Exemplar zwischen 45 und 170 kOhm, Schottky-Dioden haben Wechselstromwiderstände in der Größenordnung zwischen 190 kOhm (Agilent HSMS-2870), 280 kOhm (Agilent HBAT-5400) und 2,5 MOhm (Agilent 5082-2835) (Angaben nach [6]). Es liegt auf der Hand, daß eine "niederohmige" Germaniumdiode für eine halbwegs korrekte Anpassung an einen Schwingkreis über eine Anzapfung angeschlossen werden muß, während die "hochohmigen" Schottky-Dioden unmittelbar an das "heiße" Ende des Schwingkreises angeschlossen werden können bzw. sogar eine Parallelschaltung von Dioden für eine korrekte Anpassung erforderlich sein kann. Die nächste Frage ist dann die korrekte Anpassung  eines Kopfhörers - eine Problematik die hier völlig ausgeblendet wurde. Hier empfiehlt sich u.U. der Einsatz von NF-Übertragern.
1. Schlußfolgerung: Es gibt nicht die "bessere" oder "schlechtere" Diode in einer Detektorschaltung schlechthin, sondern es hängt von der konkreten Schaltungsauslegung und den verwendeten Bauteilen des Detektors ab, ob diese oder jene Diode mit ihren konkreten elektrischen Kennwerten besser geeignet ist als eine andere.
2. Schlußfolgerung:  Ist man an einer ernsthaften theoretischen Betrachtung des Detektorempfangs interessiert, führt kein Weg an den (auch im WEB größtenteils verfügbaren) Arbeiten von Berthold Bosch, Ben H. Tongue und Mike Tuggle vorbei. Die hier nur fragmentarisch angerissene Anpassungs-Problematik wird von diesen Autoren ausführlich erörtert. Diese anspruchsvollen Untersuchungen und Darstellungen setzen allerdings schon ein gehöriges Maß an Fachwissen auf dem Gebiet der Hochfrequenztechnik voraus.

[1] Berthold Bosch: Preisgekrönter Detektorempfänger. In: Radio-Kurier - weltweit hören 11-12/2004. S. 22-26. [Erstabdruck: Funkgeschichte Nr. 154, April/Mai 2004]. Artikel ist im WEB als PDF-Datei verfügbar: http://www.radiomuseum.org/dsp_forum_post.cfm?thread_id=31988.
[2] Hanns Günther / Hans Vatter: Der Kristallempfänger. Eigenschaften, Selbstbau und Handhabung. Stuttgart: Franckh'sche Verlagshandlung 1925. S. 23.
[3] Martin Steyer (DK7ZB): Detektorempfang wie zur Charlestonzeit. In: Funkamateur. Heft 8/1997. S. 900f.
[4] Standardfilter - Technische Daten für den Amateur. In: Funkamateur. Heft 4/1984. S. 184.
[5] Berthold Bosch DK6YY: Moderner Detektor - 19 dB sind drin! In: CQ DL. Heft 6/2003. S. 421.
[6] Ben H. Tongue: Procedures for Determining the best Diode and Audio Transformer for any Specific Crystal Set, along with a way to Measure the Saturation Current of the Diode. URL: http://uweb.superlink.net/bhtongue/4opd_xfr/4opd_xfr.html

(C) Lutz Höll, 2003-2004
Link's überprüft 1.11.2004
Letzte Änderung: 1.11.2004

Home