
| Center frequency |
7.000 - 7.200 kHz possible. Standard values see list below |
|
| 3dB bandwidth | +- 12,5 kHz | min. |
| passband ripple within fo+-10 kHz | 2 dB | max. |
| insertion loss | 3,5 dB | max. |
|
Stop bandwidth at 40 dB at 60 dB |
+-27 kHz +-40 kHz |
max. |
|
Spurious response attenuation fo+-80 kHz...+500 kHz |
60 dB | min. |
| Ultimate attenuation | 90 dB | min. |
|
Out-of-band intermodulation : 3rd order Intercept Point Tones -10dBm @ fo+-50/100 kHz |
+30 ... +35 dBm | typ. |
|
Input power : nominal maximum (short time) |
0,1 mW 10 mW |
typ. max. |
| Termination Input / Output | 50 Ohm | +- 10% |
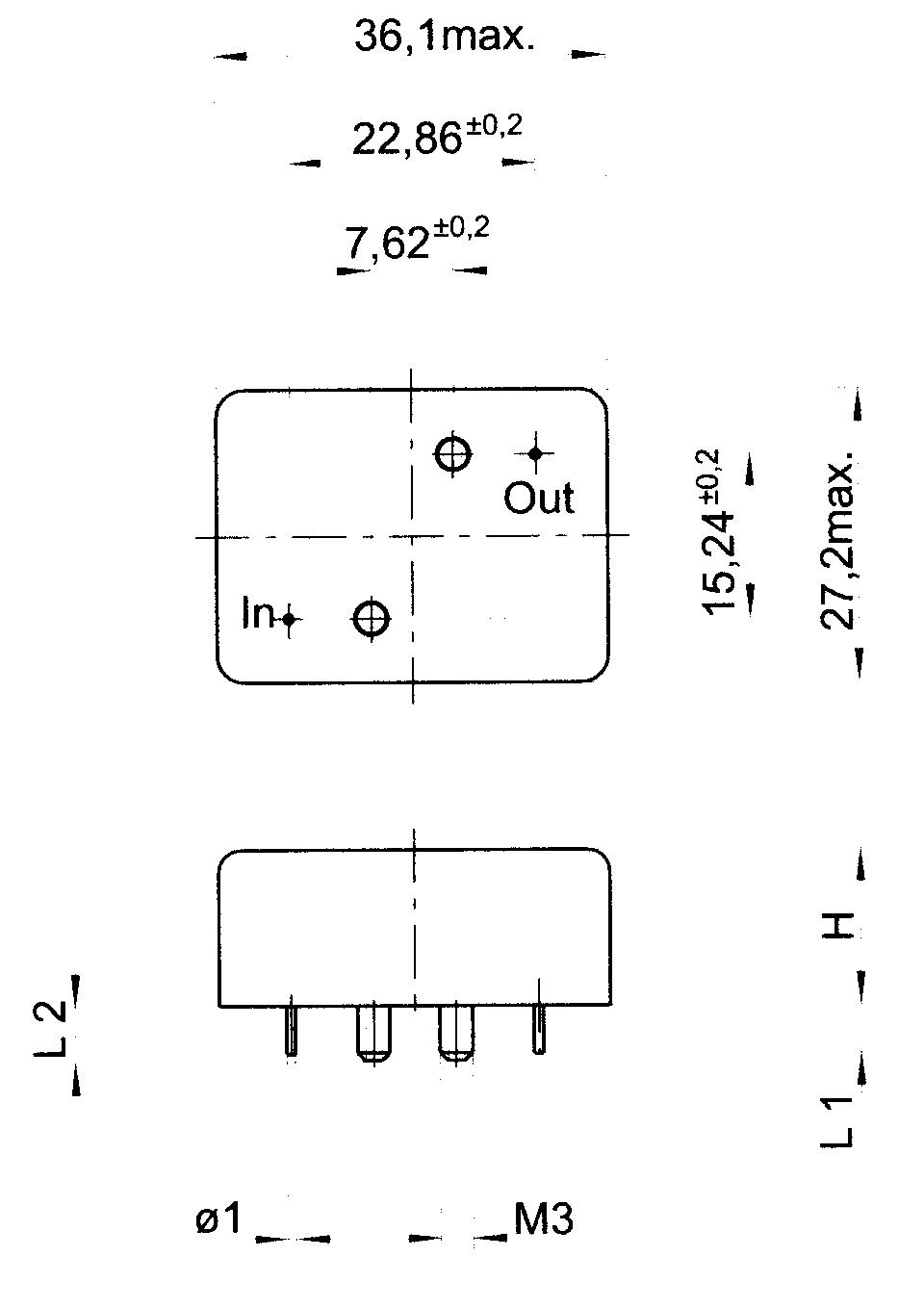
| Enclosure size (LxWxH) | 36,1 mm x 27,2 mm x 20 mm | max. |
| Operating temperature range | 0°C ... +60°C | min |
|
Center frequency (kHz) |
Tolerance Hz |
Part. No. |
| 7.012,5 | +- 500 | AF40-7012,5 |
| 7.032,5 | +- 500 | AF40-7032,5 |
| 7.052,5 | +- 500 | AF40-7052,5 |
| 7.077,5 | +- 500 | AF40-7077,5 |
Zum Ansehen und Herunterladen der PDF-Datei benötigen Sie den Adobe Acrobat Reader.
For viewing and downloading of the PDF files you need an Adobe Acrobat Reader.
Anfragen an / Inquiries to :
E-mail : [email protected]
Zurück zur Startseite