>> | Galerie  | Downloads  | <<  TU Berlin Home Projekt Protokolle Berichte Datenblätter Team Projekt Elektronik
<<< zurück


     
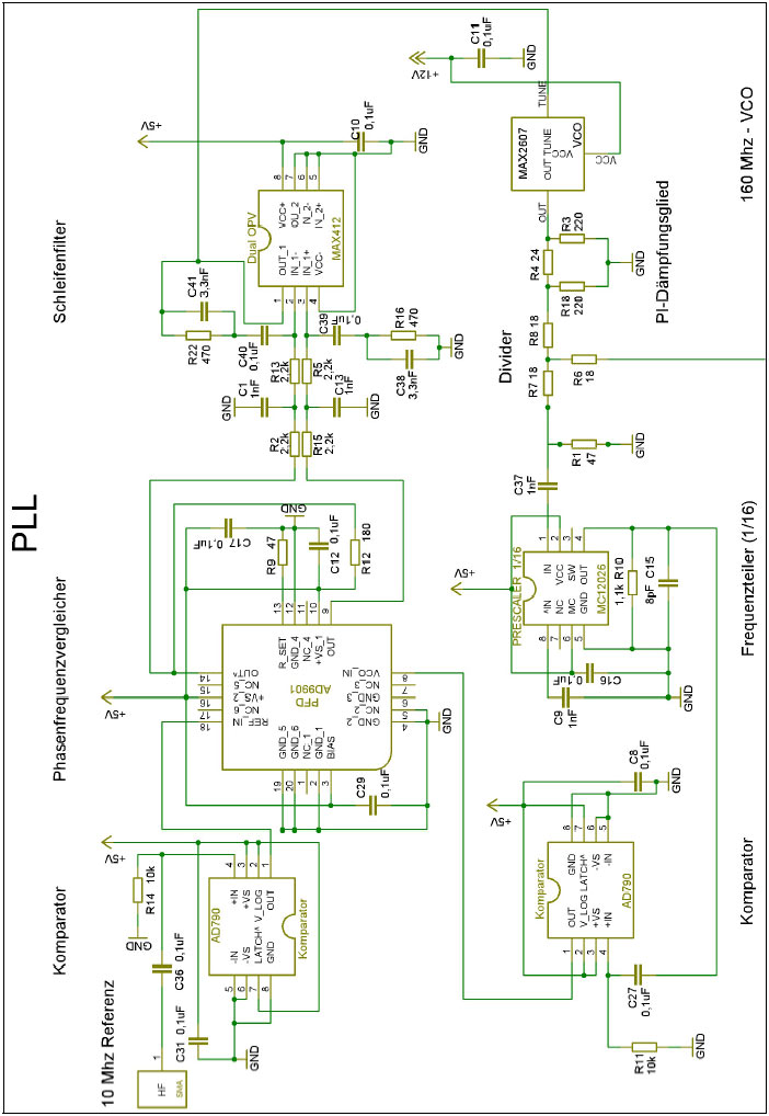
Schaltplan der PLL

Letzte Änderung: 02.04.2004