>> | Galerie  | Downloads  | <<  TU Berlin Home Projekt Protokolle Berichte Datenblätter Team Projekt Elektronik
<<< zurück


       
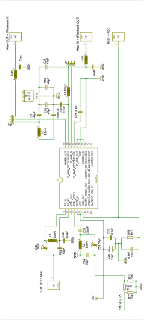
Beschaltung des FM Empfängers

Letzte Änderung: 12.04.2004