Callsign




Sailor SA-7000




Sailor SA-7000

Ein eBay-Kauf. Preis inkl. aller Gebühren: 47,50 €.

Bei der SA-7000 handelt es sich um eine Funk-Farbkamera, zu der auch ein kleiner Empfänger gehört. Die Übertragung erfolgt im 2,4 GHz ISM-Band. Zur Stromversorgung dient eine 9V Block-Batterie. Diese sollte möglichst voll sein, denn die Kamera zieht zwischen 70 und 80 mA daraus (je nach Helligkeit). Das ist für so ein 9V-Blöckchen doch schon einiges. Mignons hielten sicher wesentlich länger, wären aber auch größer und schwerer.

Sicherlich ein Spielzeug das Ganze (Made in China). Davon zeugt auch die Verpackung. Ich habe mir davon ehrlich gesagt von vornherein nicht wirklich viel versprochen. Allerdings war der Preis mir den Spaß wert, mal einen Eindruck davon zu bekommen. Schließlich kosten allein schon die Schwarz-Weiß-Kamera-Module um die 25 €. Notfalls würde ich das Ding ja wieder über eBay loswerden.

Was ich aber dann beim ersten Test zu sehen bekam, war wirklich jenseits von Gut und Böse. Zu dunkel, zu unscharf / verwaschen, das Rot "fiel" fast aus meinem TV-Gerät, Farben allgemein wurden nahezu willkürlich dargestellt, und immer wieder Tonstörungen.

Nun, um es gleich vorwegzunehmen: Die Tonstörungen waren schnell beseitigt, da lediglich die Sende- oder Empfangsfrequenz daneben lag. Man konnte im Inneren der Kamera das 2,4 GHz Sendemodul sofort ausmachen, und erkannte im selben Augenblick auch 3 "Stellschrauben". Das sind 2 Einstellregler (Gleichspannung !!!) für die Sendefrequenz eines jeden Kanals (also 2 Kanäle) und ein Spulenkern für den Tonunterträger. Die 2 Regler werden sich in Zukunft bezahlt machen wenn ich versuchen werde, den Sender ins 13 cm ATV-Band zu ziehen, und von außen abstimmbar zu machen. [ Wie Ihr also schon sehen könnt: Ich werde die Kamera behalten ! ] Also die TX-Frequenz korrigiert, und die zeitweisen Tonstörungen / Bildeinbrüche waren verschwunden.

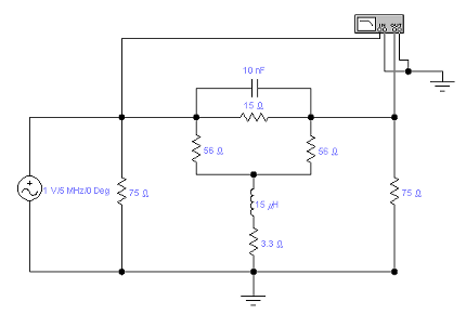
Nun ging es daran herauszufinden, was man an der Bildqualität noch verbessern könnte. Da viel mir gleich zu Anfang auf, daß in der Video-Strecke (zwischen CMOS-Modul und Sender-Eingang) ein RLC-Netzwerk geschalten war, welches (ganz China-like) vollkommen von Heißkleber umhüllt wurde. Ich habe nun die Werte davon ermittelt, um das Netzwerk anschließend im EWB zu simulieren. Was dabei herauskam seht Ihr hier:



EWB Sim 1
EWB Sim 1 Mag
EWB Sim 1 Phase

Der Plot zwischen 100 Hz und 5 MHz ist nahezu brettflach. Nur die Phase ist bei etwa 400 kHz um ca. 9° verschoben. So kann ich mir noch immer nicht die eigentliche Funktion davon erklären. Sicher, irgend welche Signalanteile sollten damit wohl abgesenkt werden. Aber welche ? Oder ging's doch eher um die Phase ?

Ich habe mich dann kurzerhand dazu entschlossen, das Ganze auszulöten, um nun direkt auf den TX-Eingang wahlweise das Kamera-Signal oder das FBAS-Signal meines DVB-S-Receivers zu legen (die ideale Quelle!). Und siehe da: Die Bildqualität wurde schon einmal wesentlich besser (viel heller, weniger Farbverfälschungen). Habe dann noch ein 10 kOhm Poti dazwischen geschaltet, um den Videopegel regeln zu können (der war nun schon fast wieder ZU hoch, also das Bild zu hell). So war das schon viel besser.

Dann viel mir auf, daß die Sender-Logos über DVB ziemlich stark nach rechts verzerrten. Nach längerem zuschauen und "herum-gezappe" ließ sich der Effekt konkretisieren: HELL verzerrt nach DUNKEL, und DUNKEL verzerrt nach HELL (Weiß nach Schwarz / Schwarz nach Weiß). In beiden Fällen nach rechts.

Nach einigen Überlegungen begann ich etwas zu experimentieren. Leider mit sehr unbefriedigenden Ergebnissen. Nach einem Tip eines befreundeten OMs habe ich mich dann näher mit einem RC-Parallel-Glied beschäftigt. Leider konnte er mir keine Werte dafür angeben, und wußte auch nicht mehr genau, ob das Parallelglied nun in Serie oder parallel in den Signalzweig geschalten werden mußte. Nach langem Probieren fand ich dann bei folgender Kombination ein Optimum:



EWB Sim 2
EWB Sim 2 Mag
EWB Sim 2 Phase

Jetzt waren kaum noch die geschilderten Verzerrungen auszumachen (außer in Extremfällen, dann aber wesentlich schwächer). Da missfiel mir eine weitere Sache: Beim Vergleich zwischen direktem TV-Signal und dem Signal durch die Übertragunsstrecke bemerkte ich, daß letzteres immernoch recht unscharf war. Deshalb war auch das Kamerabild unscharf. Nun das Kameramodul direkt an den SCART-Anschluß: Aha, ist doch garnicht mehr so schlimm mit der Unschärfe. Nun noch etwas am Fokus gestellt... Naja, perfekt ist's nicht geworden (da nur ein CMOS 250.000 Pixel-Modul auch etwas "milchig"). Die Hauptursache der Unschärfe und des Verwischens liegt demnach in der Übertragungsstrecke selbst, und weniger am Kamera-Modul. Da werde ich mich später noch einmal daran versuchen ..... Geplant sind außerdem externe Anschlüsse für die Audio/Video-Zuführung (mit Umschalter intern/extern) und eine Buchse für die Stromversorgung mit 13,8V.





This website is optimized for 1024x768 pixel and is no longer supporting MS Internet Explorer.
Valid HTML 4.01   Copyright © 2000-2025 DHØHQN - All Rights Reserved.
  Valid CSS2.1