![]() |
Aufgeweckt
Der Normalfrequenzempfänger aus dem Supermarkt |
This page deals with modifying a cheap radio-controlled alarm clock
into a time- and standard-frequency receiver
Assuming that this text is not of great interest outside of Germany
(because of the limited range of the DCF77 standard-frequency transmissions),
I did not translate this text. Please
,
if you are interested in an english version.
In Zeiten von GPS, GSM, TV, ISDN... sind DCF77-gesteuerte Frequenznormale
ein wenig unmodern geworden. Seit einigen Jahren gibt es jedoch in Lebensmittel-Supermärkten
preiswerte funkgesteuerte Wecker zu kaufen, deren Innenleben eine genauere
Betrachtung wert ist.
Damit sie auch in gestörter Umgebung noch funktionieren, enthalten
diese Uhren einen empfindlichen Empfänger mit 77.5-kHz-Quarzfilter.
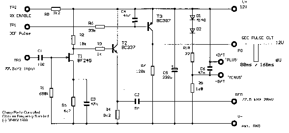
Mit wenig Aufwand kann aus dieser Uhr sowohl der DCF77-Zeittakt, als auch
eine stabile 77.5-kHz-Referenzfrequenz entnommen werden.
Um Batteriestrom zu sparen, wird der Empfänger in Abständen
von einer Stunde jeweils nur für kurze Zeit aktiviert, um die Uhr
neu zu synchronisieren.
Man kann durch eine einfache Brücke erreichen, daß der
Empänger permanent aktiv ist und das Zeit- und Normalfrequenzsignal
dauernd zur Verfügung stehen. Zur Entkopplung und Pegelwandlung habe
ich noch eine kleine Schaltung vorgesehen, die im nicht mehr benötigten
Batteriefach Platz findet.
Nach dem Umbau ist es sinnvoll, die Uhr aus der externen Schaltung
mit 12 V zu versorgen.
TP1 und TP2 sind auch zur Oberseite hin durchkontaktiert; der Anschluß
TP3 kann mit einem kurzen isolierten Draht zur Oberseite geführt werden.
Die Platine kann dann wieder festgeschraubt werden (-> Kontrolle, ob das
Display noch funktioniert!). Wegen der geringen Bauteileanzahl wird die
Schaltung am einfachsten "freitragend" im Batteriefach aufgebaut. Zu beachten
ist, daß die Massefläche mit dem Pluspol der Batterie verbunden
ist. Das ganze sieht nach Fertigstellung etwa so aus:

Nach einer kurzen Funktionskontrolle sollte man am besten den Deckel wieder schließen ;-).
© 2000 Ulrich Strate, DF4KV