| KyteLabs InfoBase - Electron Tubes & Valves Data | Last modified: 2016-11-25 (18650) |
| 4 | NF-Leistungsverstärker Audio Power Amplifier Characteristics |
| 4.6 | Tetroden und Pentoden im Gegentaktbetrieb Push-Pull Tetrodes and Pentodes |
| 4.6.3 | Schaltungen ohne Ausgangstransformator Output-Transformerless Circuits |
Das Bremsgitter g3 ist mit der Katode verbunden, wenn eine explizite Angabe von Ug3 fehlt.
The suppressor grid g3 is tied to the cathode unless a value of Ug3 is specified.
| Pout = 4.0 ... 10 W | ||||||||||||||||||||
|---|---|---|---|---|---|---|---|---|---|---|---|---|---|---|---|---|---|---|---|---|
| Ub | Rg2 | Rg1 | RkI | RkII | Ca | Cg2 | Ck | Ib | RaL | Pout | Ug1~ | k | Class | Ref *? | ||||||
| V | kOHM | OHM | OHM | µF | µF | µF | mA | OHM | W | V.PK | % | |||||||||
| 7754 | 280 | 4.0 | 470 | 100 | 100 | 80 | 8.0 | 50 | - | 500 | 5.0 | 10.5 | 10 | A | Syl61 Ci1 | |||||
| Ub | Rg2 | Rg1 | RkI | RkII | Ca | Cg2 | Ck | Ib | RaL | Pout | Ug1~ | k | Class | 17646 | ||||||
| V | kOHM | OHM | OHM | µF | µF | µF | mA | OHM | W | V.PK | % | |||||||||
| Ub | Rg2 | Rg1 | RkI | RkII | Ca | Cg2 | Ck | Ib | RaL | Pout | Ug1~ | k | Class | Ref *? | ||||||
| V | kOHM | OHM | OHM | µF | µF | µF | mA | OHM | W | V.RMS | % | |||||||||
| EL86 | 300 | 5.6 | - | 120 | 120 | 8.0 | 8.0 | 50 | 66 | 1000 | 0 | 0 | - | A | 22 Mul60 Phi69 Ci1 | |||||
| - | 0.05 | 0.41 | - | |||||||||||||||||
| 64 | 4.5 | 5.4 | 9.3 | |||||||||||||||||
| 300 | 5.6 | - | 120 | 120 | 8.0 | 8.0 | 50 | 69 | 1000 | 0 | 0 | - | A | 22 Phi57 Tfk68 Ci1 | ||||||
| - | 0.05 | 0.55 | - | |||||||||||||||||
| 67 | 4.8 | 5.7 | 9.3 | |||||||||||||||||
| Ub | Rg2 | Rg1 | RkI | RkII | Ca | Cg2 | Ck | Ib | RaL | Pout | Ug1~ | k | Class | 17646 | ||||||
| V | kOHM | OHM | OHM | µF | µF | µF | mA | OHM | W | V.RMS | % | |||||||||
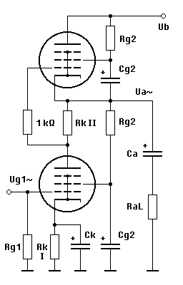
| Eisenlose Endstufe - Output-Transformerless Power Amplifier | Ci1 | |||||||||||||||
|---|---|---|---|---|---|---|---|---|---|---|---|---|---|---|---|---|
![]() | ||||||||||||||||
| Ub | Ug2 | Ug1 | Ib | Ia | Ig2 | RaL | Pout | Ug1~ | k | Zg | Class | Ref *? | ||||||
|---|---|---|---|---|---|---|---|---|---|---|---|---|---|---|---|---|---|---|
| V | V | V | mA | mA | mA | OHM | W | V.RMS | % | kOHM | ||||||||
| EL86 | 300 | 150 | –9.1 | 75.8 | 71 | 4.8 | 800 | 0 | 0 | - | 50 | A | Val65 Ci2 | |||||
| - | 63 | 12.2 | 9.0 | 5.9 | 9.5 | |||||||||||||
| Ub | Ug2 | Ug1 | Ib | Ia | Ig2 | RaL | Pout | Ug1~ | k | Zg | Class | 17646 | ||||||
| V | V | V | mA | mA | mA | OHM | W | V.RMS | % | kOHM | ||||||||
| Lg2 | Rg1 | RkI | RkII | Ca | Cg2 | Cg1 | Ck | Class | Ref *? | |||||
|---|---|---|---|---|---|---|---|---|---|---|---|---|---|---|
| H | kOHM | OHM | OHM | µF | µF | nF | µF | |||||||
| EL86 | - | 470 | 110 | 120 | 32 | 8.0 | 25 | 100 | A | Val65 Ci2 | ||||
| Lg2 | Rg1 | RkI | RkII | Ca | Cg2 | Cg1 | Ck | Class | 17646 | |||||
| H | kOHM | OHM | OHM | µF | µF | nF | µF | |||||||
| Eisenlose Endstufe - Output-Transformerless Power Amplifier | Ci2 | |||||||||||||||
|---|---|---|---|---|---|---|---|---|---|---|---|---|---|---|---|---|
![]() | ||||||||||||||||
| Ub | Ug2 | Ug1 | Ib | Ia | Ig2 | RaL | Pout | Ug1~ | k | Zg | Class | Ref *? | ||||||
|---|---|---|---|---|---|---|---|---|---|---|---|---|---|---|---|---|---|---|
| V | V | V | mA | mA | mA | OHM | W | V.RMS | % | kOHM | ||||||||
| EL86 | 300 | 150 | –14 | 55.9 | 52 | 3.9 | 800 | 0 | 0 | - | 47 | AB | Tfk68 Ci3 | |||||
| - | - | - | 0.05 | 0.53 | - | |||||||||||||
| - | 51.5 | 10.1 | 7.5 | 9.9 | - | |||||||||||||
| Ub | Ug2 | Ug1 | Ib | Ia | Ig2 | RaL | Pout | Ug1~ | k | Zg | Class | 17646 | ||||||
| V | V | V | mA | mA | mA | OHM | W | V.RMS | % | kOHM | ||||||||
| Lg2 | Rg1 | RkI | RkII | Ca | Cg2 | Cg1 | Ck | Class | Ref *? | |||||
|---|---|---|---|---|---|---|---|---|---|---|---|---|---|---|
| H | kOHM | OHM | OHM | µF | µF | nF | µF | |||||||
| EL86 | - | 470 | 250 | 250 | 100 | 50 | 100 | 100 | AB | Tfk68 Ci3 | ||||
| Lg2 | Rg1 | RkI | RkII | Ca | Cg2 | Cg1 | Ck | Class | 17646 | |||||
| H | kOHM | OHM | OHM | µF | µF | nF | µF | |||||||
| Eisenlose Endstufe - Output-Transformerless Power Amplifier | Ci3 | |||||||||||||||
|---|---|---|---|---|---|---|---|---|---|---|---|---|---|---|---|---|
![]() | ||||||||||||||||
| Pout = 20 ... 30 W | ||||||||||||||||||||
|---|---|---|---|---|---|---|---|---|---|---|---|---|---|---|---|---|---|---|---|---|
| Ub | Ug1 | Rg2 | RkI | RkII | Ib | Ia | Ig2 | RaL | Pout | Ug1~ | k | f | Class | Ref *? | ||||||
| V | V | kOHM | OHM | OHM | mA | mA | mA | OHM | W | V.RMS | % | kHz | ||||||||
| E130L | 420 | –13.7 | 6.9 | 91 | 91 | 150 | - | - | 400 | 0 | 0 | - | - | AB | Val61 Ci4 | |||||
| - | - | - | 25 | 0.25 | 0.8 | 1.0 | ||||||||||||||
| Ub | Ug1 | Rg2 | RkI | RkII | Ib | Ia | Ig2 | RaL | Pout | Ug1~ | k | f | Class | 17646 | ||||||
| V | V | kOHM | OHM | OHM | mA | mA | mA | OHM | W | V.RMS | % | kHz | ||||||||
| Eisenlose Endstufe mit E130L - Transformerless Output Amplifier with E130L | Ci4 | |||||||||||||||
|---|---|---|---|---|---|---|---|---|---|---|---|---|---|---|---|---|
![]() | ||||||||||||||||