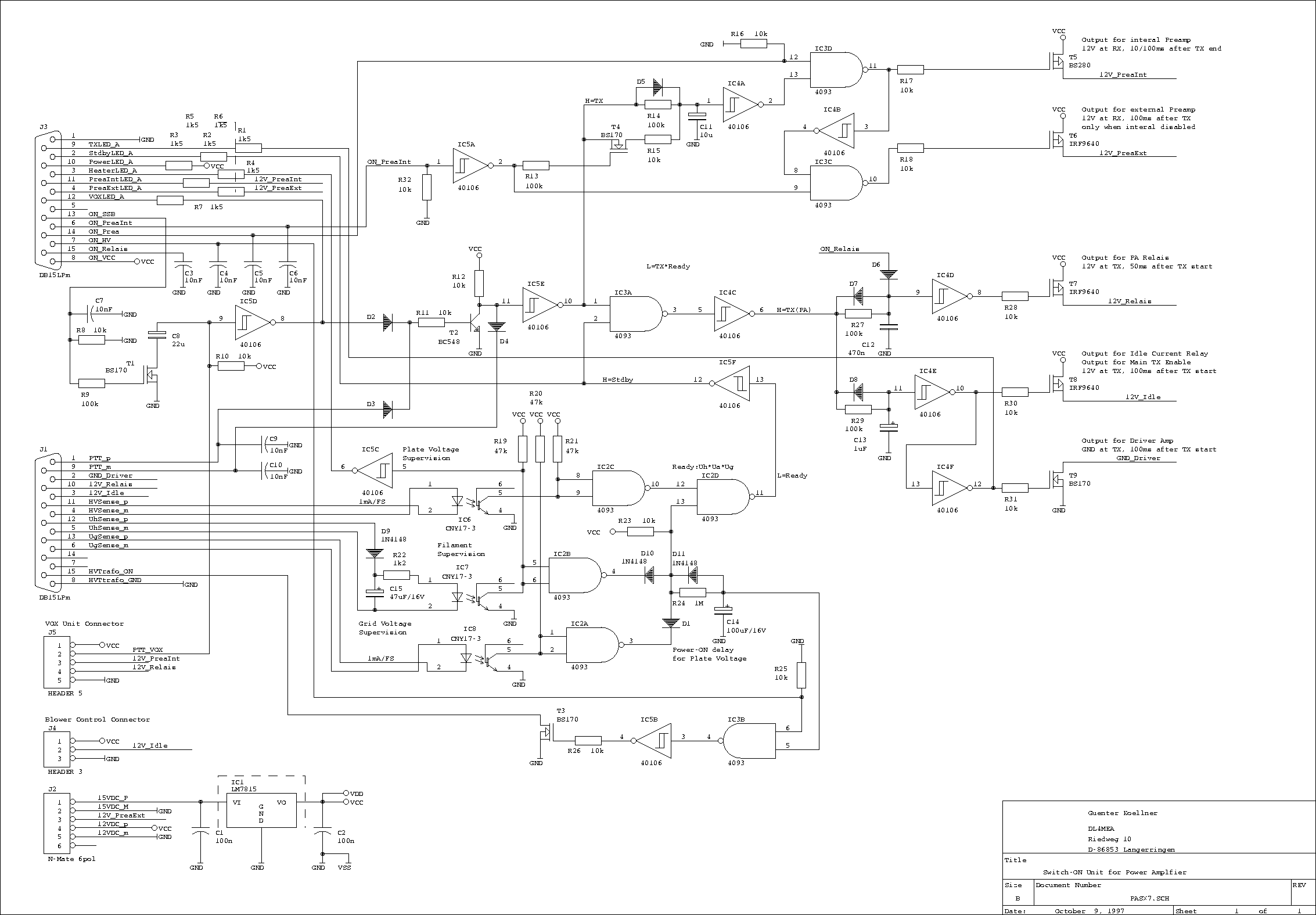
PA Supervision and Switching Control Unit (PASWITCH)

(C) DL4MEA 02/1998

These pictures show a pre-version of the board presented here:

Mounted:    Front View: 


D:


E:


Schematic: (click on the image to view (and save) a high resolution GIF picture)


 

Picture: Place Plan (click on the image to get a Postscript file)


 

Picture: Solder Side (click on the image to get a Postscript file)

 


[HOME] Last updated 980127 08:00 by DL4MEA