A 10 LED bar display (LEDBAR)

(C) DL4MEA 02/1998

10.02.1998    Creation
05.03.1998    Picture added


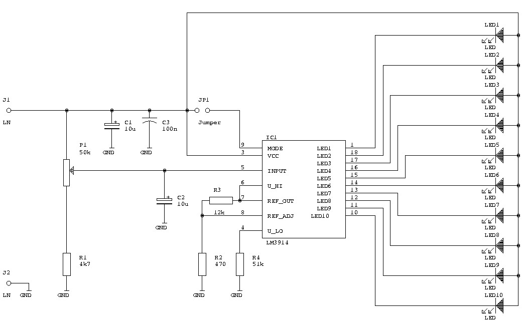
D: Bei dieser Schaltung handelt es sich um die Standardapplikation des LM3914 von National Semiconductor. Der IC ermöglicht den Aufbau einer LED-Zeile oder eines LED-Punkts mit wenigen externen Komponenten. Kaskadierung wird nicht unterstützt.



E: This circuit is the standard application of the LM3914 of National Semiconductor Company. It provides a LED bar or a single walking dot. Simply set Jumper JP1 to change between both modes. I did not add cascading possiblities.


Schematic:


 

Picture: Place Plan


 

Picture: Solder Side (click on the image to get a Postscript file)

 


[HOME] Last updated 980127 08:00 by DL4MEA