5-und
6-Element-Yagis für universellen Einsatz auf dem 2-m-Band Die
hier vorgestellten Varianten von 5- und 6-Element-Yagis wurden für
verschiedene Einsatzzwecke entwickelt. Sie eignen sich für den stationären
Einsatz ebenso gut wie für eine Leichbauweise zum Portabeleinsatz. In
verschiedenen Ausführungen für SSB und FM sowie speziellen Versionen
zum Stocken sollte für jede Anwendung eine geeignete Yagi dabei sein.
Besonderer Wert wurde auf die Nachbausicherheit gelegt, damit auch Anfänger
im Antennenbau zu Erfolgserlebnissen kommen können. Ausgangspunkt
für die Konstruktion waren Antennen, die schon in verschiedenen Veröffentlichungen
vorgestellt wurden [1-4] und auf der UKW-Tagung in Weinheim 2007 beim
Konstruktionswettbewerb mit einem Preis ausgezeichnet wurde. Diese
wurden auf Längen von 1,40 m und 2,50 m zugeschnitten und neu
berechnet. Die kürzere Yagi passt so mit komplettem Boom in eine
handelsübliche Angeltasche zum Transport, die längere wird in zwei Stücke
geteilt und muss zum Aufbau zusammengesetzt werden. Die
physikalischen Grundlagen Bei
Langyagis sind die Konstruktionsprinzipien seit den wegweisenden
Entwicklungsschritten von Günter Hoch, DL6WU, klar und wurden seitdem
nur unwesentlich verbessert [5, 6]. Im Gegensatz dazu gibt es bei kürzeren
Yagis bis zu einer Boomlänge von 1 l
eine Fülle
verschiedener, sich sehr stark unterscheidende Bauvorschläge und
kommerziell gefertigte Antennen. Alle mit EZNEC [7] geprüften Yagis
erwiesen sich dabei als verbesserungsbedürftig, wohl weil sie aus
umgerechneten Fernsehantennen abgeleitet wurden oder völlig veraltete
Konstruktionen darstellen. In vielen Fällen sind zu viele Elemente mit
zu kleinem Abstand zwischen den Direktoren vorhanden, was zu Sprüngen
im Stromprofil und in Folge zu schlechten Richtdiagrammen führt. Es
soll nicht näher auf die recht komplexen Grundlagen eingegangen werden,
jedenfalls übertreffen die hier beschrieben
Yagis bezüglich des Gewinns und des Richtdiagramms alle anderen
analysierten deutlich. Die Entwürfe wurden mit den Programmen YO [8]
und EZNEC +5 [7] erstellt und der Anpassungsverlauf und das
Horizontaldiagramm messtechnisch verifiziert. Die
5-Element-Yagi ist breitbandiger und damit insgesamt unkritischer
bei guter Rückwärts-unterdrückung.
Bei der vorgegebenen Länge von 1,40 m reichen an sich 4 Elemente aus,
wenn man einen kleineren Strahlungswiderstand zu Grunde legt. Zum
direkten Anpassen eines 50-Ohm-Koaxkabels
wurde noch ein zusätzliches Matchelement als sehr eng gesetzter
Direktor 1 eingefügt und die gesamte Yagistruktur nach dieser Maßnahme
noch einmal optimiert. Die
6-Element-Yagi ist eine Ausführung mit schmalbandigerem
Anpassungsverlauf und schlechterem V/R-Verhältnis. Dies wurde zugunsten
eines hohen Gewinns in Kauf genommen. Der
Anschluss des unsymmetrischen Koaxialkabels an den Strahler erfolgt über
eine Koax-Speisedrossel. Das ist zwar keine echte Symmetrierung, aber
der Ausgang ist mit >18 dB gegenüber dem Eingang entkoppelt, wie
verschiedene Messungen zeigen. Dies reicht für Amateurzwecke völlig
aus, das Richtdiagramm ist absolut symmetrisch und es treten keine
Mantelwellen auf. Unbedingt
vermeiden sollte man die Gamma-Anpassung, auch wenn sie bei Selbstbauern
sehr beliebt ist. Wie umfangreiche Untersuchungen zeigen, ist die
Mantelwellenunterdrückung unzureichend und ein unsauberes Richtdiagramm
die Regel. Die
Maße sind für eine Mittenfrequenz von 144,3 MHz zugeschnitten, um die
Yagi für SSB und CW zu nutzen. Sollen sie ausschließlich für FM
eingesetzt werden, müssen alle Elemente um 8 mm gekürzt werden. Als
Kompromiss zum Einsatz im gesamten Bereich von 144-146 MHz macht man
alle Elemente 4 mm kürzer. Dann sinkt allerdings der Gewinn im unteren
Bandsegment. Die Freiraumdiagramme für eine Montage mit horizontaler
Polarisation sind in den Bildern
1
und 2
abgebildet. |
![]() |
![]() |
| Der
Vorteil einer solchen vergleichsweise kurzen Yagi ist ihr noch relativ
großer horizontaler Öffnungswinkel. Eine Gewinnerhöhung ist
sinvollerweise über eine vertikale Stockung zu erreichen, wobei deren
Azimutwinkel beibehalten wird. In Tabelle 1
sind die Kurzdaten der Yagis zusammengestellt.
Tabelle
1: Kurzdaten der beschriebenen Antennen
Die
mechanische Realisierung Hier
hat der Nachbauer einen breiten Gestaltungsspielraum, wenn er sich an
ein paar Grundregeln hält. Um für die verschiedensten Einsatzzwecke
unterschiedliche Elementdurchmesser einsetzen zu können, werden die
jeweiligen Abmessungen für Aluminium-Schweißstäbe mit
AlMg-Legierungen mit 2,4 mm, 3,2 mm und 4 mm angegeben. Diese sind in
handelsüblichen Längen von 1 m erhältlich. Der kleinste Durchmesser
kann dort verwendet werden, wo es auf absolute Gewichtseinsparung, zum
Beispiel beim BBT ankommt. Außerdem sind für 6-mm-Rohre, wie sie in
jedem Baumarkt erhältlich sind, die Abmessungen aufgeführt. |
![]() |
Die
Schweißstäbe werden mit PVC-Klammern befestigt, wie es bei den schon
beschriebenen Leichtbau-Yagis vorgestellt wurde (Bild 3).
Als Boom kann man PVC-Rohre für die Elektroinstallation verwenden,
diese Lösung eignet sich aber nur für den vorübergehenden
Portabelbetrieb. Stabiler sind 16x1-mm-Alu-Rundrohre.
Eine
konkurrenzlos leichte Variante ist mit PVC-Installationsrohr mit
2,4-mm-Schweißstäben als Parasitärelementen aufzubauen. Dabei kann
man sogar noch die Halteschellen einsparen, wenn man das Loch mit 2,1 mm
etwas kleiner bohrt und die Stäbe wie in Bild 4 einfach
hindurchschiebt. Nach mehrmaligem Auf- und Abbau weitet sich das Loch
allerdings, mehr Halt ergeben dann durchgesägte und dadurch halbierte Lüsterklemmen
(Bild 5), mit denen die Lage fixiert wird. Kopfzerbrechen
bereitet meist der Reflektor, weil er länger ist als die 100 cm der
Schweißstäbe. Auch dafür gibt es aber eine Lösung: Das Element wird
aus zwei Hälften zusammen-gesetzt. Die verbindende Lüsterklemme wird
im Inneren des Rohres untergebracht, wie in Bild 6
zu sehen. |
![]() |
![]() |
![]() |
![]() |
|
Für
stationäre Montage empfiehlt sich die Verwendung von 15x15-mm-Vierkant-
oder 16x1-mm-Rundaluminium als Tragrohr in Verbindung mit
6-mm-Elementen. Die Elementrohre müssen in diesem Fall mit UV-festen,
isolierten Haltern befestigt werden, wie in Bild
7
zu erkennen ist. Hier wurde zur mechanischen Verstärkung noch ein
8-mm-Rohrstück übergeschoben. Dabei spielt die 3-mm-Edelstahlschraube
zur Befestigung auf dem Boom keine Rolle. Wichtig ist, dass die Elemente
nicht auf dem leitfähigen Boom aufliegen. Damit würden sie partiell
kurz-geschlossen und bekämen eine andere Resonanzfrequenz. Diese
Halter, Schrauben und Rohre sind bei Nuxcom [9] erhältlich, wenn man
die Teile nicht einzeln zusammensuchen will. Tabelle 2: Längen der
5-Element-2-m-Yagi mit 1,40 m Boom und 50 Ohm
Impedanz
Tabelle 3: Längen der
6-Element-2-m-Yagi mit 2,50 m Boom und 50 Ohm Impedanz
Der
Strahler muss in der Mitte auf ca. 12 mm unterbrochen sein, die in den Tabellen
2
und 3
angegebenen Längen beziehen sich auf die Maße von Spitze zu Spitze
einschließlich des isolierten Mittelstücks. Wie eine praktische Ausführung
aussehen kann, ist in Bild
8
zu sehen. Dort sieht man auch die Speisedrossel. Sie besteht aus 5
Windungen Koaxkabel, die auf ein 20- oder 25-mm-PVC-Rohr gewickelt
werden. In der Musterantenne ist es PE-Kabel vom Typ RG178, damit sind
maximal 100 Watt übertragbar. Es ist aber auch ohne weiteres RG58 zu
verwenden, allerdings sollte es eine gute Qualität mit ausreichendem
Schirm sein. Hier gibt es leider auch Billigprodukte, die wenig geeignet
sind. Noch besser ist Teflon-Kabel vom Typ RG188. Diese beiden Varianten
lassen bei SSB- und CW-Betrieb eine HF-Leistung von 250 Watt pro Antenne
zu. |
![]() |
![]() |
|
Mit
Hilfe selbstschneidender Schrauben und Lötösen erfolgt der Anschluss
der Drossel. Auf der anderen Seite benutzt man eine Koaxbuchse, die bei
der stabileren, stationären Variante am Boom geerdet werden sollte. Weitere Einzelheiten zur Mechanik können den genannten Beiträgen [1-4] und meiner Homepage [10] entnommen werden. Dort sind auch viele weitere Yagis zum Selbstbau beschrieben, die meisten allerdings in englischer Sprache. Die einsatzbereite 5-Element-Yagi sieht man in Bild 9. |
![]() |
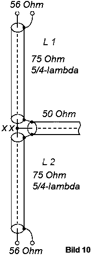
Die
gestockten Yagis Es dürfte sich inzwischen herumgesprochen haben, dass das Stocken zweier kürzerer Yagis günstiger ist als der Einsatz einer gewinngleichen, doppelt so langen Yagi. Durch das vertikale Stocken behält man den größeren horizontalen Öffnungswinkel bei, verringert aber durch einen halbierten vertikalen unnütze Strahlung in Richtung Himmel. So hat man nicht nur elektrische Vorteile, sondern auch mechanische. Ein Mast wird durch zwei kurze Yagis weniger stark beansprucht als durch eine lange. Um
auf einfache Weise eine Kopplung der beiden Antennen zu erzielen, werden
zwei 75-W-Koaxialkabelstücke
L1 und L2 mit einer elektrischen Länge von je 5/4-lambda,
bzw.
7/4-lambda
eingesetzt. Deren Transformationswirkung wird zu einer reflexionsfreien
Anpassung beider Antennen an das Speisekabel von 50 Ohm genutzt. Die Speisedrosseln werden der Einfachheit halber gleich aus
demselben Kabel gewickelt und in der Mitte zusammengelötet. Beachten
muss man, dass Innenleiter und Geflecht der beiden Yagis jeweils auf
derselben Strahler-hälfte angeschlossen werden. Das
Schema dieser Anordnung sieht man in Bild 10. Damit am Punkt XX
ein Impedanzwertwert von 100 Ohm für jedes Kabel anliegt, muss der Strahlungswiderstand jeder Antenne
56 Ohm betragen. Durch die Parallelschaltung ergeben sich dann die gewünschten
50 Ohm.
Auf diese Weise spart man gegenüber einer anderen Lösung an jeder
Antenne eine Buchse und einen Stecker, ebenso auf der anderen Seite, wo
die Kabel über einen Anpasstopf gekoppelt werden kön-nen. Einziger
Nachteil dieser Methode ist, dass beide Strahler fest miteinander
verbunden sind.
|
|
Tabelle 4: Längen für die
gestockte 5-Element-2-m-Yagi mit 1,40 m Boom und 56 Ohm Impedanz
Etwas
anders fällt die Korrektur für die 6-Element-Yagi aus. Dazu muss man
wissen, dass die Entfernung zwischen Strahler und Direktor 1
entscheidend für die Impedanz der Antenne ist. Ein kleinerer Abstand
vergrößert diese, bei weiterem Abstand sinkt sie ab. Gleichzeitig wird
aber auch der komplexe Anteil am Strahlungswiderstand beeinflusst. Bei
dieser Yagi tritt aber der Sonderfall auf, dass ein geringfügiges
Verschieben von Direktor 1 ausreicht, um auf eine Impedanz von 56 +/- j
0 Ohm zu kommen. Weitere Längenänderungen an den Elementen sind dazu nicht
notwendig. Man
kann daher die Yagis einzeln mit einem 50.Ohm-Speisekabel
ausmessen und dann durch Verkleinern des Abstandes von D 1 zum Strahler
um ca. 15 mm die Impedanz auf 56 Ohm ein-stellen. Der Stockungsabstand sollte für die 6-Element-Yagi 2,70 m
betragen. Herstellen
und Ausmessen der Stockungskabel Zum
Wickeln der Speisedrosseln ist Kabel mit einem Voll-PE-Dielektrikum
besser geeignet als solches mit einem Luftanteil und Schaum-PE. Im
einfachsten Fall nimmt man dazu eine gute Ausführung des RG59, bei den
Musterantennen wurde eine etwas dickere und dämpfungsärme Variante
eines doppelt geschirmten Kabels vom Typ RG62 mit 6,5 mm Außendurchmesser
eingesetzt. Bei
einem Verkürzungsfaktor V=0,667 ergeben sich damit Längen für die 5/4-lambda-Stücke
von jeweils 172,5 cm, bezogen auf die Außenabschirmung. Dabei wird eine
Länge von etwa 45 cm als 5 Windungen auf einem 25-mm-Isolierrohr als
Drossel aufgebracht. Es empfiehlt sich auf jeden Fall, die Funktion des
Kabels vorher auszumessen, um bei eventuell schlechtem SWR diese als
Fehlerquelle ausschließen zu können. Dazu genügt ein einfaches
Handfunkgerät, eventuell im Frequenzbereich erweitert auf 140-150 MHz
und ein UKW-taugliches Stehwellenmessgerät. |
![]() |
![]() |
Anstelle
der Antennen werden an jeder Drossel induktionsarme Metalloxid-
Schichtwider-stände von 56 Ohm angelötet (Bild
11)
und das SWR- Minimum gemessen. Sollte es nicht bei 144,3 MHz liegen, müssen
die Kabel- längen entsprechend korrigiert werden. In Bild
12
sieht man das Innere der Anschlussdose mit den beiden zusammengeführten
Stockungskabeln.
Die
Eigenschaften eines mit einem vektoriellen Antennenanalyzer [11]
ausgemessenen Stockungskabels mit den beiden Abschlusswiderständen sind
in Bild 13
zu erkennen. Dort sind Wirk- und Blindwiderstände des für den unteren
Bandabschnitt zugeschnittenen Kabels im Bereich 144-146 MHz aufgeführt,
für das gesamte 2-m-Band ergibt sich so noch ein SWR von <1,1. |
| Im Normalfall erübrigt sich ein Abgleich der Antennen. Sollte sich aber wider Erwarten ein Fehler eingeschlichen haben, kann man auch auf einer Seite die Antenne durch den Abschlusswiderstand von 56 W ersetzten und so nur eine Yagi überprüfen. |


| Die
Diagramme der gestockten Zweiergruppen zeigen zwar deutlich ausgeprägte
Nebenkeulen, aber eine starke Verringerung des vertikalen Öffnungswinkles
(Bilder 14 und
15).
Die Gewinne sind ohne Berücksichtigung der Stockungsverluste angegeben,
hiervon muss man in der Praxis 0,2-0,3 dB abziehen. |
|
|
|
|
Praktische Erfahrungen Vorsichtshalber
wurden die Strahler für einen möglichen Abgleich gegenüber den
Rechenwerten auf jeder Seite etwas länger gelassen. Mit einem Zuschlag
von 2x 2 mm stimmen so offensichtlich die notwendigen Maße. Aus diesem
Grund wurde von einer weiteren Korrektur abgesehen, weil sich mit der
5-Element-Gruppe bei 144,700 MHz exakt ein Strahlungswiderstand von 49,8
+/- j 0 Ohm mit einem SWR von 1,0 einstellte (Bild 16). |


|
Dies
entspricht einer Rückflussdämpfung von >50 dB, was für eine
Amateurfunkanlage einen exzellenten Wert darstellt. Als Speisekabel
wurde dazu ein 4,3 m langes Stück Aircell-7 verwendet, was elektrisch
einer Länge von 2,5 l
entspricht. Damit werden transformierende Eigenschaften des Koaxkabels
ausgeschlossen und man misst ziemlich genau den tatsächlichen
Impedanzwert am Fußpunkt der Antenne. Weitere Veränderungen können
das Ergebnis eigentlich nur verschlimmbessern. Dies Beispiel zeigt, wie
gut bei korrekter Hand-habung des EZNEC-Programms die Theorie mit der
Praxis übereinstimmt. Die Abweichung von 400 KHz ist dem rechnerisch
nicht erfassbaren Einfluss von Drossel und Koaxkabel im
Strahlungszentrum der Antennen zuzuschreiben. Mit
einer BEKO-MOSFET-PA wurde beim Marconi-Kontest 2009 versuchsweise eine
Leistung von 600 Watt HF eingesetzt, die die Antennenanlage mit zwei
gestockten 56-Ohm-Yagis
problemlos verkraftete (Bild 17).
Die obere Belastungsgrenze wurde vorsichtshalber nicht ausgelotet.
Vergleichbare Stockungskabel mit RG59 für zwei Antennen lassen sich mit
500 Watt in SSB/CW betreiben. Mehrfache
Portabeleinsätze in den vergangenen Jahren mit der
2x6-Element-Yagigruppe (Bild 18)
dokumentieren deutlich die Leistungsfähigkeit der Leichtbau-Antennen. In
der Praxis macht sich der relativ große horizontale Öffnungswinkel der
Zweiergruppen sehr angenehm bemerkbar. Beim minimalen Gewicht der
Antennen sind auch Vierergruppen gut realisierbar, womit man schon
kontesttaugliche Eigenschaften erwarten kann. |
|
|
|
|
Literatur- und Quellenangaben: [1] Steyer, M. (DK7ZB): Leichtgewichtige UKW-Antennen für
SOTA und BBT, CQ-DL (78) 2007 H. 4, S. 269-271 [2] Steyer, M. (DK7ZB): Praktische Ausführung leichter
UKW-Yagis, CQ-DL (78) 2007 H. 5, S. 332-335 [3] Steyer, M. (DK7ZB): Leichtbau-Yagis für UKW, 52.
Weinheimer UKW-Tagung 2007, Scriptum der Vorträge, S. 17.1-17.8 [4] Steyer, M. (DK7ZB): Leichtbau-Yagis für UKW,
FUNKAMATEUR 57 (2008) H. 1, S. 64-67 [5]
Hoch, G. (DL6WU): Wirkungsweise und optimale Dimensionierung von Yagi-
Antennen, UKW-Berichte 17 (1977), Heft 1, S. 27 [6]
Hoch, G. (DL6WU): Mehr Gewinn mit Yagi-Antennen, UKW-Berichte 18 (1978),
Heft 1, S. 2 [7]: Programm EZNEC+ Ver. 5.0.23 von Roy Lewallen
(W7EL), P.O.Box 6658, Beaverton, OR 97007, USA
(e-Mail [email protected]), http://www.eznec.com [8]
PC-Programm "YO" (Versionen 6.5 und
7.2) von Brian Beezley (K6STI), Linda Vista Drive, San Marcos, CA
92069, USA [9] Fa. Attila Kocis Kommunikationstechnik,
Tulpenweg 3, 96269 Großheirath, http://nuxcom.de [10] Homepage DK7ZB, www.mydarc.de/dk7zb
oder www.dk7zb.com [11] Graubner, N: (DL1SNG): Vektorieller Antennen-Analysator als Handgerät im Selbstbau, FUNKAMATEUR 56 (2007) H. 3, S. 282-285, H. 4, S. 396-399, H. 5, S. 506-507, Bausatz über www.funkamateur.de (Online-Shop) |