Flexnet-Treiber
Informationen zu Flexnet gibt es auf der
Flexnet-Homepage
Treiber für das DSP56002EVM
(Version 0.3)
Achtung:
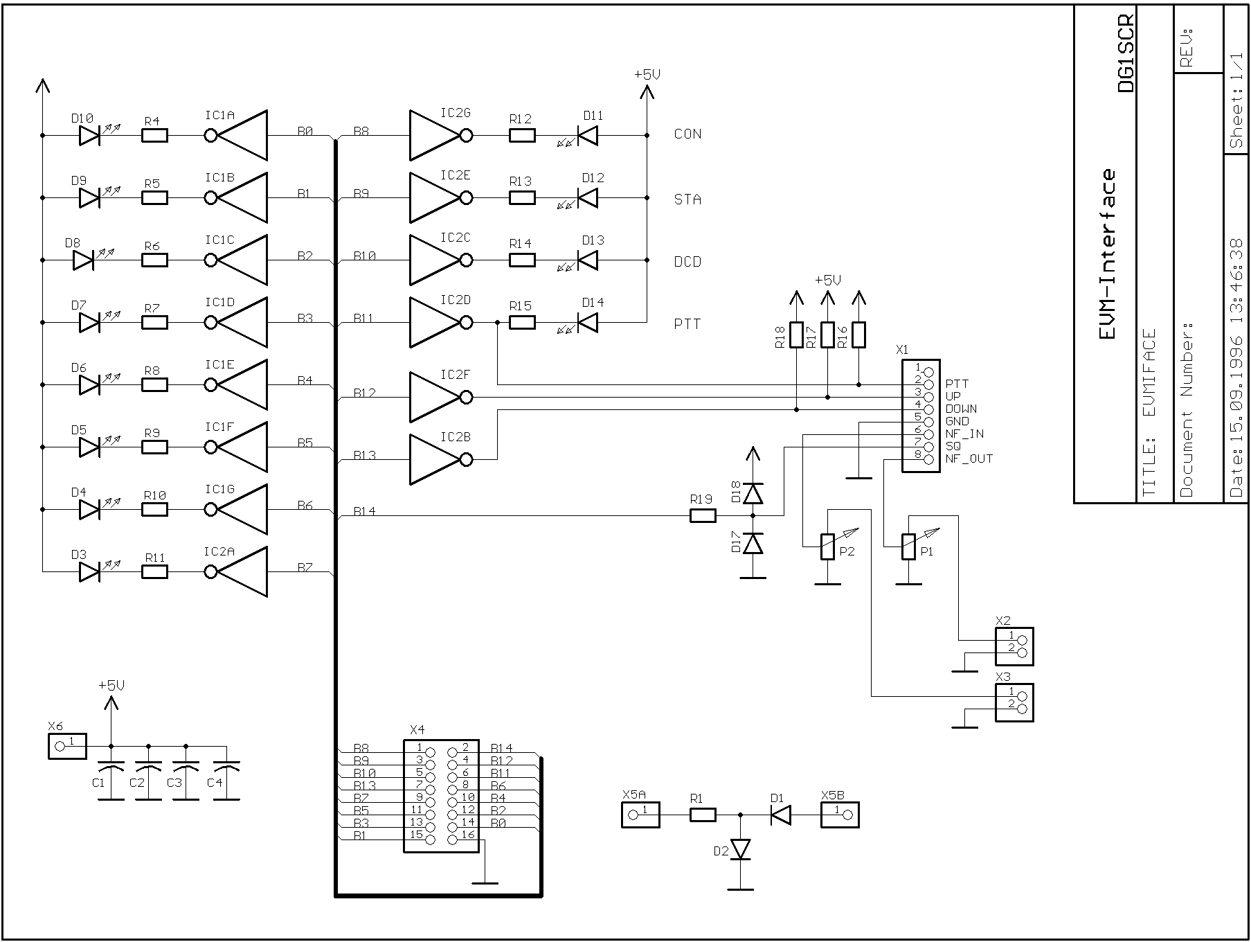
Bitte Schaltplan für den Anschluß der PTT und der LEDs anschauen
(PTT-Leitung nach KC7WW-Interface wird zusätzlich getastet)
Der DSP-Teil muß separat mit DLCLD oder dem EVM Debugger geladen werden.
TX-Delay wird zwar gemessen, aber nicht weiter ausgewertet
Hinweis: Bei www.tapr.org gibt es mittlerweile eine andere Interface-Schaltung die vorgezogen werden sollte.
Interface-Schaltung:
Schaltbild
Top layer
Bottom layer
Bestückungsplan
Treiber für das YAM-Modem
(Version 1.6)
Eine Beschreibung des Modems ist unter
http://www.microlet.com/yam/index.html
zu finden.
Achtung: Dieser Treiber ist für die Modem-Version 1.10 und höher gedacht.
Die SMD-Version des Modems ist
hier
beschrieben.
Treiber für meine DSP-Karte mit TMS320C25
Dieser Treiber stammt von
Thomas Sailer, HB9JNX
Treiber für die Z80182-Karte (Version 0.1)
Beschreibung siehe
hier
.
Treiber für das EPP-FSK-Modem
(Version 0.5)
Beschreibung siehe
hier
.
Letzte Änderung: 30.3.1999