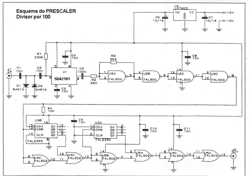
Prescaler
1.
INTRODUÇÃO
O frequencímetro é um equipamento imprescindível para medir
com exactidão a
frequência do transmissor de TVA, no entanto os frequencímetros
comerciais para
estas frequências são certamente caros. Assim, este pescaler
vem permitir que qualquer frequencímetro de leituras até 20 Mhz
existente no mercado e a preços interessantes,
possa ser transformado com relativa facilidade para estas frequências.
.O
esquema que apresento do PRESCALER , no caso de ser montado
directamente no emissor deTVA 1.2Ghz, naõ é necessário a
aplicação do "U1" (SDA2101), pelo facto de já
existir no emissor. Sendo assim, o "C5" é Substituido
por um valor na ordem dos 100pf e
conectado directamente no pino 7 do SDA2101 do emissor.
O SDA2101 divide a frequência por 64.


PRESCALER DIVISOR POR 1000

Circuito impresso
