24 GHz Modules.

The 24GHz modules presented below, were published in the Dubus 3 / 1998.
The article, without diagrams can be downloaded here "24GHz modules (DUBUS 3/98)"
And the newer modules "More 24GHz modules (DUBUS 4/99)"
The schematic diagrams of all "24GHz modules"


NEW

Single diode mixer for 24GHz.

Down to 7dB conversion loss with a sigle diode mixer.
Builtin fundamental local oscillator drive, requires 10dBm on 12GHz LO (packaged diodes are usable here).

You can download here a PCL5 file, ready to print on any HP-Laser or compatible printer, scale is 4:1. "Mixer3 PCB .pcl"
Or you can download here a PostScript file with 2540dpi, scale is 1:1. "Mixer3 PCB .eps"




NEW

PHEMT mixer for 24GHz.

Up to 3dB conversion gain using a PHEMT device as the mixer element.
Builtin fundamental local oscillator drive, requires 10dBm on 12GHz LO.

You can download here a PCL5 file, ready to print on any HP-Laser or compatible printer, scale is 4:1. "PHEMT mixer PCB .pcl"
Or you can download here a PostScript file with 2540dpi, scale is 1:1. "PHEMT mixer PCB .eps"



Low noise amplifier for 24GHz.

Less than 1.5dB of noise figure can be obtained with this design (some carefull tunning required !!!).

My prototype has 1.4dB NF and 25dB of gain at 24.2GHz and works from 20 to 25GHz.

You can download here a PCL5 file, ready to print on any HP-Laser or compatible printer, scale is 4:1. "Amplifier PCB .pcl"
Or you can download here a PostScript file with 2540dpi, scale is 1:1. "Amplifier PCB .eps"



Active frequency doubler for 24GHz Output.

More than 10dBm output at 24GHz. It works ok from 22 to 25GHz.

You can download here a PCL5 file, ready to print on any HP-Laser or compatible printer, scale is 4:1. "Doubler PCB .pcl"
Or you can download here a PostScript file with 2540dpi, scale is 1:1. "Doubler PCB .eps"



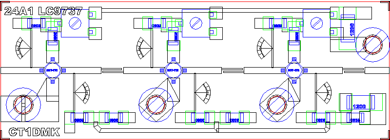
Converter for 24GHz.

Builtin fundamental local oscillator drive, requires 10dBm on 12GHz LO.
This version has RF filter for image rejection, 23cm IF recomended (This is the one seving as "wallpaper" on this page)

You can download here a PCL5 file, ready to print on any HP-Laser or compatible printer, scale is 4:1. "Mixer1 PCB .pcl"
Or you can download here a PostScript file with 2540dpi, scale is 1:1. "Mixer1 PCB .eps"



Converter for 24GHz.

Builtin fundamental local oscillator drive, requires 10dBm on 12GHz LO.
This version has NO RF filter. External wave-guide filter required or to be used
as in laboratory experiments.

You can download here a PCL5 file, ready to print on any HP-Laser or compatible printer, scale is 4:1. "Mixer2 PCB .pcl"
Or you can download here a PostScript file with 2540dpi, scale is 1:1. "Mixer2 PCB .eps"



Any comments: Luis Cupido