| 78,79系列三端稳压块: |
- 图一是78XX系列三端稳压块的基本应用和引脚排列。
- 78XX系列应用时它的输入电压要求大于输出电压3V。
- 一般它的输入电压范围较宽,上限可达30多伏。但我们实际使用时有3-5伏的余量即可,过高的输入电压将导致器件的严重发热,甚至损坏。
- 输入端的电容C2是片状电容,容量大一些且焊在集成块脚的附近。
- D1-D4用普通的1N4000系列就可以。
- 变压器输出电压的计算,可参考变压器的制做一页。
- C1选2200微法以上耐压足够的优质电解电容
- C3的容量不需要很大,几十微法即可。
|
 |
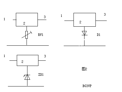
- 在需要特殊电压即不在规格电压使用的场合,它亦可通过调整2脚的电位来获得。
- 具体请参考图二。
- 一般三端稳压块提供的规格有:5V.6V.8V.9V.12V.15V.18V.24V.
- 即:7805.7806.7809.7812....79系列亦有对应电压:7905.....
- 一种是在2脚串接可变电阻调整。或是串接二极管。还有用稳压二极管,可得到所需的电压。
- (1):调RV1得到大于标称值小于输入端3V的任意电压。(2):每串一个二极管加0.7V。(3):输出电压=标称值+ZD1的稳压值。
|
 |
- 业余爱好者使用时,经常需要大一些的输出电流,可采用加扩流管的方法。
- 电流小于600mA时,由三端块直接输出。
- 大于600mA时,R上的压降达到600mV以上,使三极管导通,提供更大的电流输出。
|
 |
|
|
说明:
- 三端稳压块分78和79两系列。78系列是正输出,79系列是负输出。
- 用后缀区分它的输出电压和电流。见图。
- 三端稳压块有纹波抑制能力约60dB.
|
 |
|
|
本站内容取自相关网页或书刊,只为爱好者提供便查资料的方便,无任何盈利目的,如有侵犯版权请来信告知,将尽快删除。
[email protected]
qq:54691151
2002.6
|