私人電腦至收發機的 SSTV及PSK31轉接器
現時有很多不同的SSTV,RTTY,Packet,Fax
及PSK31電腦軟件。其中不少是使用電腦的聲效卡作數碼/模擬轉換器。我們只須一個簡單的轉接器把電腦及收發機接上就可以了。我現正試用下述的一個很易做的小製作去進行SSTV及PSK31的通訊。我們在柴灣玩得好開心啦!快到145.350
(FM)和我們一起玩玩。這線路仍在試驗階段,請多多指出有問題的地方(尤以大功率SSB模式時),好讓我改正改正。
加上自己的創意,這個轉接器還可有其他的用途:
1. 把收到的訊息錄音 -
用以重播較難抄收的訊息,在Pile-Up時十分有用
2. 接到電腦上用DSP,語音頻譜和電報解碼軟件來幫助接收
3.
由錄音設備發射訊息 - 如語音及SSTV的CQ呼叫或在比賽中一些不斷重複的訊息
4. 由其他發聲設備發射訊息 -
如接上練習摩爾斯用的振盪器去進行音頻電報通訊(如F2A)
5. 把收發機的手鍵接頭接到轉接器的PTT處,就可以讓電腦發送電報(流行於一些比賽軟件)
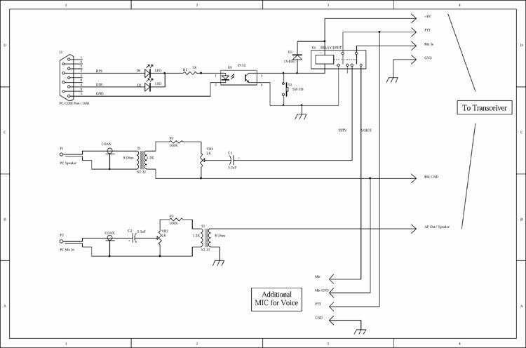
第二個線路是一個改善版本。它用變壓器及光控交連器隔離收發機與電腦的線路,並加了一個Mic。在發射SSTV訊號時這Mic將被切斷。這就容許我可以長時間把轉接器接上,而又不用擔心電腦的聲音混入我的語音QSO,或背景聲音經併接的咪混入SSTV發射。
線路圖
參考
Building an Interface for
PSK31 and SSTV by K4ABT
Sound Card to Transceiver Interface
by K4ABT and BUX CommCo
Sound Card Interface
BV2KS的接頭總覽
| RS-232 接腳
| DB9
| DB25
|
| RTS
| 7
| 4
|
| DTR
| 4
| 20
|
| GND
| 5
| 7 |