AVROT project version 1.1

rotator controller
version 1.1
by
Pavel VACHAL
OK1DX - KF9VM

azimuth & elevation control of rotators (automatic antenna turning) based on commands from computer

Manual & description - V 1.1

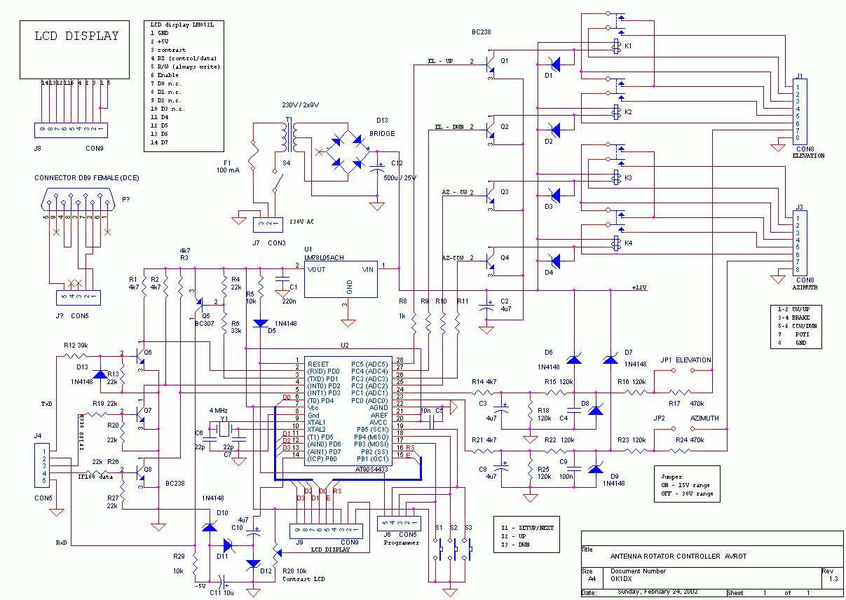
circuit diagram - V 1.1

Avrot1.jpg Prototype - picture 1 (60 kB)
Avrot2.jpg Prototype - picture 2 (60 kB)
AvroCmp.gif Printed Circuit Board - Components (44 kB)
AvrotPcb.gif Printed Circuit Board - Layout (14 kB)
AvrotPrj.zip All you need to build your own AVROT (376 kB)
AvrotSrc.zip Developper files - all sources (77 kB)
AvrotAll.zip Full download - all files (500kB)


Alternate Version - V 1.1x
(displays additionaly one decimal place of AZ/EL degree value)
!!! This isn't a new version, just modification of AVROT V1.1 !!!
Not recommended for standard precision rotators.



Modified design by Mark KE6LVK
Changes:
Circuit modification
New printed circuit board design
Software change (version 1.2)

Comments by OK1DX

AVROTlayout.PDF Printed circuit board (69 kB)
AVROT 1_4.PDF Modified circuit diagram (20 kB)
AVROT CPU 1_2.ZIP CPU firmware (19 kB)
AVROT_LVK.JPG Prototype on KE6LVK PCB (80 kB)


Manual & description - V 2.0

Ported to ATMega8 CPU (AT90S4433 no more available)
Avrot20.zip CPU program source code, binaries and manual (50 kB)
SP12_20.zip Programming software SP12 (support for Win2K and XP, 220 kB)



E-mail
No binaries, text msgs only please!