IC-756Pro3 MOSFET PA Unit

contributed by Greg Buhyoff, K2UM

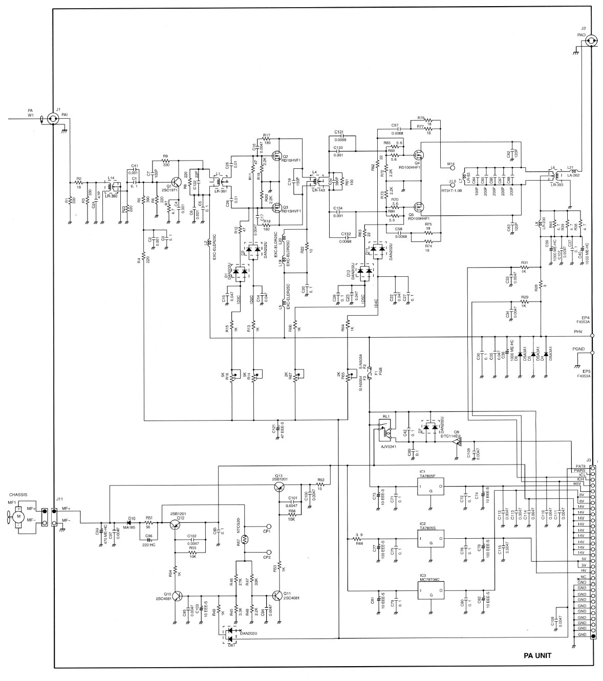
In Fig.1, the two RD100HHF MOSFET output devices can be seen between the input (centre) and output (right) transformers. The pair of RD15HFV1 drivers are located to the left of the input transformer, and the 2SC1971 BJT pre-driver to the left of the drivers. All these transistors are Mitsubishi parts.

Fig.2 shows the complete PA Unit board, mounted in the PA compartment.

Fig.1: Top view of PA Unit. Click for larger image.
Fig.1: Top view of PA Unit. Click for larger image. Photo by K2UM.
Fig. 2: PA compartment. Click for larger image.
Fig.2: Overall view of PA compartment. Click for larger image. Photo by K2UM.
Copyright © 2007-2018, G. Buhyoff K2UM. Page creation: A. Farson VA7OJ/AB4OJ. All rights reserved. Last revised: 06/16/18.