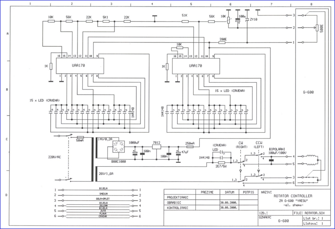
ROTATOR CONTROLLER FOR "YAESU" G-600

( please click on picture to enlarge )

ROTATOR CONTROLLER

TOP VIEW BACK VIEW
   
ELECTRICAL SCHEMATIC

HOME HOMEBREW

TOP PAGE